Опис
EF30.50.09.E.Ex.2.50B AutoAdapt 96877532 Grundfos - переносний дренажний насос для побутового та промислового застосування. Це занурювальний насос із чавуну із вбудованим трифазним двигуном класу ізоляції F, призначеним для занурення в робочу рідину. Для додаткового захисту двигун вбудований датчик температури. Робоче колесо одноканального насоса напіввідкритого типу з вільним проходом 30 мм
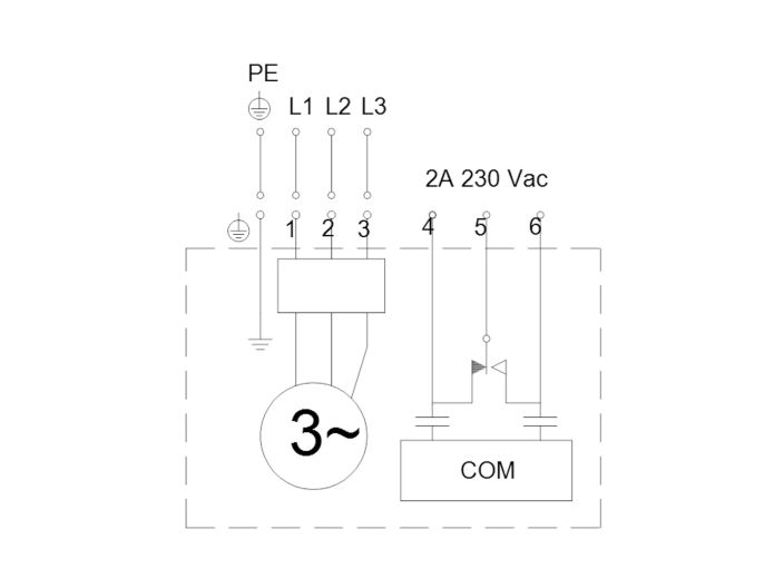
Насос для стічних вод Grundfos EF30.50.09.E.Ex.2.50B з функцією AUTOADAPT обладнаний контролером, датчиками та захистом двигуна. Їх необхідно підключити до електромережі. Якщо в одному резервуарі встановлено кілька насосів, вбудована в насос логіка керування забезпечить рівномірний розподіл навантаження між насосами з часом
Насос EF30.50.09.E.Ex.2.50B Грундфос вибухобезпечний, стандарт вибухозахисту EN50014/EN50018, клас EEx d IIB T4
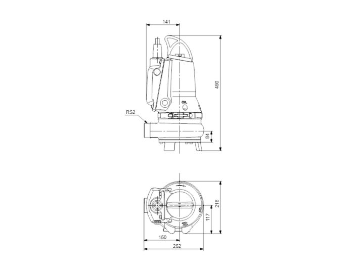
Насос для брудної води Grundfos EF30.50.09.E.Ex.2.50B використовується для перекачування та дренажу поверхневих вод з невеликими домішками, стічних вод з волокнами, наприклад, з пралень, стічних вод без скидання з туалетів. Насос можна встановлювати на постійній основі або тимчасово. Проміжна масляна камера попередньо заповнена спеціальним нетоксичним маслом. Герметична кабельна заглушка, закрита поліуретаном, запобігає попаданню води через кабель у двигун. Між корпусом насоса та двигуном передбачений металевий затискач, який забезпечує легкий та безпечний демонтаж та складання. Огляд насоса можливий у польових умовах без спеціальних інструментів. На насосі Grundfos EF є ручка для перенесення
Ущільнення валу насоса Grundfos EF30.50.09.E.Ex.2.50B картриджної конструкції легко замінюється та запобігає ризику неправильної установки насоса. Електродвигун оснащений довговічними шарикопідшипниками з глибокими канавками та мастилом на весь термін служби. Випускний отвір насоса діаметром R 2", глибина занурення до 7 м. Насос EF 30.50 призначений для вільної установки та на автоматичній трубній муфті
Технічні характеристики насоса Grundfos EF30.50.09.E.Ex.2.50B
- Найменування: EF30.50.09.E.Ex.2.50B
- Артикул: 96877532
- Призначення: дренаж ґрунтових, поверхневих та технічних вод з волокнами
- Максимальний напір: 16,8 м
- Максимальна продуктивність: 39,24 м³/год (10,9 л/с)
- Напір номінальний: 8,87 м
- Продуктивність номінальна: 17,388 м³/год (4,83 л/с)
- Температура робочої рідини до 40°С
- Робоча рідина: забруднена вода з рівнем pH 4-10 без волокнистих включень, тверді частинки до 10 мм
- Максимальний робочий тиск: 6 бар
- Номінальний тиск для підключення: 10 бар
- Максимальна глибина занурення 7 м
- Діаметр патрубка: R 2" (зовнішня різьба)
Електрообладнання та додаткова інформація
- Електродвигун: занурювальний асинхронний
- Потужність: P1 1400 Вт
- Номінальна потужність: P2 900 Вт
- Частота мережі: 50 Гц
- Номінальна напруга: 3 х 400-415 В
- Номінальний струм: 2,8 А
- Номінальний струм при навантаженні 3/4: 2,5 А
- Номінальний струм при навантаженні 1/2: 2,1 А
- Пусковий струм: 21 А
- Номінальний струм без навантаження: 1,9 А
- Cos phi коефіцієнт потужності: 0,76
- Cos phi навантаженні 3/4: 0,68
- Cos phi при навантаженні 1/2: 0,58
- Номінальна швидкість: 2870 об/хв
- Крутний момент заблокованого ротора: 11 Нм
- Крутний момент пробою: 12 Нм
- Момент інерції: 0,0037 кг м²
- ККД двигуна при повному навантаженні: 65%
- ККД двигуна при навантаженні 3/4: 61%
- ККД двигуна при навантаженні 1/2: 58%
- Кількість полюсів: 2
- Пуск двигуна прямий (DOL)
- Режим роботи: безперервний у повністю зануреному стані (при частково зануреному двигуні режим повторно-короткочасних включень з робочим циклом не більше 40%)
- Максимальна кількість пусків/зупинок за годину: 30
- Клас захисту: IP68
- Клас ізоляції (IEC 85): F
- Вибухобезпечність: так, клас вибухозахисту EN50014/EN50018, class EEx d IIB T4
- AUTOADAPT: так
- Додаткове введення/виведення: зовнішній
- Блок управління: ні
- Датчик вологості: ні
- Датчик води в маслі: ні
- Вбудований захист двигуна: термовимикач
- Тепловий захист: вбудований
- Кабель живлення: H07RN-F, без вилки, 10 м
- Габаритні розміри упаковки: 40х30х60 см
- Вага нетто: 46,2 кг
- Вага брутто: 51,6 кг
Матеріали насоса Grundfos EF30.50.09.E.Ex.2.50B (96877532)
- Корпус насоса: чавун EN-GJL-250
- Покриття корпусу: епоксидне, колір NSC 8005 R80B, глянець 35
- Робоче колесо: чавун EN-GJL-500-7
- Корпус статора: чавун EN-JL-1030
- Основа: чавун EN-GJL-250
- Оливна камера: чавун
- Олива: Shell Olinda 917
- Вал: сталь
- Ротор: нержавіюча сталь AISI 304
- Хомут: нержавіюча сталь AISI 304
- Ручка: нержавіюча сталь CF-8
- Кабельне введення: нержавіюча сталь CF-8
- Болти: нержавіюча сталь
- Ущільнення первинного валу: картриджне SIC/SIC
- Ущільнення валу вторинне: щілинне ущільнення, гума NBR
- Кільце ущільнювача: гума NBR
Детальніше
- Виробник
- GRUNDFOS
- Потужність, Вт
- 900
- Продуктивність, max м3/год
- 39
- Напір, мах м
- 16
- Напруга живлення, В
- 400
- Діаметр
- DN 50 (2")
- Матеріал корпусу
- чавун
- Матеріал робочих колес
- чавун
- Діаметр твердих часток
- 30
- Модель насоса
- Grundfos EF







