P=28-691 Вт, U=220 В, L=360 мм, DN 80 фланці, Qnom=28.23 м³/год, Нnom=6.016 м, Qmax=53 м³/год, Нmax=8 м, t=-10℃…+110℃, PN 6
Циркуляційний насос з частотним перетворювачем для заміни Grundfos UPS UPS 80-60 F 380 (96402391)
Артикул: 97924308
Гарантія: 2 роки
Опис
Регульований циркуляційний насос Grundfos MAGNA3 80-80 F 97924308 призначений для циркуляції рідини в системах опалення, теплих підлог та кондиціонування повітря.
У системі з декількома насосами можлива послідовна експлуатація, експлуатація з резервуванням і каскадна експлуатація
Основні переваги насоса Grundfos MAGNA3 80-80 F 97924308
- економія електроенергії
- низький рівень шуму
- висока надійність і простота монтажу
Можливі такі способи регулювання циркуляційного насоса Grundfos MAGNA3 80-80 F 97924308
- AUTO ADAPT - автоматичне регулювання (заводська настройка) - для більшості установок
- FLOW ADAPT - режим для систем, де потрібен обмежувач витрати (функція FLOW LIMIT)
- пропорційне регулювання тиску - для систем зі значними втратами, пов'язаними з великими змінами витрати
- регулювання з постійним тиском - для систем із незначними втратами тиску та систем із природною циркуляцією
- регулювання з постійною температурою - для систем з постійною характеристикою (побутові системи гарячого водопостачання)
- експлуатація відповідно до постійної характеристикою
Зазначені способи регулювання Grundfos MAGNA3 80-80 F 97924308 можуть поєднуватися з автоматичним нічним режимом експлуатації зі зниженою подачею.
Гарантія: 2 роки
Технічні характеристики
- Найменування MAGNA3 80-80 F
- Артикул 97924308
- Номінальна витрата 28.23 м³/год
- Номінальний напір 6.016 м
- Максимальна витрата 53 м³/год
- Максимальний напір 8 м
- Модель E
Матеріали
- Корпус насоса Чавун EN-GJL-250 ASTM A48-250B
- Робоче колесо PES 30% GF
Монтаж
- Температура навколишнього середовища 0... 40°C
- Макс. робочий тиск 6 бар
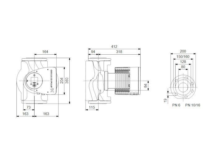
- Трубне приєднання DIN фланці
- З'єднання труб DN 80
- Допустимий тиск PN 6
- Монтажна довжина 360 мм
Рідина
- Робоча рідина вода
- Температура рідини -10... 110 ° C
- Температура рідини 60 ° C
- Щільність 983.2 кг/м³
Дані електрообладнання
- потужність-P1 28 ... 691 Вт
- Частота мережі 50/60 Hz
- Номінальна напруга 1 x 230 В
- Максимальне споживання струму 0.28 ... 3.15 A
- Ступінь захисту (IEC 34-5) X4D
- Клас ізоляції (IEC 85) F
Інше
- Клас електроспоживання (EEI) 0,17
- Маса нетто 29 кг
- Маса брутто 31.8 кг
- Обсяг поставки 0,071 м³
Детальніше
- Виробник
- GRUNDFOS
- Потужність, Вт
- 691
- Продуктивність, max м3/год
- 53
- Напір, мах м
- 8
- Напруга живлення, В
- 230
- Діаметр
- DN 80 (3")
- З'єднання
- фланцеве
- Монтажне виконання
- 360 мм
- Керування
- частотне регулювання
- Модель насоса
- Grundfos Magna3





