P=28-691 Вт, U=220 В, L=360 мм, DN 80 фланцы, Qnom=28.2 м³/ч, Нnom=6.02 м, Qmax=53 м³/ч, Нmax=8 м, t=-10℃…+110℃, PN 6
Циркуляционный насос с частотным преобразователем для замены Grundfos UPS 80-60 F 380 (96402391)
Артикул: 97924308
Гарантия: 2 года
Описание
Регулируемый циркуляционный насос Grundfos MAGNA3 80-80 F 97924308 предназначен для циркуляции жидкости в системах отопления, горячего водоснабжения и кондиционирования воздуха.
В системе с несколькими насосами возможная поочередная эксплуатация, эксплуатация с резервированием и каскадная эксплуатация
Основные преимущества насоса Grundfos MAGNA3 80-80 F 97924308
- экономия электроэнергии
- низкий уровень шума
- высокая надежность и простота монтажа
Возможны следующие способы регулирования циркуляционного насоса Grundfos MAGNA3 80-80 F 97924308
- AUTO ADAPT - автоматическое регулирование (заводская настройка) - для большинства установок
- FLOW ADAPT - режим для систем, где нужен ограничитель расхода (функция FLOW LIMIT)
- пропорциональное регулирование давления - для систем со значительными потерями, связанными с большими изменениями расхода
- регулирование с постоянным давлением - для систем с незначительными потерями давления и систем с естественной циркуляцией
- регулирование с постоянной температурой - для систем с постоянной характеристикой (бытовые системы горячего водоснабжения)
- эксплуатация в соответствии с постоянной характеристикой
Указанные способы регулирования Grundfos MAGNA3 80-80 F 97924308 могут сочетаться с автоматическим ночным режимом эксплуатации с пониженной подачей.
Гарантия: 2 года
Технические характеристики
- Наименование MAGNA3 80-80 F
- Артикул 97924308
- Номинальный расход 28.23 м³/ч
- Номинальный напор 6.016 м
- Максимальный расход 53 м³/ч
- Максимальный напор 8 м
- Модель E
Материалы
- Корпус насоса Чугун EN-GJL-250 ASTM A48-250B
- Рабочее колесо PES 30%GF
Монтаж
- Температура окружающей среды 0 ... 40 °C
- Макс. рабочее давление 6 бар
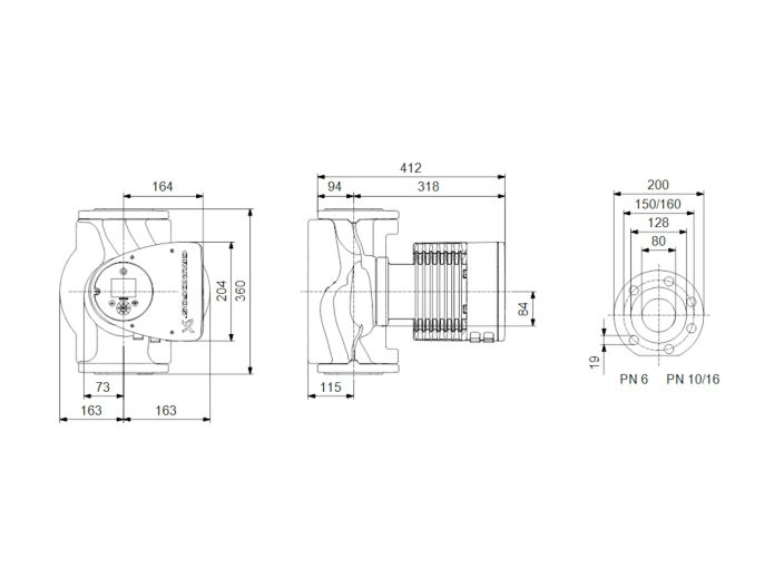
- Трубное присоединение DIN фланцы
- Соединение труб DN 80
- Допустимое давление PN 6
- Монтажная длина 360 мм
Жидкость
- Рабочая жидкость вода
- Температура жидкости -10 ... 110 °C
- Температура перекачиваемой жидкости 60 °C
- Плотность 983.2 кг/м³
Данные электрооборудования
- Потребляемая мощность-P1 28 .. 691 Вт
- Частота питающей сети 50/60 Hz
- Номинальное напряжение 1 x 230 В
- Максимальное потребление тока 0.28 .. 3.15 A
- Степень защиты (IEC 34-5) X4D
- Класс изоляции (IEC 85) F
Другое
- Класс электропотребления (EEI) 0,17
- Масса нетто 29 кг
- Масса брутто 31.8 кг
- Объем поставки 0.071 м³
Подробнее о товаре
- Производитель
- GRUNDFOS
- Мощность, Вт
- 691
- Производительность, max м3/ч
- 53
- Напор, мах м
- 8
- Напряжение питания, В
- 230
- Диаметр
- DN 80 (3")
- Соединение
- фланцевое
- Монтажное исполнение
- 360 мм
- Управление
- частотное регулирование
- Модель насоса
- Grundfos Magna3





