Змішувальні клапани
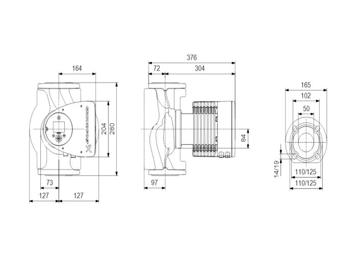
P=22-601 Вт, U=220 В, L=280 мм, DN 50 фланці, Qnom=20,3 м³/год, Нnom=7,46 м, Qmax=38 м³/год, Нmax=15 м, t=-10℃…+110℃, PN 6/10
Циркуляційний насос з частотним перетворювачем для заміни Grundfos UPS 50-120 F 220 (96402101), UPS 50-120 F 380 (96402103), UPS 50-180 F 220 (96402134), UPS 50-180 F 380 (96402136), UPS 50-185 F 220 (96430300), UPS 50-185 F 380 (96430297)
Артикул: 97924285
Гарантія: 2 роки
Рекомендовані товари
Опис
Регульований циркуляційний насос Grundfos MAGNA3 50-150 F 97924285 призначений для циркуляції рідини в системах опалення, теплих підлог та кондиціонування повітря.
У системі з декількома насосами можлива послідовна експлуатація, експлуатація з резервуванням і каскадна експлуатація
Основні переваги насоса Grundfos MAGNA3 50-150 F 97924285
- економія електроенергії
- низький рівень шуму
- висока надійність і простота монтажу
Способи регулювання циркуляційного насоса Grundfos MAGNA3 50-150 F 280
- AUTO ADAPT - автоматичне регулювання (заводське налаштування) - для більшості установок
- FLOW ADAPT - режим для систем, де потрібен обмежувач витрати (функція FLOW LIMIT)
- пропорційне регулювання тиску - для систем зі значними втратами, пов'язаними з великими змінами витрати
- регулювання з постійним тиском - для систем із незначними втратами тиску та систем із природною циркуляцією
- регулювання з постійною температурою - для систем з постійною характеристикою (побутові системи гарячого водопостачання)
- експлуатація відповідно до постійної характеристикою
Зазначені способи регулювання Grundfos MAGNA3 50-150 F 97924285 можуть поєднуватися з автоматичним нічним режимом експлуатації зі зниженою подачею.
Гарантія: 2 роки
Технічні характеристики насоса Grundfos MAGNA3 50-150 F 280
- Найменування MAGNA3 50-150 F
- Артикул 97924285
- Номінальна витрата 20,27 м³/год
- Номінальний напір 7,387 м
- Максимальна витрата 38 м³/год
- Максимальний напір 15 м
- Модель E
Матеріали
- Корпус насоса Чавун EN-GJL-250 ASTM A48-250B
- Робоче колесо PES 30% GF
Монтаж
- Температура навколишнього середовища 0... 40°C
- Макс. робочий тиск 10 бар
- Трубне приєднання DIN фланці
- З'єднання труб DN 50
- Допустимий тиск PN 6/10
- Монтажна довжина 280 мм
Рідина
- Робоча рідина вода
- Температура рідини -10... 110 ° C
- Температура рідини 60 ° C
- Щільність 983.2 кг/м³
Дані електрообладнання
- Потужність P1 22...601 Вт
- Частота мережі 50/60 Hz
- Номінальна напруга 1 x 230 В
- Максимальне споживання струму 0,23.. 2,75 A
- Ступінь захисту (IEC 34-5) X4D
- Клас ізоляції (IEC 85) F
Інша
- Клас електроспоживання (EEI) 0,18
- Маса нетто 18,9 кг
- Маса брутто 20,8 кг
- Обсяг поставки 0,046 м³
Детальніше
- Виробник
- GRUNDFOS
- Потужність, Вт
- 601
- Продуктивність, max м3/год
- 38
- Напір, мах м
- 15
- Напруга живлення, В
- 230
- Діаметр
- DN 50 (2")
- З'єднання
- фланцеве
- Монтажне виконання
- 280 мм
- Керування
- частотне регулювання
- Модель насоса
- Grundfos Magna3
6168
97924285
9171







