Смесительные клапаны
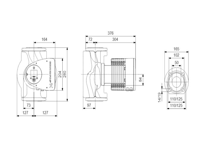
P=22-601 Вт, U=220 В, L=280 мм, DN 50 фланцы, Qnom=20,3 м³/ч, Нnom=7,46 м, Qmax=38 м³/ч, Нmax=15 м, t=-10℃…+110℃, PN 6/10
Циркуляционный насос с частотным преобразователем для замены Grundfos UPS 50-120 F 220 (96402101), UPS 50-120 F 380 (96402103), UPS 50-180 F 220 (96402134), UPS 50-180 F 380 (96402136), UPS 50-185 F 220 (96430300), UPS 50-185 F 380 (96430297)
Артикул: 97924285
Гарантия: 2 года
Сопутствующие товары
Описание
Регулируемый циркуляционный насос Grundfos MAGNA3 50-150 F 97924285 предназначен для циркуляции жидкости в системах отопления, горячего водоснабжения и кондиционирования воздуха.
В системе с несколькими насосами возможная поочередная эксплуатация, эксплуатация с резервированием и каскадная эксплуатация
Основные преимущества насоса Grundfos MAGNA3 50-150 F 97924285:
- экономия электроэнергии
- низкий уровень шума
- высокая надежность и простота монтажа
Способы регулирования циркуляционного насоса Grundfos MAGNA3 50-150 F 97924285:
- AUTO ADAPT - автоматическое регулирование (заводская настройка) - для большинства установок
- FLOW ADAPT - режим для систем, где нужен ограничитель расхода (функция FLOW LIMIT)
- пропорциональное регулирование давления - для систем со значительными потерями, связанными с большими изменениями расхода
- регулирование с постоянным давлением - для систем с незначительными потерями давления и систем с естественной циркуляцией
- регулирование с постоянной температурой - для систем с постоянной характеристикой (бытовые системы горячего водоснабжения)
- эксплуатация в соответствии с постоянной характеристикой
Указанные способы регулирования Grundfos MAGNA3 50-150 F 97924285 могут сочетаться с автоматическим ночным режимом эксплуатации с пониженной подачей.
Гарантия: 2 года
Технические характеристики
- Наименование MAGNA3 50-150 F
- Артикул 97924285
- Номинальный расход 20,27 м³/ч
- Номинальный напор 7,387 м
- Максимальный расход 38 м³/ч
- Максимальный напор 15 м
- Модель E
Материалы
- Корпус насоса Чугун EN-GJL-250 ASTM A48-250B
- Рабочее колесо PES 30%GF
Монтаж
- Температура окружающей среды 0 ... 40 °C
- Макс. рабочее давление 10 бар
- Трубное присоединение DIN фланцы
- Соединение труб DN 50
- Допустимое давление PN 6/10
- Монтажная длина 280 мм
Жидкость
- Рабочая жидкость вода
- Температура жидкости -10 ... 110 °C
- Температура перекачиваемой жидкости 60 °C
- Плотность 983.2 кг/м³
Данные электрооборудования
- Потребляемая мощность-P1 21 .. 249 Вт
- Частота питающей сети 50/60 Hz
- Номинальное напряжение 1 x 230 В
- Максимальное потребление тока 0,23 .. 1,18 A
- Степень защиты (IEC 34-5) X4D
- Класс изоляции (IEC 85) F
Другое
- Класс электропотребления (EEI) 0,18
- Масса нетто 18,9 кг
- Масса брутто 20,8 кг
- Объем поставки 0,046 м³
Подробнее о товаре
- Производитель
- GRUNDFOS
- Мощность, Вт
- 601
- Производительность, max м3/ч
- 38
- Напор, мах м
- 15
- Напряжение питания, В
- 230
- Диаметр
- DN 50 (2")
- Соединение
- фланцевое
- Монтажное исполнение
- 280 мм
- Управление
- частотное регулирование
- Модель насоса
- Grundfos Magna3
6168
97924285
9171







