Рекомендовані товари
Опис
Wilo Yonos MAXO 65/0,5-16 – високоефективний насос для об'єктів комерційної нерухомості із системами опалення, вентиляції та кондиціювання повітря. Насос легко налаштувати, вибравши потрібний режим роботи в основних налаштуваннях за допомогою зеленої кнопки на передній панелі. На дисплеї відображаються поточні налаштування та повідомлення про помилки. За допомогою Wilo-Connect насос можна доповнити іншими інтелектуальними функціями
Yonos MAXO 65/0,5-16 - циркуляційний насос із мокрим ротором, синхронний двигун виконаний відповідно до ECM-технології. Насос інтегрований електронний блок регулювання потужності для плавного регулювання перепаду тиску. Залежно від обраного застосування або функції регулювання регулюється кількість обертів або перепад тиску. З усіма функціями регулювання по перепаду тиску насос постійно пристосовується до споживаної потужності установки, що змінюється.
Переваги насоса Wilo Yonos MAXO 65/0,5-16
- Висока ефективність та економія електроенергії
- Просте керування, вибір та налаштування потрібного режиму роботи за допомогою інтуїтивного дисплея з підсвічуванням та ручного регулятора налаштувань
- Широкий діапазон робочих параметрів, що дозволяє використовувати насос у різних типах систем опалення
- Надійність та довговічність за рахунок високоякісних матеріалів та захисту від перегріву та блокування
- Компактний дизайн та легка установка за допомогою стандартних фланцевих з'єднань
- Wilo-Connector для швидкого підключення
- Доступність установки завдяки узагальненій сигналізації несправності
Режими роботи насоса Wilo Yonos MAXO
- Для опалення підлоги Δ p-c для постійного перепаду тиску (значення напору налаштовується)
- Для опалення радіаторами p-v для змінного перепаду тиску (значення напору налаштовується)
- Постійна швидкість C1
- Постійна швидкість C2
- Постійна швидкість C3
Ручне керування
- Налаштування режиму роботи
- Налаштування потужності насоса (висота подачі)
- Налаштування ступенів числа обертів
Автоматичне керування
- Плавне регулювання потужності залежно від режиму роботи
- Функція розблокування
- Плавний запуск
- Інтегрований повний захист двигуна
Сигналізація та и індикація
- Загальна сигналізація про несправність (безпотенційний контакт, що розмикає)
- Світлова сигналізація про несправність
- Сегментний РК-дисплей для індикації висоти подачі та кодів помилок
- Індикація заданого ступеня числа оборотів (C1, C2 або C3)
Купити насос для опалення Wilo Yonos MAXO 65/0,5-16 2120655 можна в інтернет-магазині Насосвдом
Комплект поставки
- Насос Yonos MAXO Wilo
- Підкладні шайби для фланцевих гвинтів
- Wilo-Connector для підключення до мережі електроживлення
- Інструкція з експлуатації
- Гарантійний талон
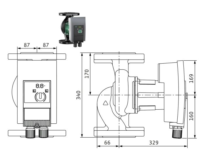
Технічні характеристики насоса Yonos MAXO 65/0,5-16 Wilo
- Тип: циркуляційний насос для опалення
- Управління: електронна система регулювання частоти обертання
- Модель: Wilo Yonos MAXO 65/0,5-16
- Артикул Wilo: 2120655
- Кількість режимів роботи: 5
- Максимальна витрата: 57,3 м³/год
- Максимальний натиск: 17,2 м
- Корпус насоса: сірий чавун
- Робоче колесо: технополімер PPE/PS-GF30
- Вал: нержавіюча сталь
- Підшипник: металонасичений графіт
Данні по монтажу
- Температура навколишнього середовища: від -10°С до 40°С
- Робоча рідина: вода, суміш води та гліколю до 50%
- Температура робочої рідини: від -20°С до 110°С
- Максимальний робочий тиск: 10 бар
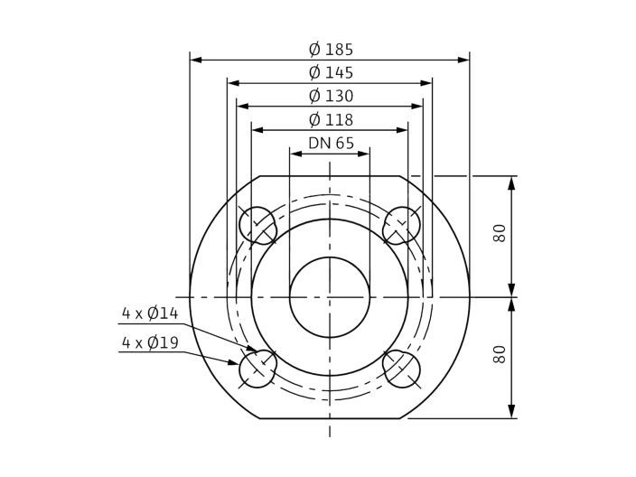
- Підключення до трубопроводу: фланцеве DN 65
- Номінальний тиск для підключення: PN 6/10
- Монтажна довжина: 340 мм
Данні по електродвигуну
- Мінімальна споживана потужність P1: 40 Вт
- Потужність P1: 1450 Вт
- Номінальна напруга: 1 х 230 ±10%, 50/60 Гц
- Клас захисту: IPX4D
- Клас ізоляції: F
- Кабельне з'єднання 2 x M20x1,5
Інші дані
- Коефіцієнт енергоефективності (EEI): ≤ 0,20
- Вага: 27,5 кг
- Габарити: 185 х 395 х 340 мм
Детальніше
- Виробник
- Wilo
- Потужність, Вт
- 1450
- Продуктивність, max м3/год
- 57
- Напір, мах м
- 17
- Напруга живлення, В
- 230
- Діаметр
- DN 65 (2 1/2")
- З'єднання
- фланцеве
- Монтажне виконання
- 340 мм
- Керування
- частотне регулювання
- Модель насоса
- Wilo Yonos MAXO
6351










