Сопутствующие товары
Описание
Wilo Yonos MAXO 65/0,5-16 – высокоэффективный насос для объектов коммерческой недвижимости с системами отопления, вентиляции и кондиционирования воздуха. Насос легко настроить, выбрав нужный режим работы в основных настройках при помощи зелёной кнопки на лицевой панели. На светодиодном дисплее отображаются текущие настройки и сообщения об ошибках. С помощью Wilo-Connect насос можно дополнить другими интеллектуальными функциями
Yonos MAXO 65/0,5-16 - циркуляционный насос с мокрым ротором, синхронный двигатель выполнен в соответствии с ECM-технологией. В насос интегрирован электронный блок регулировки мощности для плавной регулировки перепада давления. В зависимости от выбранного применения или функции регулирования регулируется число оборотов или перепад давления. Со всеми функциями регулировки по перепаду давления насос постоянно приспосабливается к изменяемой потребляемой мощности установки
Преимущества насоса Wilo Yonos MAXO 65/0,5-16
- Высокая эффективность и экономия электроэнергии
- Простое управление, выбор и настройка нужного режима работы с помощью интуитивного дисплея с подсветкой и ручного регулятора настроек
- Широкий диапазон рабочих параметров, позволяющий использовать насос в различных типах систем отопления
- Надёжность и долговечность за счет высококачественных материалов и защиты от перегрева и блокировки
- Компактный дизайн и легкая установка с помощью стандартных фланцевых соединений
- Wilo-Connector для быстрого электроподключения
- Доступность установки благодаря обобщённой сигнализации неисправности
Режимы работы насоса Wilo Yonos MAXO
- Для напольного отопления Δ p-c для постоянного перепада давления (значение напора настраивается)
- Для отопления радиаторами Δ p-v для переменного перепада давления (значение напора настраивается)
- Постоянная скорость C1
- Постоянная скорость C2
- Постоянная скорость C3
Ручное управление
- Настройка режима работы
- Настройка мощности насоса (высота подачи)
- Настройка степеней числа оборотов
Автоматическое управление
- Плавная регулировка мощности в зависимости от режима работы
- Функция разблокировки
- Плавный пуск
- Интегрированная полная защита двигателя
Сигнализация и индикация
- Общая сигнализация о неисправности (беспотенциальный размыкающий контакт)
- Световая сигнализация о неисправности
- Сегментный ЖК-дисплей для индикации высоты подачи и кодов ошибок
- Индикация заданной степени числа оборотов (C1, C2 или C3)
Купить насос для отопления Wilo Yonos MAXO 65/0,5-16 2120655 в Киеве можно в интернет-магазине Насосвдом
Комплект поставки
- Насос Yonos MAXO Wilo
- Подкладные шайбы для фланцевых винтов
- Wilo-Connector для подключения в сеть электропитания
- Инструкция по эксплуатации
- Гарантийный талон
Технические характеристики насоса Yonos MAXO 65/0,5-16 Wilo
- Тип: циркуляционный насос для отопления
- Управление: электронная система регулирования частоты вращения
- Модель: Wilo Yonos MAXO 65/0,5-16
- Артикул Wilo: 2120655
- Количество режимов работы: 5
- Максимальный расход: 57,3 м³/ч
- Максимальный напор: 17,2 м
- Корпус насоса: серый чугун
- Рабочее колесо: технополимер PPE/PS-GF30
- Вал: нержавеющая сталь
- Подшипник: металлонасыщенный графит
Данные по монтажу
- Температура окружающей среды: от -10°С до 40°С
- Рабочая жидкость: вода, смесь воды и гликоля до 50%
- Температура рабочей жидкости: от -20°С до 110°С
- Максимальное рабочее давление: 10 бар
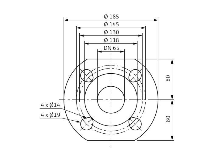
- Подключение к трубопроводу: фланцевое DN 65
- Номинальное давление для подключения: PN 6/10
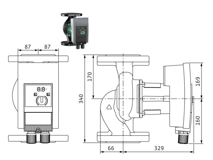
- Монтажная длина: 340 мм
Данные по электродвигателю
- Минимальная потребляемая мощность P1: 40 Вт
- Потребляемая мощность P1: 1450 Вт
- Номинальное напряжение: 1 х 230 В ±10%, 50/60 Гц
- Класс защиты: IPX4D
- Класс изоляции: F
- Кабельное соединение 2 x M20x1,5
Другие данные
- Коэффициент энергоэффективности (EEI): ≤ 0,20
- Вес: 27,5 кг
- Габариты: 185 х 395 х 340 мм
Подробнее о товаре
- Производитель
- Wilo
- Мощность, Вт
- 1450
- Производительность, max м3/ч
- 57
- Напор, мах м
- 17
- Напряжение питания, В
- 230
- Диаметр
- DN 65 (2 1/2")
- Соединение
- фланцевое
- Монтажное исполнение
- 340 мм
- Управление
- частотное регулирование
- Модель насоса
- Wilo Yonos MAXO
6351










