Опис
Циркуляційний насос TOP-S 30/10 EM виробника Wilo застосовується в таких сферах як системи опалення, циркуляційні установки промислового типу, а також системи кондиціонування і закриті системи охолодження.
Насос для опалення TOP-S 30/10 виробника Wilo має три частоти обертання. Оптимальну продуктивність насоса для Вашої гідросистеми можна вибрати за допомогою ручного перемикача швидкостей. Крім того, перемикаючи насос на більш низьку частоту обертання, Ви можете знизити рівень енергоспоживання. Циркуляційний насос TOP-S 30/10 Wilo - це насос з «мокрим ротором», тобто всі рухомі частини, включаючи і ротор, омиваються робочою рідиною, яка змащує підшипники і охолоджує ротор. У насосах даної серії не потрібні ущільнення для валів.
У комплекті поставляються
- Насос для циркуляції TOP-S 30/10 з однофазним двигуном
- Два ущільнення
- Теплоізоляційний кожух, що складається з двох частин
- Інструкція по монтажу та експлуатації
Характеристики циркуляційних насосів TOP-S 30/10 виробника Wilo:
- максимальний робочий тиск: 10 бар
- максимальний напір : 11,8 м
- максимальна витрата: 10,2 м 3 /год
- споживана потужність: 340-345-410 Вт
- споживаний струм: 0,35-0,55-0,65 А
- частота обертання: 2300-2500-2600 об/хв
- температура рідини: -20 ºC до +130 ºC
- клас нагрівостійкості ізоляціі- F * допускається режим безперервної експлуатації
- підключення до мережі: 1 ~ 230В/50Гц
- приєднання до трубопроводу: Rp 11/4 "
- монтажна довжина: 180 мм
- вага: 6,3 кг
Напір ная характеристика циркуляційних насосів TOP-S 30/10 виробника Wilo:
Циркуляційні TOP-S 30/10 виробника Wilo можуть перекачувати :
воду для систем опалення;
суміш води і гліколю (макс. 1: 1)
Матеріали циркуляційних насосів Wilo TOP-S 30/10:
- корпус виготовлений з сірого чавуну
- робоче колесо - пластик
- вал - нержавіюча сталь
- підшипник - металонасичений
Переваги циркуляційного насоса Wilo TOP-S 30/10:
- можливе використання при температурах рідини в діапазоні від 20 про З... + 130 про З
- три фіксовані швидкості частоти обертання
- мокрий ротор двигуна
- катафорезного покриття корпусу насоса, яке запобігає корозії насоса, в разі утворення конденсату
- монтаж з горизонтальним розташуванням валу
Габаритний креслення
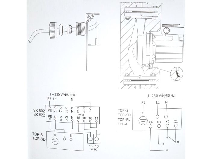
Схема підключення та схема установки циркуляційного насоса TOP-S 30/10 виробника Wilo наведені в інструкції по монтажу і експлуатації, яка додається до насоса, в якій Ви можете знайти відповіді на питання як правильно встановити і підключити циркуляційний насос.
Подивитися розрахунок циркуляційного насоса.
Детальніше
- Виробник
- Wilo
- Потужність, Вт
- 390
- Продуктивність, max м3/год
- 10.2
- Напір, мах м
- 11.8
- Напруга живлення, В
- 230
- Діаметр
- DN 32 (1 1/4")
- З'єднання
- муфтове
- Монтажне виконання
- 180 мм
- Керування
- 3 частоти обертання










