Описание
Циркуляционный насос TOP-S 30/10 EM производителя Wilo применяется в таких сферах как системы отопления, циркуляционные установки промышленного типа, а также системы кондиционирования и закрытые контуры охлаждения.
Насос для отопления TOP-S 30/10 производителя Wilo имеет три частоты вращения. Оптимальную производительность насоса для Вашей гидросистемы можно выбрать с помощью ручного переключателя скоростей. Кроме того, переключая насос на более низкую частоту вращения, Вы можете снизить уровень энергопотребления. Циркуляционный насос TOP-S 30/10 Wilo – это насос с «мокрым ротором», то есть все движущиеся части, включая и ротор, омываются рабочей жидкостью, которая смазывает подшипники и охлаждает ротор. В насосах данной серии не требуются уплотнения для валов.
В комплекте поставляются
- Насос для циркуляции TOP-S 30/10 с однофазным двигателем
- Два уплотнения
- Теплоизоляционный кожух, состоящий из двух частей
- Инструкция по монтажу и эксплуатации
Характеристики циркуляционных насосов TOP-S 30/10 производителя Wilo:
- максимальное рабочее давление: 10 бар
- максимальный напор: 11,8 м
- максимальный расход: 10,2 м3/час
- потребляемая мощность: 340-345-410 Вт
- потребляемый ток: 0,35-0,55-0,65 А
- частота вращения: 2300-2500-2600 об/мин
- температура перекачиваемой жидкости: -20 ºC до +130 ºC
- класс нагревостойкости изоляции- F* допускается режим непрерывной эксплуатации
- подключение к сети: 1~230В/50Гц
- присоединение к трубопроводу: Rp 11/4”
- монтажная длина: 180 мм
- вес: 6,3 кг
Напорная характеристика циркуляционных насосов TOP-S 30/10 производителя Wilo:
Циркуляционные TOP-S 30/10 производителя Wilo могут перекачивать:
воду для систем отопления;
смесь воды и гликоля (макс. 1:1)
Материалы циркуляционных насосов Wilo TOP-S 30/10:
- корпус изготовлен из серого чугуна
- рабочее колесо - пластик
- вал – нержавеющая сталь
- подшипник – металлографит
Преимущества циркуляционного насоса Wilo TOP-S 30/10:
- возможно использование при температурах жидкости в диапазоне от 20оС…+130оС
- три фиксированные скорости частоты вращения
- мокрый ротор двигателя
- катафорезное покрытие корпуса насоса, которое предотвращает коррозию насоса, в случае образования конденсата
- монтаж с горизонтальным расположением вала
Габаритный чертеж
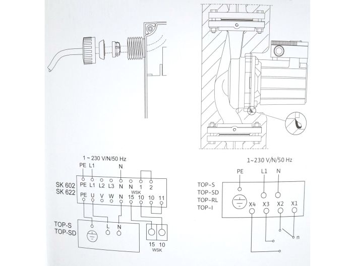
Схема подключения и схема установки циркуляционного насоса TOP-S 30/10 производителя Wilo приведены в инструкции по монтажу и эксплуатации, которая прилагается к насосу, в которой Вы можете найти ответы на вопросы как правильно установить и подключить циркуляционный насос.
Посмотреть расчет циркуляционного насоса.
Подробнее о товаре
- Производитель
- Wilo
- Мощность, Вт
- 390
- Производительность, max м3/ч
- 10.2
- Напор, мах м
- 11.8
- Напряжение питания, В
- 230
- Диаметр
- DN 32 (1 1/4")
- Соединение
- муфтовое
- Монтажное исполнение
- 180 мм
- Управление
- 3 частоты вращения










