Р1/Р2 3900/3100 Вт, U 400, V 93 л, H max 37 м, Q max 18,4 м³/год (5,11 л/с)
Діаметр частинок 50 мм, T° до 40 °C
Насосна станція для водовідведення, насос із різальним механізмом, пульт керування Grundfos LC231
Артикул 97901132
Гарантія 2 роки
Рекомендовані товари
Опис
MOG.31.3.2 Multilift Grundfos 97901132 - каналізаційна насосна станція для збору та перекачування стічних вод у центральну каналізацію у разі, якщо немає можливості вільного протоку стоків
Насосна станція Grundfos MOG Multilift складається з повністю інтегрованого збірного резервуара з насосом-подрібнювачем та занурювальним двигуном, встановленим на збірному резервуарі, а також попередньо змонтованого контролера, включаючи датчик рівня (зворотні клапани та зливні труби потрібно придбати додатково)
Станція MOG Multilift обладнана одним насосом з різальним механізмом для подрібнення твердих частинок та робочим колесом Vortex
Станція Grundfos Multilift MOG.31.3.2 поставляється з контролером рівня LC 231 для керування та контролю насоса. Контролер здійснює контроль рівня, моніторинг та захист насосної станції. Налаштування контролера можна виконати за допомогою програми Grundfos GO. Він легко інтегрується в лінійку комунікаційних модулів Grundfos, забезпечуючи легке вбудовування в будь-яку систему управління, наприклад, SCADA або Grundfos CLOUD
Насос для каналізації MOG.31.3.2 Multilift розроблений відповідно до стандарту EN12050-1, схвалений та контролюється зовнішнім інститутом LGA. Додаткові сертифікати VDE, GHOST, CB, EMV
Насосні станції Multilift MOG.31.3.2 можуть перекачувати такі рідини
- побутові стічні води
- забруднені стічні води з фекаліями
- забруднені стічні води з фекаліями та стоки з унітазу
- вода з вмістом мулу
Характеристики насосної станції Grundfos Multilift MOG.31.3.2
- Модель Multilift MOG.31.3.2
- Артикул 97901132
- Бренд Grundfos
- Призначення збирання та відведення побутових стічних вод
- Особливість конструкції ріжучий механізм
- Номінальна витрата 3,2 м³/год (0,889 л/с)
- Номінальний напір 34,9 м
- Максимальний потік 18,4 м³/год (5,11 л/с)
- Максимальний напір 37 м
- Діаметр частинок до 50 мм
- Корпус насоса чавун
- Торцеве ущільнення SIC/SIC
- Бак пластик, LDPE
- Діапазон температури навколишнього середовища 0 .. 40 °С
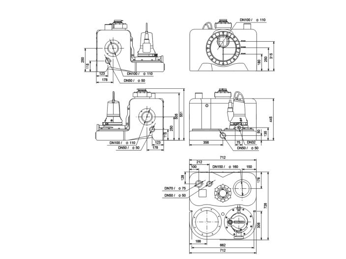
- Розмір вихідного з'єднання DN 32
- Номінальний тиск для підключення PN 6
- Діапазон температур рідини 0..40 °С
- Щільність 998,2 кг/м³
- Електродвигун занурювальний з вихровим робочим колесом Vortex
- Вхідна потужність P1 3,9 кВт
- Номінальна потужність P2 3,1 кВт
- Частота мережі 50 Гц
- Номінальна напруга 3х400 В +10/-10%
- Режим роботи повторно-короткочасний S3-35%, 1 хвилина
- Кількість запусків годину 60
- Номінальний струм 6,3 А
- Cos phi коефіцієнт потужності 0,86
- ККД двигуна при повному навантаженні 84%
- Кількість полюсів 2
- Клас захисту IP68
- Клас ізоляції F
- Вбудований захист двигуна біметалічний термовимикач
- Довжина кабелю 1,5 м
- Кабель двигуна 10 м
- Тип кабелю H07RN-F
- Роз'єм живлення CEE 3P+N+E
- Мережевий кабель H05VV-F
- Тип блоку керування LC231
- Загальний об'єм резервуару 93 л
- Загальний ефективний об'єм збірного резервуару на вході 180 мм 23 л
- Загальний ефективний об'єм збірного резервуару на вході 250 мм 37 л
- Загальний ефективний об'єм збірного резервуару на вході 315 мм 50 л
- Габарити 712х726х551 мм
- Вага нетто 96,4 кг
- Вага брутто 120 кг
Детальніше
- Виробник
- GRUNDFOS
- Потужність, Вт
- 3100
- Продуктивність, max м3/год
- 18
- Напір, мах м
- 37
- Об'єм, л
- 93
- Напруга живлення, В
- 400
- Діаметр
- DN 32 (1 1/4")
- Застосування
- з подрібнювальним насосом
- Модель насоса
- Grundfos Multilift MOG
6603
97901132







