Р1/Р2 10500/9200 Вт, U 400, V 450 л, H max 37 м, Q max 90 м³/год (25 л/с)
Діаметр частинок 65 мм до 40°C
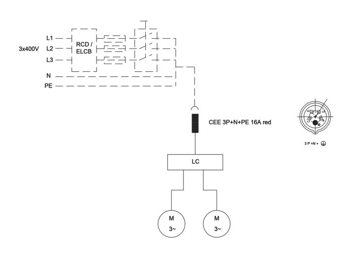
Насосна станція для водовідведення, два насоси Grundfos SLV, пульт керування Grundfos LC231, LC241
Артикул 97577853
Гарантія 2 роки
Рекомендовані товари
Опис
MDV.80.80.92.2.51D /450.SL Multilift Grundfos 97577853 - каналізаційна насосна станція для збирання та перекачування стічних вод у центральну каналізацію у разі, якщо немає можливості вільного протоку стоків. Як правило, станцію встановлюють нижче рівня каналізації в підвалах та цокольних поверхах будівель
Насосна станція Grundfos MDV Multilift складається з повністю інтегрованого збірного резервуара об'ємом 450 л з двома горизонтальними занурювальними насосами SLV з робочим колесом SuperVortex, контролера, включаючи аналоговий датчик рівня та аксесуари для підключення.
Герметичний, запахонепроникний бак установки виготовлений з міцного поліетилену та має всі необхідні отвори для підключення впускних, випускних, вентиляційних труб та ручного мембранного насосу 96003721 (потрібно придбати окремо). Всередині бака два патрубка для насосів підключені до коліна всмоктувальної труби, що дозволяє здійснювати відсмоктування з дна. У результаті залишковий об'єм знижується до мінімуму.
Каналізаційна установка Grundfos MDV.80.80.92.2.51D /450.SL поставляється з контролером рівня LC 231 для керування та контролю насоса. Контролер здійснює контроль рівня, моніторинг та захист насосної станції. Налаштування контролера можна виконати за допомогою програми Grundfos GO. Він легко інтегрується в лінійку комунікаційних модулів Grundfos, забезпечуючи легке вбудовування в будь-яку систему управління, наприклад, SCADA або Grundfos CLOUD
Насос для каналізації MDV.80.80.92.2.51D /450.SL Multilift розроблений відповідно до стандарту EN12050-1, схвалений та контролюється зовнішнім інститутом LGA. Додаткові сертифікати: VDE, GHOST, CB, EMV
Насосні станції Multilift MDV.80.80.92.2.51D /450.SL можуть перекачувати такі рідини
- побутові стічні води
- забруднені стічні води з фекаліями та стоки з туалетів
- вода, що містить мул
Переваги насосної станції Grundfos Multilift MDV.80.80.92.2.51D /450.SL
- вільний прохід до 80 мм для надійної та беззасорної роботи
- унікальна система затискачів дозволяє демонтувати гідравліку та двигун за декілька хвилин
- Кришка інспекції дозволяє оглядати бак під час роботи
- водонепроникна вилка кабелю з нержавіючої сталі для простоти обслуговування та ремонту
- картридж з подвійним ущільненням валу для простоти обслуговування та ремонту
- двигун з термовимикачами всередині обмотки
- запатентована система охолодження для безперервної роботи в насосах
- двигун з термовимикачами всередині обмотки
Характеристики насосної станції Grundfos Multilift MDV.80.80.92.2.51D /450.SL
- Модель Multilift MDV.80.80.92.2.51D /450.SL
- Артикул 97577853
- Бренд Grundfos
- Назначение сбора и отвода бытовых сточных вод
- Количество насосов 2
- Номинальный расход 19,8 м³/ч (5,5 л/с)
- Номинальный напор 34,5 м
- Максимальный поток 90 м³/ч (25 л/с)
- Максимальный напор 37 м
- Диаметр частиц до 80 мм
- Насос SLV.80.80.92.2.51D
- Корпус насоса чугун
- Рабочее колесо SuperVortex
- Уплотнение вала SIC/SIC
- Максимальный гидравлический КПД 39%
- Бак пластик, LDPE
- Диапазон температуры окружающей среды 0..40 °С
- Размер исходного соединения DN 80
- Номинальное давление для подключения PN 10
- Максимальная глубина монтажа 2 м
- Диапазон температуры жидкости 0..40 °С
- Плотность 998,2 кг/м³
- Электродвигатель погружной с вихревым рабочим колесом Vortex
- Входная мощность P1 10,5 кВт
- Номинальная мощность P2 9,2 кВт
- Частота сети 50 Гц
- Номинальное напряжение 3х380-415 В +6/-10%
- Режим работы повторно-кратковременный S3-50%, 1 минута
- Пуск звезда-треугольник (SD)
- Количество запусков час 60
- Номинальный ток 18 А
- Номинальный ток при погрузке 3/4 13,4 А
- Номинальный ток при погрузке 1/2 10,0 А
- Пусковой ток 162 А
- Номинальный ток без нагрузки 5,6 А
- Cos phi коэффициент мощности 0,89
- Cos phi без погрузки 0,16
- Cos phi при погрузке 3/4 0,85
- Cos phi при погрузке 1/2 0,78
- Крутящий момент заблокированного ротора 69 Нм
- Крутящий момент пробоя 99 Нм
- КПД двигателя при полной нагрузке 87,6%
- КПД двигателя при нагрузке 3/4 87,4%
- КПД двигателя при нагрузке 1/2 85,4%
- Количество полюсов 2
- Класс защиты IP68
- Класс изоляции F
- Встроенная защита термовыключатель
- Кабель H07RN-F 10 м
- Общий объем резервуара 450 л
- Общий эффективный объем сборного резервуара на входе 180 мм. 120 л
- Общий эффективный объем сборного резервуара на входе 250 мм 240 л
- Вес нетто 442 кг
- Вес брутто 538 кг
Детальніше
- Виробник
- GRUNDFOS
- Потужність, Вт
- 9200
- Продуктивність, max м3/год
- 90
- Напір, мах м
- 37
- Об'єм, л
- 450
- Напруга живлення, В
- 400
- Діаметр
- DN 80 (3")
- Застосування
- забруднені стічні води
- Модель насоса
- Grundfos Multilift MD
6624
97577853







