Р1/Р2 8900/7500 Вт, U 400, V 450 л, H max 33,8 м, Q max 90 м³/год (25 л/с)
Діаметр частинок 65 мм до 40°C
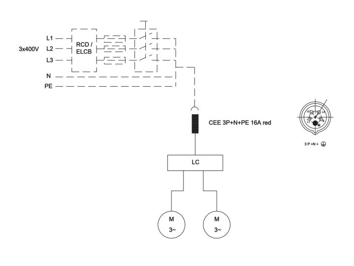
Насосна станція для водовідведення, два насоси Grundfos SLV, пульт керування Grundfos LC231
Артикул 97577840
Гарантія 2 роки
Рекомендовані товари
Опис
MDV.80.80.75.2.51D /450.SL Multilift Grundfos 97577840 - каналізаційна насосна станція для збирання та перекачування стічних вод у центральну каналізацію у разі, якщо немає можливості вільного протоку стоків. Як правило, станцію встановлюють нижче рівня каналізації в підвалах та цокольних поверхах будівель
Насосна станція Grundfos MDV Multilift складається з повністю інтегрованого збірного резервуара об'ємом 450 л з двома горизонтальними занурювальними насосами SLV з робочим колесом SuperVortex, контролера, включаючи аналоговий датчик рівня та аксесуари для підключення.
Герметичний, запахонепроникний бак установки виготовлений з міцного поліетилену та має всі необхідні отвори для підключення впускних, випускних, вентиляційних труб та ручного мембранного насосу 96003721 (потрібно придбати окремо). Всередині бака два патрубка для насосів підключені до коліна всмоктувальної труби, що дозволяє здійснювати відсмоктування з дна. У результаті залишковий об'єм знижується до мінімуму.
Каналізаційна установка Grundfos MDV.80.80.75.2.51D /450.SL поставляється з контролером рівня LC 231 або 241 для керування та контролю насоса. Контролер здійснює контроль рівня, моніторинг та захист насосної станції. Налаштування контролера можна виконати за допомогою програми Grundfos GO. Він легко інтегрується в лінійку комунікаційних модулів Grundfos, забезпечуючи легке вбудовування в будь-яку систему управління, наприклад, SCADA або Grundfos CLOUD
Насос для каналізації MDV.80.80.75.2.51D /450.SL Multilift розроблений відповідно до стандарту EN12050-1, схвалений та контролюється зовнішнім інститутом LGA. Додаткові сертифікати: VDE, GHOST, CB, EMV
Насосні станції Multilift MDV.80.80.75.2.51D /450.SL можуть перекачувати такі рідини
- побутові стічні води
- забруднені стічні води з фекаліями та стоки з туалетів
- вода, що містить мул
Переваги насосної станції Grundfos Multilift MDV.80.80.75.2.51D /450.SL
- вільний прохід до 80 мм для надійної та беззасорної роботи
- унікальна система затискачів дозволяє демонтувати гідравліку та двигун за декілька хвилин
- Кришка інспекції дозволяє оглядати бак під час роботи
- водонепроникна вилка кабелю з нержавіючої сталі для простоти обслуговування та ремонту
- картридж з подвійним ущільненням валу для простоти обслуговування та ремонту
- двигун з термовимикачами всередині обмотки
- запатентована система охолодження для безперервної роботи в насосах
- двигун з термовимикачами всередині обмотки
Характеристики насосної станції Grundfos Multilift MDV.80.80.75.2.51D /450.SL
- Модель Multilift MDV.80.80.75.2.51D /450.SL
- Артикул 97577840
- Бренд Grundfos
- Призначення збору та відведення побутових стічних вод
- Кількість насосів 2
- Номінальна витрата 19,8 м³/год (5,5 л/с)
- Номінальний натиск 31 м
- Максимальний потік 90 м³/год (25 л/с)
- Максимальний тиск 33,8 м
- Діаметр частинок до 80 мм
- Насос SLV.80.80.75.2.51D
- Корпус насоса чавун
- Робоче колесо SuperVortex
- Ущільнення валу SIC/SIC
- Максимальний гідравлічний ККД 39%
- Бак пластик, LDPE
- Діапазон температури довкілля 0..40 °С
- Розмір вихідної сполуки DN 80
- Номінальний тиск для підключення PN 10
- Максимальна глибина монтажу 2 м
- Діапазон температури рідини 0..40 °С
- Щільність 998,2 кг/м³
- Електродвигун занурювальний з вихровим робочим колесом Vortex
- Вхідна потужність P1 8,9 кВт
- Номінальна потужність P2 7,5 кВт
- Частота мережі 50 Гц
- Номінальна напруга 3х380-415 В +6/-10%
- Режим роботи повторно-короткочасний S3-50%, 1 хвилина
- Пуск зірка-трикутник (SD)
- Кількість запусків годину 60
- Номінальний струм 16,2 А
- Номінальний струм під час навантаження 3/4 12,7 А
- Номінальний струм під час навантаження 1/2 10,4 А
- Пусковий струм 152 А
- Номінальний струм без навантаження 7,8 А
- Cos phi коефіцієнт потужності 0,83
- Cos phi без навантаження 0,14
- Cos phi при завантаженні 3/4 0,76
- Cos phi при завантаженні 1/2 0,65
- Крутний момент заблокованого ротора 80 Нм
- Крутний момент пробою 112 Нм
- ККД двигуна при повному навантаженні 84,8%
- ККД двигуна при навантаженні 3/4 83,8%
- ККД двигуна при навантаженні 1/2 80,1%
- Кількість полюсів 2
- Клас захисту IP68
- Клас ізоляції F
- Вбудований захист термовимикач
- Кабель H07RN-F 10 м
- Загальний об'єм резервуару 450 л
- Загальний ефективний обсяг збірного резервуару на вході 180 мм. 120 л
- Загальний ефективний об'єм збірного резервуару на вході 250 мм 240 л
- Вага нетто 364 кг
- Вага брутто 461 кг
Детальніше
- Виробник
- GRUNDFOS
- Потужність, Вт
- 7500
- Продуктивність, max м3/год
- 90
- Напір, мах м
- 33.8
- Об'єм, л
- 450
- Напруга живлення, В
- 400
- Діаметр
- DN 80 (3")
- Застосування
- забруднені стічні води
- Модель насоса
- Grundfos Multilift MD
6623
97577840







