Рекомендовані товари
Опис
M.24.3.4 Multilift Grundfos 97901070 - каналізаційна насосна станція для збирання та перекачування стічних вод у центральну каналізацію у разі, якщо немає можливості вільної протоки стоків
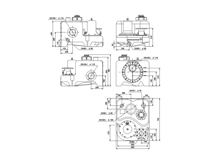
Насосна станція Grundfos Multilift складається з повністю інтегрованого збірного резервуара з насосом і занурювальним двигуном, зворотного клапана, випускного адаптера з гнучким з'єднувальним елементом DN100, встановленого на збірному резервуарі, та попередньо підключеного контролера, включаючи датчик рівня
Станція Grundfos Multilift M.24.3.4 поставляється з контролером рівня LC231 для керування та контролю насоса. Контролер здійснює контроль рівня, моніторинг та захист насосної станції. Налаштування контролера можна виконати за допомогою програми Grundfos GO. Він легко інтегрується в лінійку комунікаційних модулів Grundfos, забезпечуючи легке вбудовування в будь-яку систему управління, наприклад, SCADA або Grundfos CLOUD
Насос для каналізації M.24.3.4 Multilift розроблений відповідно до стандарту EN12050-1, схвалений та контролюється зовнішнім інститутом LGA. Додаткові сертифікати: VDE, GHOST, CB, EMV
Насосні станції Multilift M.24.3.4 можуть перекачувати такі рідини
- побутові стічні води
- забруднені стічні води без фекалій
- забруднені стічні води з фекаліями та стоки з унітазу
- вода з вмістом мулу
Каналізаційні насосні станції Grundfos Multilift M здатні перекачувати рідину, що містить волокна, текстиль та фекалії, яка знаходиться нижче рівня центральної каналізації
Не допускайте стоку таких рідин:
- тверді речовини, смоли, з високим вмістом піску
- стічні води з санітарних установок
- стічні води, що містять велику кількість жирних стічних вод
Характеристики насосної станції Grundfos Multilift M.24.3.4
- Модель Multilift M.24.3.4
- Артикул 97901070
- Бренд Grundfos
- Призначення збирання та відведення побутових стічних вод
- Максимальний потік 52 м³/год (14,4 л/с)
- Максимальний тиск 14,9 м
- Діаметр частинок до 50 мм
- Тип зворотного клапана відкидний клапан
- Корпус насосу композитний
- Робоче колесо технополімер Luranil
- Бак пластик, ПВД
- Прокладка NBR
- Діапазон температури навколишнього середовища 0 .. 40 °С
- Розмір вихідного з'єднання DN 80
- Номінальний тиск для підключення PN 6
- Діапазон температур рідини 0..40 °С
- Щільність 998,2 кг/м³
- Електродвигун занурювальний з вихровим робочим колесом Vortex
- Вхідна потужність P1 3,1 кВт
- Номінальна потужність P2 2,7 кВт
- Частота мережі 50 Гц
- Номінальна напруга 1х230 В +10/-6 %
- Режим роботи повторно-короткочасний S3-50%, 1 хвилина
- Номінальний струм 2 х 5,5 А
- Cos phi коефіцієнт потужності 0,81
- ККД двигуна при повному навантаженні 86,2 %
- Кількість полюсів 2
- Клас захисту IP68
- Клас ізоляції F
- Вбудований захист двигуна біметалічний термовимикач
- Довжина кабелю 1,5 м
- Кабель двигуна 4 м
- Тип кабелю H07RN-F
- Роз'єм живлення CEE 3P+N+E
- Мережевий кабель H05VV-F
- Тип блоку керування LC231
- Загальний об'єм резервуару 92 л
- Загальний ефективний об'єм збірного резервуару на вході 180 мм 34 л
- Загальний ефективний об'єм збірного резервуару на вході 250 мм 49 л
- Загальний ефективний об'єм збірного резервуару на вході 315 мм 62 л
- Габарити 740х580х551 мм
- Вага нетто 71,7 кг
- Вага брутто 94,9 кг
Детальніше
- Виробник
- GRUNDFOS
- Потужність, Вт
- 2700
- Продуктивність, max м3/год
- 51
- Напір, мах м
- 15
- Об'єм, л
- 92
- Напруга живлення, В
- 400
- Діаметр
- DN 80 (3")
- Застосування
- забруднені стічні води
- Модель насоса
- Grundfos Multilift M
6583
97901070






