Опис
Перехідники Unideltaпредставляють спеціальні вироби для надійного з'єднання труб з поліетилену, поліпропілену і ПВХ із зовнішнім діаметром від 16 до 110 мм. Повна сумісність з трубами з поліетилену. Перехідники Унідельта застосовуються в трубопроводи з ПЕ, ПП, ПВХ, в водопостачанні, промисловості. Перехідники не використовуються для гарячої води.
Перехідники Unidelta мають наступні переваги :
- Герметичність
- Максимальний робочий тиск 16 бар
- Легкий і швидкий монтаж без попередньої підготовки
- Тривалий термін служби
- Довговічність
Перехідники Унідельта мають високу опірність до різних хімічних речовин і стійкі до променів УФ.
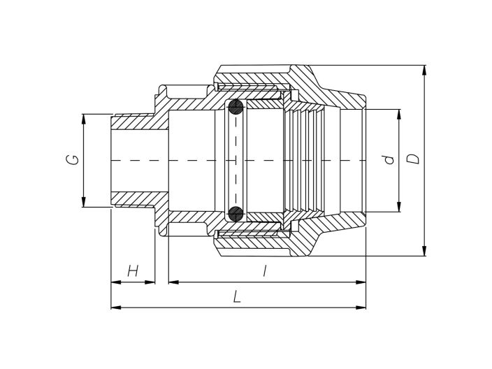
Перехідник НР (1003) ø32х1 " :
Діаметр1: 32мм
Діаметр2: 1 " зовнішня різьба
Максимальний тиск: 16 бар
Детальніше
- Виробник
- UNIDELTA
- Діаметр
- DN 32 (1 1/4")
- Вид
- перехідник





