Опис
Основне призначення компресійних фітингів UNIDELTA з поліпропілену - забезпечення гідравлічної герметизації в системах розподілу води під тиском.
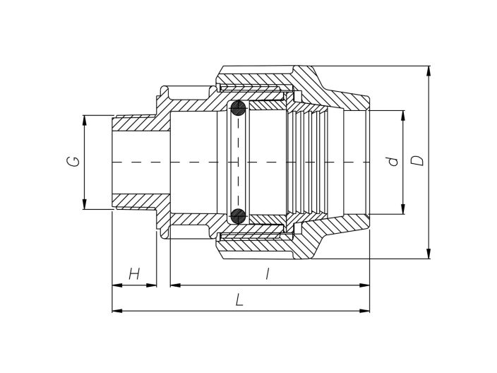
Перехідник НР Унідельта (1003) d 32 х 1/2 " складається з:
- чорного поліпропіленового корпусу (ПП)
- круглої прокладки з нітриловою гуми (HP)
- білого затискного кільця з Поліацеталь (ПОМ)
- блакитний гайки з поліпропілену (ПП)
Компресійні фітинги UNIDELTA можна купити в інтернет магазині Насосвдом. Ціни низькі. Швидка доставка по всій Україні.
Повна відповідність всім нормативним вимогам для транспортування питної води і харчових рідин.
Діаметр1 (d) = 32 мм
Діаметр2 (G) = 1/2 " зовнішня різьба
Максимальний тиск : 16 бар
Детальніше
- Виробник
- UNIDELTA
- Діаметр
- DN 32 (1 1/4")
- Вид
- перехідник
4262
16472





