Частотний перетворювач Mitsubishi FR-D740-050-EC
Опис
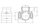
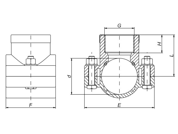
Хомут для поліетиленових труб ø 32x3/4" застосовується спільно з поліетиленовими пластиковими трубами. Хомут для врізки необхідно купувати для з'єднання ПЕ труб. Хомут для поліетиленових труб використовується для відводу від основної магістралі водопостачання. При монтажі розріз труби не потрібний. Насосвдом пропонує широкий асортимент одинарних і подвійних обтискних хомутів для труб діаметром від 25 до 200 мм.
Монтаж простий і не вимагає спеціальних знань і інструменту. Витримують номінальний тиск від 10 до 16 атмосфер. Стійкість до ультрафіолетових променів. Хомут для поліетиленових труб Unidelta ø32 з армованою різьбою. Кінець різьби посилений кільцем з нержавіючої сталі
Технічні характеристики
- Діаметр 32 мм
- Внутрішня різьба 3/4"
- Максимальний тиск 16 бар
- Артикул 1026
Детальніше
- Виробник
- UNIDELTA
- Діаметр
- DN 32 (1 1/4")
- Вид
- хомут





