1500 Вт, 230 В, I 9,1 А, Qmax 7,5 м³/год, Hmax 65 м, бак 2 л, кабель 1,5 м з вилкою, габарити 350х217х550 мм, вага 30 кг
Установка підвищення тиску Grundfos CMBE5-62 I-U-C-C-D-B із вбудованим частотним перетворювачем
Артикул 98374704
Гарантія 2 роки
Опис
CMBE5-62 I-U-C-C-D-B Grundfos 98374704 - компактна установка підвищення тиску для застосування в комунально-господарському секторі та в побуті
Інтегрований регулятор швидкості дозволяє установці CMBE 5-62 підтримувати постійний тиск у трубопровідній мережі. Датчик тиску, що відстежує зміни в обсягах витрати води, подає сигнал на регулятор швидкості, щоб змінити частоту обертання електродвигуна та адаптувати рівень продуктивності до нового стану
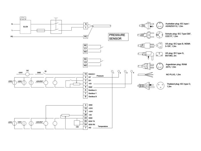
Встановлення підвищення тиску Grundfos CMBE 5-62 не потребує особливих зусиль для встановлення. Після монтажу Вам достатньо підключити Grundfos CMBE до розетки (тип кабельної вилки: SCHUKO, мережевий кабель: 1.5 м) і система почне працювати
Насоси підвищення тиску CMBE не потребують зовнішнього захисту двигуна. Двигун включає термічний захист від повільних перевантажень та блокування
Комплектація станції Grundfos CMBE 5-62
- насос CMBE із вбудованим перетворювачем частоти
- 5-ходовий клапан
- розширювальний бак на 2 літри
- датчик тиску
- манометр
Переваги насосної станції GRUNDFOS CMBE 5-62
- постійний тиск
- вбудований контроль швидкості
- компактність
- жорстка конструкція
- нержавіюча сталь
- проста та швидка установка
- захист від сухого ходу
Технічні характеристики станції водопостачання Грундфос CMBE 5-62
- Модель CMBE5-62 I-U-C-C-D-B
- Артикул Grundfos 98374704
- Призначення водопостачання, підтримання постійного тиску
- Висота всмоктування 1 м (несамовсмоктуючий)
- Максимальна продуктивність 7,5 м³/год
- Максимальний натиск 66 м
- Номінальна продуктивність 6 м³/год
- Номінальний тиск 48 м
- Напруга живлення 1x200-240 В
- Номінальна потужність P2 1500 Вт 50 Гц
- Споживання струму 9,10-7,60 А
- Номінальна швидкість обертання двигуна 360-4000 об/хв.
- Управління вбудований частотний перетворювач
- Конектор Type E/F (CEE7/7)
- Клас захисту (IEC 34-5) IP55
- Клас ізоляції (IEC 85) F
- Мережевий кабель 1,5 м із штекером Schuko
- Вода, що перекачується
- Температура рідини від 0 до 60°С
- Щільність 998,2 кг/м³
- Максимальний тиск 10 бар
- Корпус насоса нержавіюча сталь AISI 304
- Робоче колесо нержавіюча сталь AISI 304
- Ущільнення EPDM
- Ущільнення валу AVBE
- Зворотний клапан є
- Патрубок вхідний 1 1/4"
- Патрубок вихідний 1"
- Бак напірний 2 л
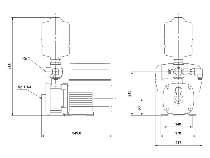
- Габарити 350х217х455 мм
- Вага нетто 19,3 кг
- Вага брутто 29,8 кг
- Гарантія 2 роки
Детальніше
- Виробник
- GRUNDFOS
- Потужність, Вт
- 1500
- Продуктивність, max м3/год
- 7.5
- Напір, мах м
- 65
- Об'єм, л
- 2
- Матеріал корпусу
- нержавіюча сталь
- Керування
- електронний контролер
- Матеріал робочих колес
- нержавіюча сталь







