Опис
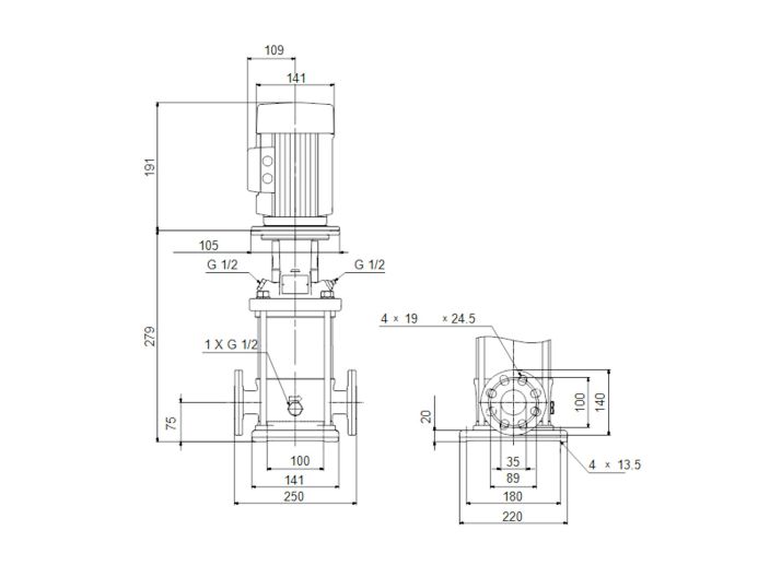
Вертикальний багатоступінчастий відцентровий насос CR 1S-3 A-FGJ-A-E-HQQE з напірним і всмоктуючим патрубками, розташованими на одному рівні ( " ін-лайн"), що забезпечує можливість установки в горизонтальній однотрубної системі. Головна частина і основа насоса виготовлені з чавуну - всі інші, які контактують з рідиною, що перекачується деталі, з нержавіючої сталі. Конструкція насоса, завдяки Картриджні ущільнення вала забезпечує високу надійність, безпечне використання і легкий доступ для обслуговування. Обертання передається через роз'ємну муфту. З'єднання трубопроводу виконується за допомогою комбінованих фланців стандартів DIN-ANSI-JIS. Насос оснащений асинхронним 3-фазним електродвигуном на лапах, з повітряним охолодженням.
Особливості та переваги насоса GRUNDFOS CR
- Надійність;
- Енергоефективність;
- Зручність технічного обслуговування;
- Компактність;
- Придатний для слабо агресивних рідин;
- Висока корозійна стійкість;
- Можливість створення високого тиску за допомогою тільки одного насоса.
Умови експлуатації
Максимальна температура навколишнього середовища : 40 ° C
Максимальний робочий тиск : 25 бар
Діапазон температур рідини: -20.. 120 ° C
Технічні характеристики

Швидкість насоса, при якій розраховані його характеристики: 2856 об/хв
Розмір всмоктуючого патрубка а DN 25/32
Розмір напірного патрубка DN 25/32
Розташування насоса при монтажі: вертикальне
Тип установки ущільнення: одинарне
Код торцевого ущільнення валу: HQQE
Вага: 23.1 кг
Матеріали
Основа і головна частина чавун
Основа і головна частина EN 1561 EN-GJL-200
Основа і головна частина ASTM A48-25B
Робоче колесо нержавіюча сталь
Робоче колесо EN 1.4301
Робоче колесо AISI 304

Детальніше
- Виробник
- GRUNDFOS
- Потужність, Вт
- 370
- Продуктивність, max м3/год
- 1.13
- Напір, мах м
- 18.2
- Діаметр
- DN 25 (1")
DN 32 (1 1/4")





