400 В, P1 8,4 кВт, P2 7,5 кВт, I 14,4 А, Q max 145 м³/год, Н max 19,9 м, кабель 10 м без вилки
Несамовсмоктуючий одноступінчастий відцентровий насос для стічних вод
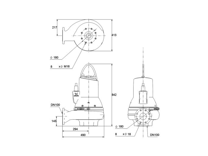
Робоче колесо SuperVortex чавун, корпус чавун, вхідний фланець DN100, фланець вихідний DN100
Датчик вологості
Артикул 98624704
Гарантія 2 роки
Рекомендовані товари
Опис
Grundfos SLV.100.100.75.4.51D.C (98624704) - насос для відведення каналізаційних, технологічних та неочищених стічних вод. Це одноступінчастий занурювальний блоковий агрегат з фланцевим напірним патрубком. Робоче колесо свободновихревое технології SuperVortex із чавуну. При такій конструкції робоча рідина йде поза робочим колесом, тому насос може перекачувати необроблені стоки, що включають абразивні речовини, волокна, частини тканини. Насос не засмічується та не заклинює, знижується кількість простоїв і, як наслідок, зменшуються витрати на сервісне та технічне обслуговування насоса. Насос підходить для перекачування стічних вод з вмістом сухої речовини до 5%. Встановлювати насос можна як вільно, так і на автоматичній трубній муфті (96090994)
Застосування насоса SLV.100.100.75.4.51D.C Grundfos
- відведення поверхневих вод з абразивними включеннями
- локальні каналізаційні мережі
- відведення стічних вод від будівель та споруд
- відведення грязьових стоків, води з волокнистими включеннями
Насос для брудної води SLV.100.100.75.4.51D.C Грундфос із занурювальним двигуном може працювати в безперервному та переривчастому режимах під час занурювальної установки. При частково зануреному електродвигуні повинен дотримуватися режим повторно короткочасних включень. Тривалість робочого циклу не більше 40%, максимальна кількість пусків/зупинок - 20 за годину
Переваги насоса SLV.100.100.75.4.51D.C Grundfos
- Датчики вологості
- Герметичне кабельне з'єднання за допомогою сталевого роз'єму з поліуретановим осердям
- Вільновихреве робоче колесо SuperVortex працює без засмічень з високою продуктивністю
- Безперервна робота у зануреному стані
- Картриджеве ущільнення валу скорочує час на обслуговування насоса.
- Надійні шарикопідшипники
- Електродвигун захищений від перегріву вбудованим датчиком температури
Технічні характеристики Grundfos SLV.100.100.75.4.51D.C
- Модель: SLV.100.100.75.4.51D.C
- Артикул: 98624704
- Призначення: перекачування стічних та технологічних вод
- Максимальний тиск: 19,9 м
- Максимальна продуктивність: 145,08 м3/година (40,3 л/с)
- Напір номінальний: 14,02 м
- Продуктивність номінальна: 91,44 м³/год (25,4 л/с)
- Температура робочої рідини до 40 ° С, короткочасно не більше 1 хвилини до 60°С
- Робоча рідина: вода з рівнем pH 4-10 із жорсткими включеннями до 100 мм
- Максимальна глибина занурення 7 м
- Патрубок вхідний фланцевий: DN100
- Патрубок вихідний фланцевий: DN100
- Максимальний робочий тиск 6 бар
- Номінальний тиск для підключення 10 бар
- Монтаж: вільна установка, на автомуфті (96090994)
Електрообладнання та додаткова інформація
- Електродвигун: асинхронний
- Потужність: P1 8400 Вт
- Номінальна потужність: P2 7500 Вт
- Частота мережі: 50 Гц
- Номінальна напруга: 3 х 380-415 В
- Максимальна кількість запусків за годину: 20
- Номінальний струм: 14,4 А
- Пусковий струм: 111
- Cos phi коефіцієнт потужності: 0,83
- Cos phi при навантаженні 3/4: 0,78
- Cos phi при навантаженні 1/2: 0,68
- Номінальна швидкість: 1462 об/хв
- Кількість полюсів: 4
- ККД двигуна при повному навантаженні: 90,5%
- ККД двигуна при навантаженні 3/4: 91,1%
- ККД двигуна при навантаженні 1/2: 90,7%
- Спосіб запуску: зірка-трикутник (SD)
- Клас захисту: IP68
- Клас ізоляції (IEC 85): H (180°С)
- AutoAdapt: ні
- Вибухобезпечність: ні
- Блок управління: ні
- Датчик вологості: так
- Датчик води в мастилі: ні
- Вбудований захист двигуна: термовимикач
- Кабель живлення: LYNIFLEX без вилки, 10 м
- Вас нетто: 170 кг
- Вага брутто: 189 кг
Матеріали насоса Grundfos SLV.100.100.75.4.50D.C (98626036)
- Корпус насоса: чавун EN-GJL-250
- Епоксидне покриття: колір NSC 8005 R80B, глянець 35
- Робоче колесо: чавун EN-GJL-500-7
- Підстава: чавун EN-GJL-250
- Корпус статора: чавун EN-JL-1030
- Захисна решітка: нержавіюча сталь
- Вал, ротор: сталь, нержавіюча сталь AISI 304
- Хомут: нержавіюча сталь AISI 304
- Ручка: нержавіюча сталь
- Кабель: 07RN8-F водозахищений
- Болти: нержавіюча сталь
- Механічне ущільнення валу: карбід кремнію/карбід кремнію, графіт/оксид алюмінію, NBR гума, нержавіюча сталь
- Кільця ущільнювачів: гума NBR
- Олійна камера: чавун
- Олія: Olinda 917
Детальніше
- Виробник
- GRUNDFOS
- Потужність, Вт
- 7500
- Продуктивність, max м3/год
- 145
- Напір, мах м
- 20
- Напруга живлення, В
- 400
- Діаметр
- DN100 (4")
- Матеріал корпусу
- чавун
- Матеріал робочих колес
- чавун
- Діаметр твердих часток
- 100
- Модель насоса
- Grundfos SLV








