400 В, P1 1,9 кВт, P2 1,5 кВт, I 3,9 А, Q max 123 м³/год, Н max 8,1 м, кабель 10 м без вилки
Несамовсмоктуючий одноступінчастий відцентровий насос для стічних вод
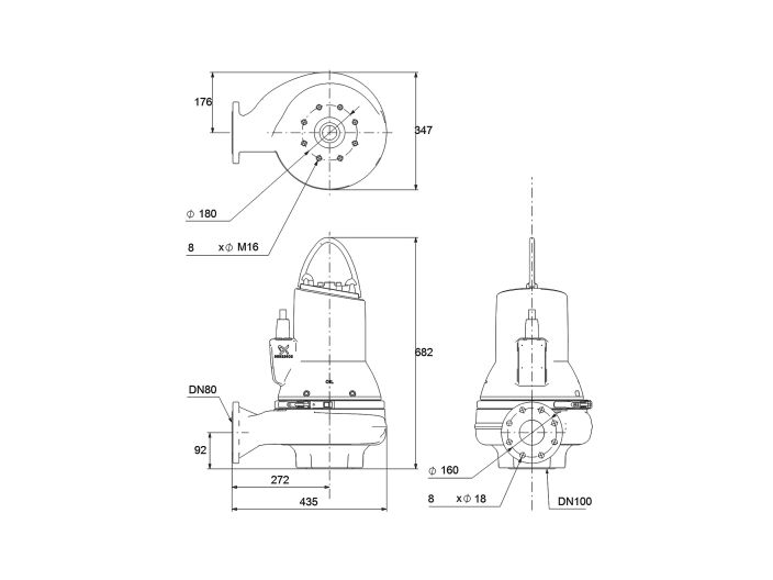
Робоче колесо S-tube® чавун, корпус чавун, фланець вхідний DN65, фланець вихідний DN80
Датчик вологості
Артикул 98624693
Гарантія 2 роки
Рекомендовані товари
Опис
SL1.80.80.15.4.50DC (98624693) Grundfos - насос для відведення каналізаційних, технологічних та неочищених стічних вод. Це несамовсмоктуючий одноступінчастий відцентровий насос із корпусом та робочим колесом з чавуну. Робоче колесо одноканальне унікальної технології S-tube забезпечує вільний сферичний прохід твердих частинок розміром до 50 мм. Насос підходить для перекачування стічних вод з вмістом сухої речовини до 3%. Встановлювати насос можна як вільно, так і на автоматичній трубній муфті (96090993)
Застосування насоса SL1.80.80.15.4.50DC Grundfos
- відведення дренажних та поверхневих вод у великому обсязі
- відведення стоків від приватних будинків (включаючи каналізацію)
- відведення стічних вод від будівель та споруд (крім стоків із туалетів)
- відведення грязьових стоків промислових підприємств
- виробничі процеси
Насос для брудної води SL1.80.80.15.4.50DC Грундфос із занурювальним двигуном може працювати в безперервному та уривчастому режимах при повному зануренні. При частково зануреному електродвигуні потрібно дотримуватися режим повторно короткочасних включень. Тривалість робочого циклу не більше 40%, максимальна кількість пусків/зупинок - 20 за годину
Переваги насоса SL1.80.80.15.4.50DC Grundfos
- Герметичне кабельне з'єднання за допомогою сталевого роз'єму з поліуретановим осердям
- Одноканальне робоче колесо працює без засмічень з високою продуктивністю
- Безперервна робота у зануреному стані
- Картриджеве ущільнення валу скорочує час на обслуговування насоса
- Надійні шарикопідшипники
- Електродвигун захищений від перегріву вбудованим датчиком температури
Технічні характеристики Grundfos SL1.80.80.15.4.50DC
- Модель: SL1.80.80.15.4.50DC
- Артикул: 98624693
- Призначення: перекачування забруднених дренажних, стічних та технологічних вод
- Максимальний напір: 8,1 м
- Максимальна продуктивність: 123,12 м3/год (20,8 л/с)
- Напір номінальний: 4,937 м
- Продуктивність номінальна: 71,28 м³/год (19,8 л/с)
- Температура робочої рідини до 40°С
- Робоча рідина: вода з рівнем pH 4-10 з твердими включеннями до 80 мм
- Максимальна глибина занурення 7 м
- Патрубок вхідний фланцевий: DN100
- Патрубок вихідний фланцевий: DN80
- Максимальний робочий тиск 6 бар
- Номінальний тиск для підключення 10 бар
- Монтаж: вільна установка, на автомуфті (96090993)
Електрообладнання та додаткові дані
- Електродвигун: асинхронний
- Потужність: P1 1900 Вт
- Номінальна потужність: P2 1500 Вт
- Частота мережі: 50 Гц
- Номінальна напруга: 3 х 380-415 В
- Максимальна кількість запусків за годину: 20
- Номінальний струм: 3,9 А
- Cos phi коефіцієнт потужності: 0,70
- Cos phi при навантаженні 3/4: 0,61
- Cos phi при навантаженні 1/2: 0,48
- Номінальна швидкість: 1452 об/хв
- ККД двигуна при повному навантаженні: 84,3%
- ККД двигуна при навантаженні 3/4: 83,9%
- ККД двигуна при навантаженні 1/2: 81,8%
- Кількість полюсів: 7
- Пуск двигуна прямий (DOL)
- Клас захисту: IP68
- Клас ізоляції (IEC 85): H (180°С)
- AutoAdapt: ні
- Вибухобезпечність: ні
- Блок керування: ні
- Датчик вологи: так
- Датчик води в мастилі: ні
- Вбудований захист двигуна: термовимикач
- Кабель живлення: 07RN8-F без вилки, 10 м
- Вага нетто: 104 кг
- Вага брутто: 116 кг
Матеріали насоса Grundfos SL1.80.80.15.4.50DC (98624693)
- Корпус насоса: чавун EN-GJL-250
- Епоксидне покриття: колір NSC 8005 R80B, глянець 35
- Робоче колесо: чавун EN 5.1301 EN-GJL-250
- Основа: чавун EN-GJL-250
- Корпус статора: чавун EN-JL-1030
- Захисна решітка: нержавіюча сталь
- Вал, ротор: сталь, нержавіюча сталь AISI 304
- Хомут: нержавіюча сталь AISI 304
- Ручка: нержавіюча сталь
- Кабель: 07RN8-F водозахищений
- Болти: нержавіюча сталь
- Механічне ущільнення валу: карбід кремнію/карбід кремнію, NBR гума, нержавіюча сталь
- Кільця ущільнювачів: гума NBR
- Оливна камера: чавун
- Олива: Olinda 917
Детальніше
- Виробник
- GRUNDFOS
- Потужність, Вт
- 1500
- Продуктивність, max м3/год
- 123
- Напір, мах м
- 8
- Напруга живлення, В
- 400
- Діаметр
- DN 80 (3")
DN100 (4") - Матеріал корпусу
- чавун
- Матеріал робочих колес
- чавун
- Діаметр твердих часток
- 80
- Модель насоса
- Grundfos SL








