230 В, P1 1,3 кВт, P2 0,9 кВт, I 6,1 А, Q max 58 м³/год, Н max 11,5 м, кабель 10 м без вилки
Несамовсмоктуючий одноступінчастий відцентровий насос для стічних вод
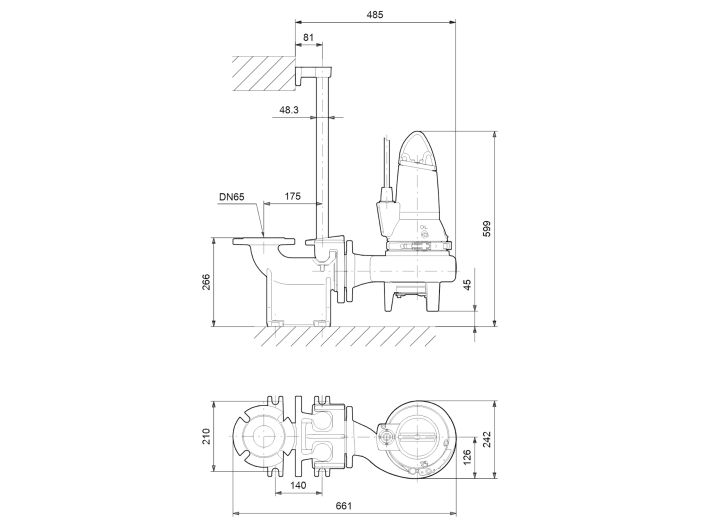
Робоче колесо S-tube® чавун, корпус чавуну. фланець DN65
Вибухозахисне виконання
Артикул 96106563
Гарантія 2 роки
Рекомендовані товари
Опис
Grundfos SL1.50.65.09.Ex.2.1.502 96106563 - насос для відведення каналізаційних, технологічних та неочищених стічних вод. Це несамовсмоктуючий одноступінчастий відцентровий насос із корпусом та робочим колесом з чавуну. Робоче колесо одноканальне унікальної технології S-tube забезпечує вільний сферичний прохід твердих частинок розміром до 50 мм. Насос підходить для перекачування стічних вод з вмістом сухої речовини до 3%. Встановлювати насос можна як вільно, так і на автоматичній трубній муфті (96090992)
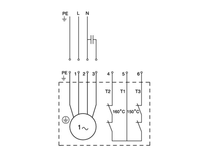
Насос для стічних вод SL1.50.65.09.Ex.2.1.502 Грундфос вибухобезпечний, стандарт вибухозахисту EN50014/EN50018, клас EEx d IIB T4
Застосування насоса SL1.50.65.09.Ex.2.1.502 Grundfos
- відведення дренажних та поверхневих вод у великому обсязі
- відведення стоків від приватних будинків (включаючи каналізацію)
- відведення стічних вод від будівель та споруд (крім стоків із туалетів)
- відведення грязьових стоків промислових підприємств
- виробничі процеси
Насос для брудної води SL1.50.65.09.Ex.2.1.502 Грундфос із занурювальним двигуном може працювати в безперервному та уривчастому режимах при повному зануренні. При частково зануреному електродвигуні потрібно дотримуватися режим повторно короткочасних включень. Тривалість робочого циклу не більше 40%, максимальна кількість пусків/зупинок - 30 за годину
Переваги насоса SL1.50.65.09.Ex.2.1.502 Grundfos
- Вибухозахисне виконання
- Герметичне кабельне з'єднання за допомогою сталевого роз'єму з поліуретановим осердям
- Одноканальне робоче колесо працює без засмічень з високою продуктивністю
- Безперервна робота у зануреному стані
- Картриджеве ущільнення валу скорочує час на обслуговування насоса
- Надійні шарикопідшипники
- Електродвигун захищений від перегріву вбудованим датчиком температури
Технічні характеристики Grundfos SL1.50.65.09.Ex.2.1.502
- Модель: SL1.50.65.09.Ex.2.1.502
- Артикул: 96106563
- Призначення: перекачування забруднених дренажних, стічних та технологічних вод
- Максимальний напір: 11,5 м
- Максимальна продуктивність: 58 м3/год (16,2 л/с)
- Напір номінальний: 6,37 м
- Продуктивність номінальна: 32,08 м³/год (8,91 л/с)
- Температура робочої рідини до 40°С
- Робоча рідина: вода з рівнем pH 4-10 з твердими включеннями до 50 мм
- Максимальна глибина занурення 7 м
- Патрубок фланцевий: DN65
- Максимальний робочий тиск 6 бар
- Номінальний тиск для підключення 10 бар
- Монтаж: вільна установка, на автомуфті (96090992)
Електрообладнання та додаткові дані
- Електродвигун: асинхронний
- Потужність: P1 1300 Вт
- Номінальна потужність: P2 900 Вт
- Частота мережі: 50 Гц
- Номінальна напруга: 1 х 230 В
- Максимальна кількість запусків за годину: 30
- Номінальний струм: 6,1 А
- Номінальний струм при навантаженні 3/4: 5,1 А
- Номінальний струм при навантаженні 1/2: 4,1 А
- Пусковий струм: 38 А
- Номінальний струм без навантаження: 2,6 А
- Cos phi коефіцієнт потужності: 0,96
- Cos phi при навантаженні 3/4: 0,92
- Cos phi при навантаженні 1/2: 0,86
- Номінальна швидкість: 2920 об/хв
- ККД двигуна при повному навантаженні: 67%
- ККД двигуна при навантаженні 3/4: 63%
- ККД двигуна при навантаженні 1/2: 55%
- Конденсатор: 30 мкФ
- Пуск двигуна прямий (DOL)
- Клас захисту: IP68
- Клас ізоляції (IEC 85): F (155°С)
- AutoAdapt: ні
- Вибухобезпечність: так, стандарт вибухозахисту EN50014/EN50018, class EEx d IIB T4
- Блок управління: ні
- Датчик вологості: ні
- Датчик води в маслі: ні
- Вбудований захист двигуна: термовимикач
- Кабель живлення: H07RN-F без вилки, 10 м
- Вага нетто: 54,9 кг
- Вага брутто: 60,3 кг
Матеріали насоса Grundfos SL1.50.65.09.Ex.2.1.502 (96106563)
- Корпус насоса: чавун EN-GJL-250
- Епоксидне покриття: колір NSC 8005 R80B, глянець 35
- Робоче колесо: чавун EN-GJL-500-7
- Підстава: чавун EN-GJL-250
- Корпус статора: чавун EN-JL-1030
- Захисна решітка: нержавіюча сталь
- Вал, ротор: сталь, нержавіюча сталь AISI 304
- Хомут: нержавіюча сталь AISI 304
- Ручка: нержавіюча сталь
- Кабель: H07RN-F водозахищений
- Болти: нержавіюча сталь
- Механічне ущільнення валу: карбід кремнію/карбід кремнію, NBR гума, нержавіюча сталь
- Кільця ущільнювачів: гума NBR
- Оливна камера: чавун
- Олива: Olinda 917
Детальніше
- Виробник
- GRUNDFOS
- Потужність, Вт
- 900
- Продуктивність, max м3/год
- 58
- Напір, мах м
- 11.5
- Напруга живлення, В
- 230
- Діаметр
- DN 65 (2 1/2")
- Матеріал корпусу
- чавун
- Матеріал робочих колес
- чавун
- Діаметр твердих часток
- 50
- Модель насоса
- Grundfos SL
6461
96106563








