Опис
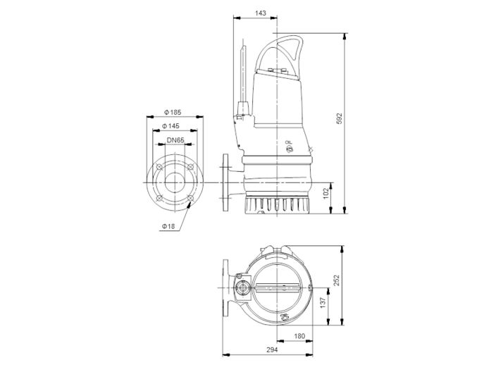
DP10.65.26.2.50B 96106542 Grundfos - портативний дренажний насос для побутового та промислового застосування. Це занурювальний насос з чавунним корпусом із вбудованим трифазним двигуном класу ізоляції F, призначеним для занурення в робочу рідину. Робоче колесо напіввідкритого насоса типу з вільним проходом 10 мм. На всмоктувальному патрубку встановлені грати для захисту насоса від потрапляння в нього частинок більше діаметром 10 мм. Цю сітку можна зняти для промивання та перевірки технічного стану насоса
Насос для брудної води Grundfos DP10.65.26.2.50B використовується для перекачування та дренажу ґрунтових та поверхневих вод, технічної води без твердих частинок та волокон. Компактна конструкція робить насос придатним як для тимчасової, так і постійної установки. Проміжна масляна камера попередньо заповнена спеціальною нетоксичною оливою. Герметична кабельна заглушка, закрита поліуретаном, запобігає попаданню води через кабель у двигун. Між корпусом насоса та двигуном передбачений металевий затискач, який забезпечує легкий та безпечний демонтаж та складання. Огляд насоса можливий у польових умовах без спеціальних інструментів. На насосі Grundfos DP є зручна ручка для перенесення
Ущільнення валу насоса Grundfos DP10.65.26.2.50B картриджної конструкції легко замінюється та запобігає ризику неправильної установки насоса. Електродвигун оснащений довговічними шарикопідшипниками з глибокими канавками та мастилом на весь термін служби. Випускний отвір насоса діаметром R 2", глибина занурення до 7 м. Насос може встановлюватися як окремо, так і в системі автоз'єднання з автомуфтою
Технічні характеристики насоса Grundfos DP10.65.26.2.50B
- Найменування: DP10.50.09.2.50B
- Артикул: 96106542
- Призначення: дренаж ґрунтових, поверхневих та технічних вод
- Максимальний напір: 25,1 м
- Максимальна продуктивність: 46,08 м³/год (12,8 л/с)
- Напір номінальний: 17,96 м
- Продуктивність номінальна: 29,124 м³/год (8,09 л/с)
- Температура робочої рідини до 40°С, короткочасно (до 1 години) до 60°С
- Робоча рідина: забруднена вода з рівнем pH 4-10 без волокнистих включень, тверді частинки до 10 мм
- Максимальний робочий тиск: 6 бар
- Номінальний тиск для підключення: 10 бар
- Максимальна глибина занурення 7 м
- Діаметр патрубка: R 2" (зовнішня різьба)
Електрообладнання та додаткова інформація
- Двигун: занурювальний асинхронний
- Потужність: P1 3500 Вт
- Номінальна потужність: P2 2600 Вт
- Частота мережі: 50 Гц
- Номінальна напруга: 3 х 400-415 В
- Номінальний струм: 5,8 А
- Номінальний струм при навантаженні 3/4: 4,5 А
- Номінальний струм при навантаженні 1/2: 3,5 А
- Пусковий струм: 33 А
- Номінальний струм без навантаження: 2,8 А
- Cos phi коефіцієнт потужності: 0,87
- Cos phi навантаженні 3/4: 0,81
- Cos phi при навантаженні 1/2: 0,68
- Номінальна швидкість: 2870 об/хв
- Крутний момент заблокованого ротора: 19 Нм
- Крутний момент пробою: 24 Нм
- Момент інерції: 0,007 кг
- ККД двигуна при повному навантаженні: 74 %
- ККД двигуна при навантаженні 3/4: 75%
- ККД двигуна при навантаженні 1/2: 74%
- Кількість полюсів: 2
- Пуск двигуна прямий (DOL)
- Режим роботи: безперервний у повністю зануреному стані (при частково зануреному двигуні режим повторно-короткочасних включень з робочим циклом не більше 40%)
- Максимальна кількість пусків/зупинок за годину: 30
- Клас захисту: IP68
- Клас ізоляції (IEC 85): F (до 155°С)
- Вибухобезпечність: ні
- AUTOADAPT: ні
- Додаткове введення/виведення: зовнішній
- Блок управління: ні
- Датчик вологості: ні
- Датчик води в маслі: ні
- Вбудований захист двигуна: термовимикач
- Тепловий захист: вбудований
- Кабель живлення: H07RN-F, без вилки, 10 м
- Габаритні розміри упаковки: 50х50х90 см
- Вага нетто: 70,4 кг
- Вага брутто: 77,9 кг
Матеріали насоса Grundfos DP10.65.26.2.50B (96106542)
- Корпус насоса: чавун EN-GJL-250
- Покриття корпусу: епоксидне, колір NSC 8005 R80B, глянець 35
- Робоче колесо: чавун EN-GJS-500-7
- Корпус статора: чавун EN-JL-1030
- Основа: чавун EN-GJL-250
- Оливна камера: чавун
- Олива: Shell Olinda 907
- Вал: сталь
- Ротор: нержавіюча сталь AISI 304
- Захисна решітка: нержавіюча сталь
- Хомут: нержавіюча сталь AISI 304
- Ручка: нержавіюча сталь
- Кабельний ввід: нержавіюча сталь
- Болти: нержавіюча сталь
- Ущільнення валу первинне: картриджне SIC/SIC
- Ущільнення валу вторинне: графіт/оксид алюмінію, гума NBR
- Кільце ущільнювача: гума NBR
Детальніше
- Виробник
- GRUNDFOS
- Потужність, Вт
- 2600
- Продуктивність, max м3/год
- 46
- Напір, мах м
- 25
- Напруга живлення, В
- 400
- Діаметр
- DN 65 (2 1/2")
- Матеріал корпусу
- чавун
- Матеріал робочих колес
- чавун
- Діаметр твердих часток
- 10
- Модель насоса
- Grundfos DP






