P1 1300 Вт, P2 900 Вт, U 230 В, I 6,1 А, Qmax 39,6 м³/год, Нmax 13,8 м, кабель 10 м з вилкою
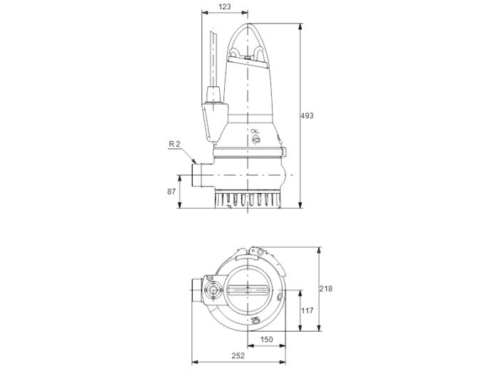
Діаметр патрубка R 2"
Діаметр твердих частинок 10 мм
Поплавковий вимикач, пульт керування Grundfos CU 100
Артикул: 96104202
Країна-виробник: Данія
Гарантія: 2 роки
Опис
DP10.50.09.A.2.1.502 96104202 Grundfos - портативний дренажний насос для побутового та промислового застосування. Це занурювальний насос з чавунним корпусом із вбудованим однофазним двигуном класу ізоляції F, призначеним для занурення в робочу рідину. Робоче колесо напіввідкритого насоса типу з вільним проходом 10 мм. На всмоктувальному патрубку встановлені грати для захисту насоса від потрапляння в нього частинок більше діаметром 10 мм. Цю сітку можна зняти для промивання та перевірки технічного стану насоса
Насос для брудної води Grundfos DP10.50.09.A.2.1.502 використовується для перекачування та дренажу ґрунтових та поверхневих вод, технічної води без твердих частинок та волокон. Компактна конструкція робить насос придатним як для тимчасової, так і постійної установки. Проміжна масляна камера попередньо заповнена спеціальною нетоксичною оливою. Герметична кабельна заглушка, закрита поліуретаном, запобігає попаданню води через кабель у двигун. Між корпусом насоса та двигуном передбачений металевий затискач, який забезпечує легкий та безпечний демонтаж та складання. Огляд насоса можливий у польових умовах без спеціальних інструментів. На насосі Grundfos DP є зручна ручка для перенесення
Ущільнення валу насоса Grundfos DP10.50.09.A.2.1.502 картриджної конструкції легко замінюється та запобігає ризику неправильної установки насоса. Електродвигун оснащений довговічними шарикопідшипниками з глибокими канавками та мастилом на весь термін служби. Випускний отвір насоса діаметром R 2", глибина занурення до 7 м. Насос може встановлюватися як окремо, так і в системі автоз'єднання з автомуфтою
Насос DP10.50.09.A.2.1.502 Grundfos комплектується пультом керування Grundfos CU 100 та поплавковим вимикачем
Технічні характеристики насоса Grundfos DP10.50.09.A.2.1.502
- Найменування: DP10.50.09.A.2.1.502
- Артикул: 96104202
- Призначення: дренаж ґрунтових, поверхневих та технічних вод
- Максимальний напір: 13,8 м
- Максимальна продуктивність: 39,6 м³/год (11 л/с)
- Напір номінальний: 8,5 м
- Продуктивність номінальна: 20,5 м³/год (5,7 л/с)
- Температура робочої рідини до 40°С, короткочасно (до 1 години) до 60°С
- Робоча рідина: забруднена вода з рівнем pH 4-10 без волокнистих включень, тверді частинки до 10 мм
- Максимальний робочий тиск: 6 бар
- Номінальний тиск для підключення: 10 бар
- Максимальна глибина занурення 7 м
- Діаметр патрубка: R 2" (зовнішня різьба)
Електрообладнання та додаткова інформація
- Двигун: занурювальний асинхронний
- Потужність: P1 1300 Вт
- Номінальна потужність: P2 900 Вт
- Частота мережі: 50 Гц
- Номінальна напруга: 1 х 230 В
- Номінальний струм: 6,1 А
- Номінальний струм при навантаженні 3/4: 5,1 А
- Номінальний струм при навантаженні 1/2: 4,1 А
- Пусковий струм: 38 А
- Номінальний струм без навантаження: 2,6 А
- Cos phi коефіцієнт потужності: 0,96
- Cos phi без навантаження: 0,68
- Cos phi навантаженні 3/4: 0,92
- Cos phi при навантаженні 1/2: 0,86
- Номінальна швидкість: 2870 об/хв
- Крутний момент заблокованого ротора: 6,5 Нм
- Крутний момент пробою: 7 Нм
- Момент інерції: 0,0033 кг м²
- ККД двигуна при повному навантаженні: 67 %
- ККД двигуна при навантаженні 3/4: 63%
- ККД двигуна при навантаженні 1/2: 55%
- Конденсатор: 30 мкФ
- Кількість полюсів: 2
- Пуск двигуна прямий (DOL)
- Режим роботи: безперервний у повністю зануреному стані (при частково зануреному двигуні режим повторно-короткочасних включень з робочим циклом не більше 40%)
- Максимальна кількість пусків/зупинок за годину: 30
- Клас захисту: IP68
- Клас ізоляції (IEC 85): F (до 155°С)
- Вибухобезпечність: ні
- AUTOADAPT: ні
- Додаткове введення/виведення: зовнішній
- Блок управління: Grundfos CU 100 з поплавковим вимикачем
- Датчик вологості: ні
- Датчик води в маслі: ні
- Вбудований захист двигуна: термовимикач
- Тепловий захист: вбудований
- Кабель живлення: H07RN-F 7G1,5, вилка SCHUKO, 10 м
- Габаритні розміри упаковки: 40х30х60 см
- Вага нетто: 43,9 кг
- Вага брутто: 51,4 кг
Матеріали насоса Grundfos DP10.50.09.A.2.1.502
- Корпус насоса: чавун EN-GJL-250
- Покриття корпусу: епоксидне, колір NSC 8005 R80B, глянець 35
- Робоче колесо: чавун EN-GJL-250
- Корпус статора: чавун EN-JL-1030
- Основа: чавун EN-GJL-250
- Оливна камера: чавун
- Олива: Shell Olinda 907
- Вал: сталь
- Ротор: нержавіюча сталь AISI 304
- Захисна решітка: нержавіюча сталь
- Хомут: нержавіюча сталь AISI 304
- Ручка: нержавіюча сталь
- Кабельний ввід: нержавіюча сталь
- Болти: нержавіюча сталь
- Ущільнення валу первинне: картриджне SIC/SIC
- Ущільнення валу вторинне: щілинне ущільнення, гума NBR
- Кільце ущільнювача: гума NBR
Детальніше
- Виробник
- GRUNDFOS
- Потужність, Вт
- 900
- Продуктивність, max м3/год
- 39
- Напір, мах м
- 13
- Тип виконання
- з поплавцевим вимикачем
- Напруга живлення, В
- 230
- Діаметр
- DN 50 (2")
- Матеріал корпусу
- чавун
- Матеріал робочих колес
- чавун
- Діаметр твердих часток
- 10
- Модель насоса
- Grundfos DP






