P=9...73 Вт, U=220 В, L=180 мм, фланці DN 32, Qmax=10 м³/год, Нmax=8 м, Qnom=5,388 м³/год, Нnom=5,732 м, t=-10℃…+110℃, PN6/10
Циркуляційний насос з частотним перетворювачем для заміни Grundfos UPS
Артикул 99221263
Гарантія 2 роки
Рекомендовані товари
Опис
Grundfos MAGNA1 32-40 F N 220 99221265 - циркуляційний насос із вбудованим частотним перетворювачем. Він застосовується для циркуляції рідини в системах опалення, гарячого водопостачання та кондиціювання повітря. Цей інноваційний насос може встановлюватись у нових системах або на заміну стандартних циркуляційних насосів Grundfos UPS. Насос Магна1 може працювати у широкому температурному діапазоні, при цьому температура рідини не залежить від температури навколишнього середовища. Насос підходить і для використання в побутовій системі гарячого водопостачання, тому що виконаний у корпусі з нержавіючої сталі (у маркуванні позначається буквою N). Насос більш стійкий до дії води, як гарячої, так і холодної
Насос Magna1 32-40 F N має синхронний електродвигун з постійними магнітами. Для такого двигуна характерний підвищений ККД, до того ж йому не потрібен зовнішній захист. Вбудований перетворювач частоти обертання забезпечує плавну роботу, адаптацію під потреби системи та мінімальне споживання електроенергії. Охолодження і очищення двигуна відбувається за рахунок омивання його робочою рідиною, тому насос працює дуже тихо і не потребує частого технічного обслуговування.
Циркуляційний насос MAGNA1 Grundfos керується електронним контролером. Налаштування та керування досить прості, на лицьовій панелі розташовані світлові індикатори, що відображають вибраний режим роботи та інформацію про поточний стан насоса. Вибрати потрібне налаштування можна за допомогою кнопки. Насос Магна1 поставляється з теплоізоляційним кожухом, який суттєво знижує теплові втрати. Корпус виготовлений з нержавіючої сталі, що надає максимальної стійкості до корозії та перепадів температур. Типорозмір насоса вибирається, беручи до уваги максимальну необхідну витрату в гідросистемі та максимальні втрати тиску.
Режими роботи Grundfos MAGNA1 32-40 F N 220
- Три фіксовані швидкості
- Три режими пропорційного регулювання (низький, середній та високий натиск)
- Три режими постійного тиску (низький, середній, високий тиск)
У комплекті постачається:
- насос циркуляційний фланцевий 32-40 F N 220 99221265 Grundfos
- знімний теплоізоляційний кожух охолодження
- комплект прокладок для монтажу
- інструкція з експлуатації
Характеристики Grundfos MAGNA1 32-40 99221265
- Найменування MAGNA1 32-40 F N
- Артикул 99221265
- Номінальна витрата 4.421 м³/год
- Номінальний напір 3.393 м
- Максимальна витрата 7.5 м³/год
- Максимальний напір 4 м
Матеріали
- Корпус насоса нержавіюча сталь
- Робоче колесо PES 30% GF
Монтаж
- Темпера туру навколишнього середовища 0... 40 °C
- Макс. робочий тиск 10 бар
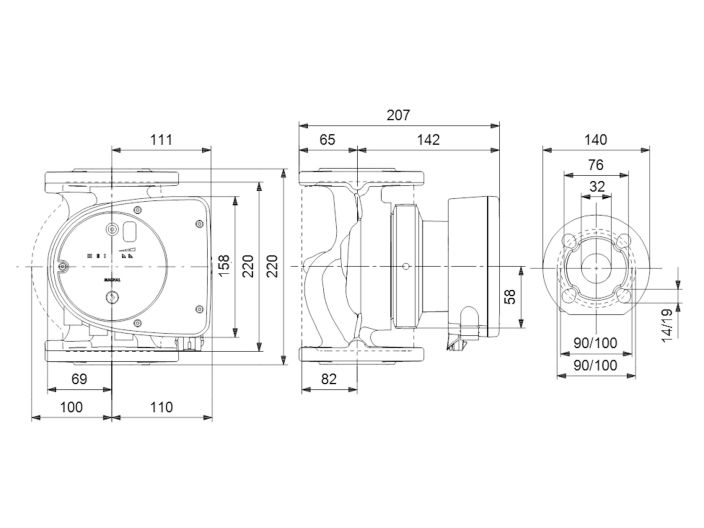
- Трубне приєднання Ду 32 (фланцеве)
- Допустимий тиск PN 6/10
- Монтажна довжина 220 мм
рідина
- Робоча рідина вода
- Температура рідини -10... 110 ° C
- температура рідини 60 °C
- Щільність 983.2 кг/м³
Дані електрообладнання
- потужність (P1) 9... 73 Вт
- Частота мережі 50/60 Hz
- Номінальна напруга 1 x 230 В
- Максимальне споживання струму 0,09.. 0.59 A
- Ступінь захисту (IEC 34-5) X4D
- Клас ізоляції (IEC 85) F
Інше
- Клас електроспоживання (EEI) 0,20
- Маса нетто 7,83 кг
- Маса брутто 8,44 кг
- Об'єм поставки 0,016 м³
- Гарантія 2 роки
Детальніше
- Виробник
- GRUNDFOS
- Потужність, Вт
- 73
- Продуктивність, max м3/год
- 7.5
- Напір, мах м
- 4
- Напруга живлення, В
- 230
- Діаметр
- DN 32 (1 1/4")
- Матеріал корпусу
- нержавіюча сталь
- З'єднання
- фланцеве
- Монтажне виконання
- 220 мм
- Керування
- частотне регулювання
6211
99221265








