Змішувальні клапани
Корпус нержавіюча сталь
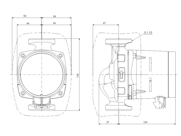
P=3-18 Вт, U=220 В, L=130 мм, Qmax=2,5 м³/год, Нmax=4 м, t=+ 2° С...+110°С
Артикул: 99411272
Гарантія: 2 роки
Насос з частотним регулюванням Grundfos Alpha2 25-40 N 130 для систем опалення та гарячого водопостачання (ГВП)
Рекомендовані товари
Опис
Насос ALPHA2 25-40 N 130 Grundfos – сучасне та ефективне рішення для забезпечення оптимальної температури води в системах опалення. Цей насос відрізняється високою продуктивністю, низьким енергоспоживанням, тихою роботою та простою установкою та легким обслуговуванням. Насос ALPHA2 має інтелектуальну систему автоматичного регулювання швидкості (частотний перетворювач). Така автоматика підлаштовує роботу насоса під умови експлуатації, що змінюються. Насос Alpha2 завжди працює з максимальною ефективністю та економією
Циркуляційний насос Alpha2 Grundfos поставляється з теплоізоляційним кожухом, конектором для електро-підключення (Alpha-штекер), гарантійним талоном з оригінальною голограмою. Гайки для монтажу в трубопровід купуються окремо
Alpha2 25-40 N 130 GRUNDFOS можна встановити в таких типах систем опалення, як радіаторні, конвекторні, теплі підлоги. Корпус із нержавіючої сталі дає можливість використовувати цей насос у системах гарячого водопостачання (ГВП).
Насос GRUNDFOS ALPHA2 25-40 N 130 виробляється в Данії та забезпечується гарантією від виробника 24 місяці як надійний та якісний продукт. Встановивши такий циркуляційний насос у котельні, Ви забезпечите комфорт та затишок у будинку
Переваги насоса GRUNDFOS ALPHA2 25-40 N 130
- функція AUTO ADAPT - автоматична настройка найбільш оптимальних параметрів
- три режими постійного тиску, три режими пропорційного тиску, три постійні швидкості обертання валу
- функція нічного режиму
- індикатор енергоспоживання
Якщо потрібна допомога у виборі, зв'яжіться з нашими фахівцями технічної підтримки та сервісу. Наші інженери допоможуть підібрати, замінити та проконсультують з питань обслуговування обладнання. Якісні насоси з гарантією за гарною ціною Ви можете придбати в інтернет-магазині Насосвдом.
Технічні характеристики насоса для циркуляції Grundfos Alpha2 25-40 N 130
- артикул Grundfos 99411272
- країна-виробник Данія
- кількість режимів роботи 9 (три режими постійного тиску, три режими пропорційного тиску, три постійні швидкості)
- корпусу насоса нержавіюча сталь
- робоче колесо технополімер
- напір максимальний 4 м
- продуктивність максимальна 2,5 м³/год
- напір номінальний 2,01 м
- продуктивність номінальна 1,5 м³/год
- монтажна довжина 130 мм
- рекомендоване під'єднання швидкоз'ємні накидні гайки G 1 1/2" x Rp 1"
- електродвигун з постійними магнітами
- напруга живлення 230 В
- потужність 3-18 Вт
- споживаний струм 0,04 - 0,18 А
- ізоляція клас F
- ступінь захисту X4D
- температура рідини: від + 2°С до + 110°С
- робочий тиск максимальний 10 бар
- клас енергоефективності (EEI) 0,15
- вага насоса 2,04 кг
- повна вага насоса з упаковкою 2,2 кг
- габарити упаковки коробки насоса Alpha2 25-40 N 130 20х20х15 см
Детальніше
- Виробник
- GRUNDFOS
- Потужність, Вт
- 18
- Продуктивність, max м3/год
- 2.5
- Напір, мах м
- 4
- Напруга живлення, В
- 230
- Діаметр
- DN 25 (1")
- Матеріал корпусу
- нержавіюча сталь
- З'єднання
- муфтове
- Монтажне виконання
- 130 мм
- Керування
- частотне регулювання
- Модель насоса
- Grundfos Alpha2
6249
99411272
zn3/7375







