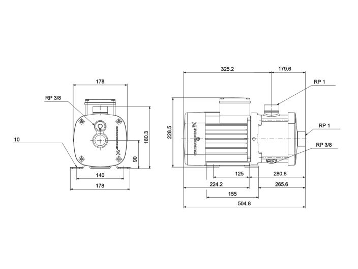
P2 1300 Вт, U 230, I 8,2 А, Qmax 6 м³/год, Нmax 55 м, тиск 6/10 бар, T від 0 до 60 °С, G 1", габарити 505х178х229 мм, вага 25,1 кг
Самовсмоктувальний відцентровий модульний насос з висотою всмоктування до 8 метрів
CM5-6 O-R-I-E-AVBE C1-A-A-N
Артикул 92889681
Гарантія 2 роки
Опис
CM5-6 Grundfos 92889681 - компактний, надійний, горизонтальний, багатоступінчастий відцентровий насос з торцевим всмоктуванням, осьовим всмоктувальним та радіальним нагнітальним патрубками. Насос є самовсмоктуючим і може створювати висоту всмоктування до 8 метрів. Матеріали насоса, що контактують із рідиною, виготовлені з нержавіючої сталі. Механічне ущільнення валу AVBE - спеціально розроблене незбалансоване кільцеве ущільнення
CM5-6 Grundfos - модульний насос і складається з двох основних компонентів: двигуна та насосного агрегату. Двигун є IEC низьковольтний мотор Grundfos, розроблений відповідно до стандартів EN. Це однофазний асинхронний електродвигун двигуном з вентиляторним охолодженням, що монтується на лапах
Самовсмоктувальний насос CM5-6 оснащений оптимізованою гідравлікою та пропонує різні типи з'єднань. З'єднання з трубопроводами здійснюється через внутрішню трубну різьбу Whitworth, Rp (ISO 7/1)
Сфери застосування
- Водоочищення: фертигація, хімігація та дозування
- Контроль та цифрове управління підземними водами
- Крапельне зрошення, мікророзпилення та полив із шланга
Технічні характеристики насоса Grundfos CM5-6 92889681
- Модель CM5-6 O-R-I-E-AVBE C1-A-A-N
- Артикул 92889681
- Виробник Grundfos
- Країна-виробник Угорщина
- Призначення водопостачання
- Висота всмоктування до 8 м
- Максимальний тиск 55 м
- Максимальна продуктивність 6 м³/год
- Номінальний тиск 46 м
- Номінальна продуктивність 4,7 м³/год
- Робоча рідина вода температурою від 0 до 60°C
- Максимальний робочий тиск 10 бар
- Тиск при температурі води 60°C 6 бар
- Вхідний патрубок 1"
- Вихідний патрубок 1"
- Номінальна напруга 1х230, 50 Гц
- Електродвигун MG90 асинхронний низької напруги IEC, тип рами 90SE
- Клас ефективності IE2
- Номінальна потужність P2 1300 Вт
- Номінальний струм 8,2-7,97 А
- Пусковий струм 540-600%
- Номінальна швидкість 2880-2890 об/хв
- Клас захисту IP55
- Клас ізоляції F (155°С)
- Вбудований захист двигуна PTO (біметалеві вимикачі, розташовані в обмотці статора двигуна)
- Рівень шуму до 70 дБ
- Матеріал корпусу нержавіюча сталь AISI 304
- Матеріал робочого колеса нержавіюча сталь AISI 304
- Ущільнення валу AVBE
- Габарити 505х178х229 мм
- Вага нетто 25,1 кг
- Вага брутто 27,6 кг
- Гарантія 2 роки
Детальніше
- Виробник
- GRUNDFOS
- Потужність, Вт
- 1300
- Продуктивність, max м3/год
- 6
- Напір, мах м
- 55
- Напруга живлення, В
- 230
- Діаметр
- DN 25 (1")
- Матеріал корпусу
- нержавіюча сталь
- Струм max, А
- 8.2
- Матеріал робочих колес
- нержавіюча сталь








