500 Вт, U 220 В, Qmax 6 м3/год, Нmax 26 м, Т -20...+90°С, тиск 10 бар
CM 3-5 A-R-A-E-AQQE C-A-A-N
Не поставляється. Заміна CM5-3 A-R-A-E-AQQE C1-A-A-N 92889588 (1379)
Артикул 96807030
Гарантія 2 роки
Рекомендовані товари
Опис
CM 3-5 A-R-A-E-AQQE C-A-A-N є компактним горизонтальним багатоступеневим відцентровим насосом. СМ Grundfos застосовується для невеликих систем поливу, наповнення басейнів, резервуарів ; систем, які не вимагають значного підвищення тиску. Grundfos CM також буде корисний як для установок в приватних будинках, так і в промислових системах. Основними перевагами Grundfos СМ 5-3 є високий ККД і висока надійність, низький рівень шуму, компактна конструкція, а також виконання основних деталей з нержавіючої сталі.
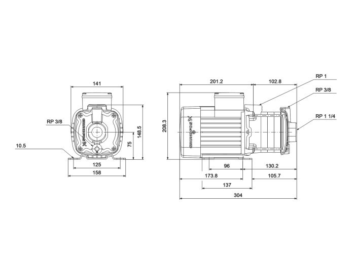
CM5-3 96807030 оснащений 1-фазним електродвигуном 220V, 50 Hz, монтується на лапах. Характеристики насоса СМ : всмоктуючий канал - осьової, випускний канал - радіальний. Торцеве ущільнення валу - AQQE, особливої конструкції. Вал, робочі колеса, камери і пробки заливних отворів - нержавіюча сталь. Всмоктуючий і напірний трубопроводи - чавун.
Технічні характеристики Grundfos CM :
Частота обертання: 2900 об/м;
Ущільнення валу: AQQE.
матеріали:
Корпус насоса: чавун;
Робоче колесо: нержавіюча сталь;
Гума: EPDM.
Рідина:
діапазон температур рідини: -20..90 ° C;
Щільність: 1000 кг/м 3;
Дані електрообладнання:
Номінальна потужність: 500 Вт;
Номінальний струм: 3,1-2,8 А;
Номінальна швидкість: 2730-2740 об/хв;
Номінальна напруга: 1 x 200-240 V;
Частота: 50 Hz;
Клас захисту (IEC 34-5): 55;
Клас ізоляції (IEC 85): F;
Повна вага: 14,4 кг.
Монтаж:
Максимальна температура навколишнього середовища: 55 ° C;
Максимальний робочий тиск: 10 бар;
Максимальний тиск при заданій температурі: 10 бар/90 ° C;
Стандартний фланець: без різьба RP;
Вхід насоса: Rp 1 1/4 " ;
Вихід насоса: Rp 1".

Детальніше
- Виробник
- GRUNDFOS
- Потужність, Вт
- 500
- Продуктивність, max м3/год
- 6
- Напір, мах м
- 26
- Напруга живлення, В
- 230
- Матеріал корпусу
- чавун
- Струм max, А
- 3.1
- Матеріал робочих колес
- нержавіюча сталь






