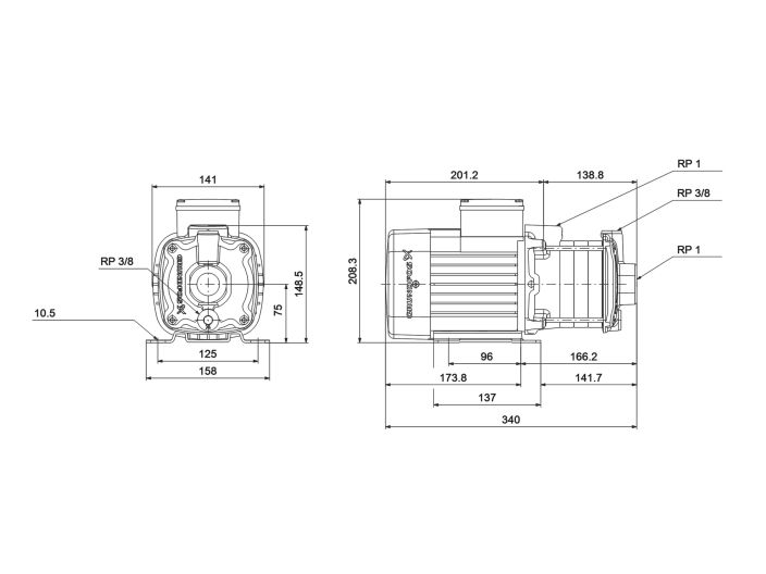
P2 500 Вт, U 230, I 3,3 А, Qmax 4 м³/год, Нmax 44 м, тиск 10 бар, T від -20 до +90°C, G 1", габарити 340х158х209 мм, вага 12,5 кг
Відцентровий багатоступінчастий модульний насос для водопостачання
CM3-5 A-R-A-E-AQQE C1-A-A-N
Артикул 92889473
Гарантія 2 роки
Рекомендовані товари
Опис
CM3-5 A-R-A-E-AQQE C1-A-A-N Grundfos 92889473 - компактний, надійний, горизонтальний, багатоступінчастий відцентровий насос з торцевим всмоктуванням, осьовим всмоктувальним та радіальним нагнітальним патрубками. Матеріали насоса, що контактують із рідиною, виготовлені з нержавіючої сталі. Механічне ущільнення валу AQQE - спеціально розроблене незбалансоване кільцеве ущільнення
CM3-5 Grundfos - модульний насос і складається з двох основних компонентів: двигуна та насосного агрегату. Двигун є IEC низьковольтний мотор Grundfos, розроблений відповідно до стандартів EN. Це однофазний асинхронний електродвигун двигуном з вентиляторним охолодженням, що монтується на лапах
Самовсмоктувальний насос CM3-5 оснащений оптимізованою гідравлікою та пропонує різні типи з'єднань. З'єднання з трубопроводами здійснюється через внутрішню трубну різьбу Whitworth, Rp (ISO 7/1)
Сфери застосування
- Водоочищення: фертигація, хімігація та дозування
- Контроль та цифрове управління підземними водами
- Крапельне зрошення, мікророзпилення та полив із шланга
Технічні характеристики насоса Grundfos CM3-5 92889473
- МодельCM3-5 A-R-A-E-AQQE C1-A-A-N
- Артикул 92889473
- Виробник Grundfos
- Країна-виробник Угорщина
- Призначення водопостачання
- Максимальний тиск 44 м
- Максимальна продуктивність 4 м³/год
- Номінальний напір 32 м
- Номінальна продуктивність 3 м³/год
- Робоча рідина вода температурою від від -20 до +90°C
- Максимальний робочий тиск 10 бар
- Вхідний патрубок 1"
- Вихідний патрубок 1"
- Номінальна напруга 1х230, 50 Гц
- Електродвигун MG71 асинхронний низької напруги IEC, тип рами 71B
- Клас ефективності IE2
- Номінальна потужність P2 500 Вт
- Номінальний струм 3,30-3,15 А
- Пусковий струм 340-370%
- Номінальна швидкість 2750-2780 об/хв
- Клас захисту IP55
- Клас ізоляції F (155°С)
- Вбудований захист двигуна PTO (біметалеві вимикачі, розташовані в обмотці статора двигуна)
- Рівень шуму до 70 дБ
- Матеріал корпусу чавун
- Матеріал робочого колеса нержавіюча сталь AISI 304
- Ущільнення валу AQQE
- Габарити 340х158х209 мм
- Вага нетто 12,5 кг
- Вага брутто 15 кг
- Гарантія 2 роки
Детальніше
- Виробник
- GRUNDFOS
- Потужність, Вт
- 500
- Продуктивність, max м3/год
- 4
- Напір, мах м
- 44
- Напруга живлення, В
- 230
- Діаметр
- DN 25 (1")
- Матеріал корпусу
- чавун
- Струм max, А
- 3.3
- Матеріал робочих колес
- нержавіюча сталь








