400 В, P1 7,1 кВт, P2 6,0 кВт, I 12,3 А, Q max 85 м³/ч, Н max 28,9 м, кабель 10 м без вилки
Несамовсасывающий одноступенчатый центробежный насос для сточных вод
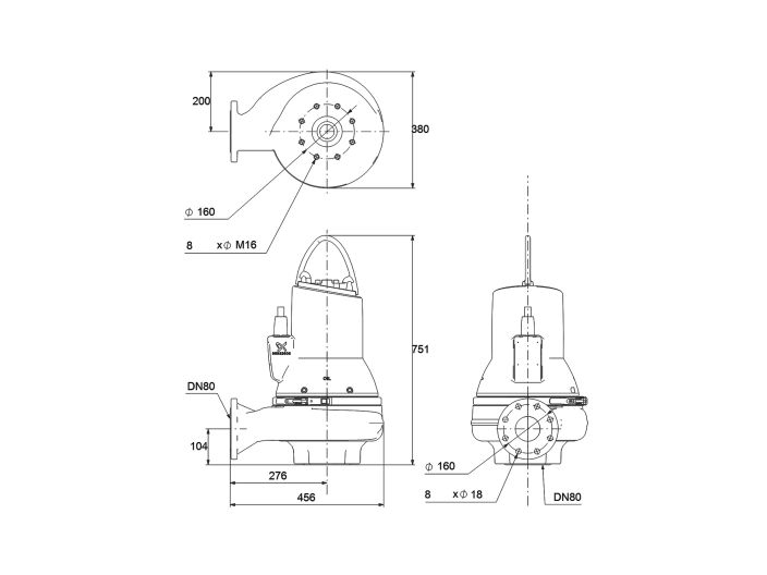
Рабочее колесо SuperVortex чугун, корпус чугун, фланец входной DN80, фланец выходной DN80
Датчик влажности
Артикул 98626041
Гарантия 2 года
Сопутствующие товары
Описание
Grundfos SLV.80.80.60.2.51D.C (98626041) - насос для отведения канализационных, технологических и неочищенных сточных вод. Это одноступенчатый погружной блочный агрегат с фланцевым напорным патрубком. Рабочее колесо свободновихревое технологии SuperVortex из чугуна. При такой конструкции рабочая жидкость идёт вне рабочего колеса, поэтому насос может перекачивать необработанные стоки, включающие абразивные вещества, волокна, части ткани. Насос не засоряется и не заклинивает, снижается количество простоев и, как следствие, уменьшаются затраты на сервисное и техническое обслуживание насоса. Насос подходит для перекачивания для сточных вод с содержанием сухого вещества до 5%. Устанавливать насос возможно как свободно, так и на автоматической трубной муфте (96090993)
Применение насоса SLV.80.80.60.2.51D.C Grundfos
- отведение поверхностных вод с абразивными включениями
- локальные канализационные сети
- отведение сточных вод от зданий и сооружений
- отведение грязевых стоков, воды с волокнистыми включениями
Насос для грязной воды SLV.80.80.60.2.51D.C Грундфос с погружным двигателем может работать в непрерывном и прерывистом режимах при погружной установке. При частично погружённом электродвигателе должен соблюдаться режим повторно-кратковременных включений. Продолжительность рабочего цикла не более 40%, максимальное число пусков/остановов - 20 в час
Преимущества насоса SLV.80.80.60.2.51D.C Grundfos
- Датчики влажности
- Герметичное кабельное соединение при помощи стального разъёма с полиуретановым сердечником
- Свободновихревое рабочее колесо SuperVortex работает без засорений с высокой производительностью
- Непрерывная работа в погружённом состоянии
- Картриджевое уплотнение вала сокращает время на обслуживание насоса
- Надёжные шарикоподшипники
- Электродвигатель защищён от перегрева встроенным датчиком температуры
Технические характеристики Grundfos SLV.80.80.60.2.51D.C
- Модель: SLV.80.80.60.2.51D.C
- Артикул: 98626041
- Назначение: перекачка сточных и технологических вод
- Максимальный напор: 28,9 м
- Максимальная производительность: 84,96 м3/час (23,6 л/с)
- Напор номинальный: 17,57 м
- Производительность номинальная: 41,4 м³/час (11,5 л/с)
- Температура рабочей жидкости до 40°С, кратковременно не более 1 минуты до 60°С
- Рабочая жидкость: вода с уровнем pH 4-10 с жесткими включениями до 65 мм.
- Максимальная глубина погружения 7 м
- Патрубок входной фланцевый: DN80
- Патрубок выходной фланцевый: DN80
- Максимальное рабочее давление 6 бар
- Номинальное давление для подключения 10 бар
- Монтаж: свободная установка, на автомуфте (96090993)
Электрооборудование и дополнительная информация
- Электродвигатель: асинхронный
- Потребляемая мощность: P1 7100 Вт
- Номинальная мощность: P2 6000 Вт
- Частота сети: 50 Гц
- Номинальное напряжение: 3 х 380-415 В
- Максимальное количество запусков в час: 20
- Номинальный ток: 12,3 А
- Пусковой ток: 117 А
- Cos phi коэффициент мощности: 0,83
- Cos phi при нагрузке 3/4: 0,77
- Cos phi при нагрузке 1/2: 0,65
- Номинальная скорость: 2940 об/мин
- Количество полюсов: 2
- КПД двигателя при полной нагрузке: 90,1%
- КПД двигателя при нагрузке 3/4: 90,0%
- КПД двигателя при нагрузке 1/2: 89,9%
- Способ запуска: звезда-треугольник (SD)
- Класс защиты: IP68
- Класс изоляции (IEC 85): H (180°С)
- AutoAdapt: нет
- Взрывобезопасность: нет
- Блок управления: нет
- Датчик влажности: да
- Датчик воды в масле: нет
- Встроенная защита двигателя: термовыключатель
- Кабель питания: LYNIFLEX без вилки, 10 м
- Вас нетто: 137 кг
- Вес брутто: 157 кг
Материалы насоса Grundfos SLV.80.80.60.2.51D.C (98626041)
- Корпус насоса: чугун EN-GJL-250
- Эпоксидное покрытие: цвет NSC 8005 R80B, глянец 35
- Рабочее колесо: чугун EN-GJL-500-7
- Основание: чугун EN-GJL-250
- Корпус статора: чугун EN-JL-1030
- Защитная решётка: нержавеющая сталь
- Вал, ротор: сталь, нержавеющая сталь AISI 304
- Хомут: нержавеющая сталь AISI 304
- Ручка: нержавеющая сталь
- Кабель: LYNIFLEX водозащищённый
- Болты: нержавеющая сталь
- Механическое уплотнение вала: карбид кремния/карбид кремния, графит/оксид алюминия, NBR резина, нержавеющая сталь
- Уплотнительные кольца: резина NBR
- Масляная камера: чугун
- Масло: Olinda 917
Подробнее о товаре
- Производитель
- GRUNDFOS
- Мощность, Вт
- 6000
- Производительность, max м3/ч
- 85
- Напор, мах м
- 28.9
- Напряжение питания, В
- 400
- Диаметр
- DN 80 (3")
- Материал корпуса
- чугун
- Материал рабочих колес
- чугун
- Диаметр твердых частиц
- 65
- Модель насоса
- Grundfos SLV








