Р1/Р2 3700/3000 Вт, U 400, V 450 л, H max 12,7 м, Q max 112 м³/ч (31,1 л/с)
Диаметр частиц 80 мм, до 40°C
Насосная станция для водоотвода, два насоса Grundfos SL1, пульт управления Grundfos LC231
Артикул 97577861
Гарантия 2 года
Сопутствующие товары
Описание
MD1.80.80.30.4.50D /450.SL Multilift Grundfos 97577861 - канализационная насосная станция для сбора и перекачки сточных вод в центральную канализацию в случае, если нет возможности свободного протока стоков. Как правило, станцию устанавливают ниже уровня канализации в подвалах и цокольных этажах зданий
Насосная станция Grundfos MD1 Multilift состоит из полностью интегрированного сборного резервуара объёмом 450 л с двумя горизонтальными погружными насосами SL1 с одноканальным рабочим колесом, контроллером, включая аналоговый датчик уровня и аксессуары для подключения
Герметичный, запахонепроницаемый бак установки изготовлен из прочного полиэтилена и имеет все необходимые отверстия для подключения впускных, выпускных, вентиляционных труб и ручного мембранного насоса 96003721 (приобретается отдельно). Внутри бака два патрубка для насосов подключены к колено всасывающей трубы, что позволяет осуществлять отсос со дна. В результате остаточный объем снижается до минимума
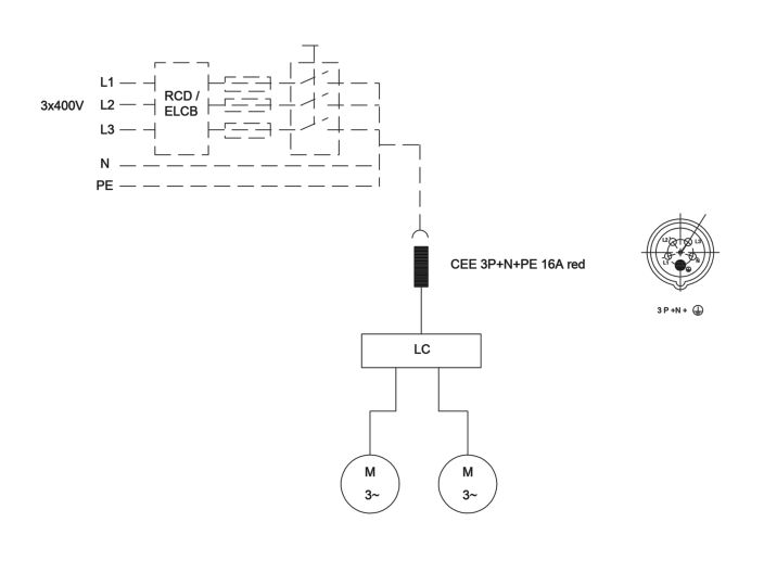
Канализационная установка Grundfos MD1.80.80.30.4.50D /450.SL поставляется с контроллером уровня LC 231 для управления и контроля насоса. Контроллер осуществляет контроль уровня, мониторинг и защиту насосной станции. Настройку контроллера можно выполнить с помощью Grundfos GO. Он легко интегрируется в линейку коммуникационных модулей Grundfos, обеспечивая легкое встраивание в любую систему управления, например SCADA или Grundfos CLOUD
Насос для канализации MD1.80.80.30.4.50D /450.SL Multilift разработан в соответствии со стандартом EN12050-1, одобрен и контролируется внешним институтом LGA. Дополнительные сертификаты: VDE, GHOST, CB, EMV
Насосные станции Multilift MD1.80.80.30.4.50D /450.SL могут перекачивать такие жидкости
- бытовые сточные воды
- загрязненные сточные воды с фекалиями и стоки из туалетов
- вода, содержащая ил
Преимущества насосной станции Grundfos Multilift MD1.80.80.30.4.50D /450.SL
- свободный проход до 80 мм для надежной и без-засорной работы
- уникальная система зажимов позволяет демонтировать гидравлику и двигатель за несколько минут
- крышка инспекции позволяет осматривать бак во время работы
- водонепроницаемая вилка кабеля из нержавеющей стали для простоты обслуживания и ремонта
- картридж с двойным уплотнением вала для простоты обслуживания и ремонта
- двигатель с термовыключателями внутри обмотки
- запатентованная система охлаждения для непрерывной работы в насосах
- двигатель с термо-выключателями внутри обмотки
Характеристики насосной станции Grundfos Multilift MD1.80.80.22.4.50D /450.SL
- Модель Multilift MD1.80.80.30.4.50D /450.SL
- Артикул 97577861
- Бренд Grundfos
- Назначение сбора и отвода бытовых сточных вод
- Количество насосов 2
- Номинальный расход 19,8 м³/ч (5,5 л/с)
- Номинальный напор 11,8 м
- Максимальный поток 112 м³/ч (31,1 л/с)
- Максимальный напор 12,7 м
- Диаметр частиц до 80 мм
- Насос SL1.80.80.30.4.50D
- Корпус насоса чугун
- Рабочее колесо одноканальное
- Уплотнение вала SIC/SIC
- Максимальный гидравлический КПД 63%
- Бак пластик, LDPE
- Диапазон температуры окружающей среды 0..40 °С
- Размер исходного соединения DN 80
- Номинальное давление для подключения PN 10
- Максимальная глубина монтажа 2 м
- Диапазон температуры жидкости 0..40 °С
- Плотность 998,2 кг/м³
- Электродвигатель погружной с вихревым рабочим колесом
- Входная мощность P1 3,7 кВт
- Номинальная мощность P2 3,0 кВт
- Частота сети 50 Гц
- Номинальное напряжение 3х380-415 В +6/-10%
- Режим работы повторно-кратковременный S3-50%, 1 минута
- Пуск прямой (DOL)
- Количество запусков час 60
- Номинальный ток 7,4 А
- Номинальный ток при погрузке 3/4 6,4 А
- Номинальный ток при погрузке 1/2 5,6 А
- Пусковой ток 43 А
- Номинальный ток без нагрузки 5,1 А
- Cos phi коэффициент мощности 0,73
- Cos phi без погрузки 0,12
- Cos phi при погрузке 3/4 0,64
- Cos phi при погрузке 1/2 0,50
- Крутящий момент заблокированного ротора 53,1 Нм
- Крутящий момент пробоя 70,7 Нм
- КПД двигателя при полной нагрузке 81,2%
- КПД двигателя при нагрузке 3/4 79,9%
- КПД двигателя при нагрузке 1/2 76,4%
- Количество полюсов 4
- Класс защиты IP68
- Класс изоляции F
- Встроенная защита термовыключатель
- Кабель H07RN-F 10 м
- Общий объем резервуара 450 л
- Общий эффективный объем сборного резервуара на входе 180 мм 120 л
- Общий эффективный объем сборного резервуара на входе 250 мм 240 л
- Вес нетто 342 кг
- Вес брутто 439 кг
Подробнее о товаре
- Производитель
- GRUNDFOS
- Мощность, Вт
- 3000
- Производительность, max м3/ч
- 112
- Напор, мах м
- 12.7
- Объём, л
- 450
- Напряжение питания, В
- 400
- Диаметр
- DN 80 (3")
- Применение
- загрязнённые сточные воды
- Модель насоса
- Grundfos Multilift MD
6628
97577861







