Описание
Основное назначение компрессионных фитингов UNIDELTA из полипропилена - обеспечение гидравлической герметизации в системах распределения воды под давлением.
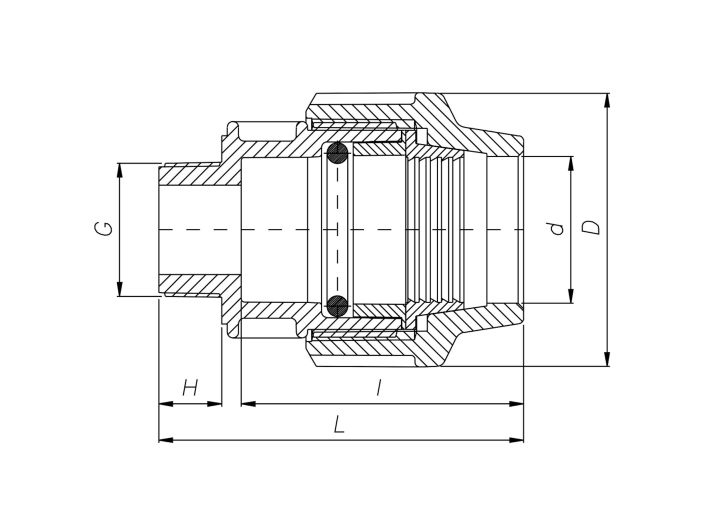
Переходник НР Унидельта (1003) d 50 х 1 1/4" составные части:
- черный полипропиленовый корпус (ПП)
- круглаая прокладка из нитриловой резины (HP)
- белое зажимное кольцо из полиацеталя (ПОМ)
- голубая гайка из полипропилена (ПП)
Компрессионные фитинги UNIDELTA можно купить в интернет магазине Насосвдом. Цены низкие. Быстрая доставка по всей Украине.
Полное соответствие всем нормативным требованиям для транспортировки питьевой воды и пищевых жидкостей.
Диаметр1 (d) = 50 мм
Диаметр2 (G) = 1 1/4" наружная резьба
Максимальное давление: 16 бар
Подробнее о товаре
- Производитель
- UNIDELTA
- Диаметр
- DN 50 (2")
- Вид
- переходник
4267
8216





