Описание
Компрессионные фитинги Unidelta (Италия) предназначены для соединения полиэтиленовых труб, для монтажа разветвленных водопроводных сетей (холодное водоснабжение), обустройства скважин, оросительных систем.
Главные отличительные особенности компрессионных фитингов - надежность, прочность и долговечность.
Что такое "компрессионный" фитинг? Давайте разберемся, что оно означает. Во время монтажа происходит опрессовка (компрессия) обжимного кольца фитинга на трубе, обеспечивая герметичность соединения. При любых погодных условиях установка может быть произведена без использования специального инструмента. Монтаж не требуют специального обучения. Достаточным условием перед монтажом будет очистка от различных механических загрязнений стыкующиеся концы.
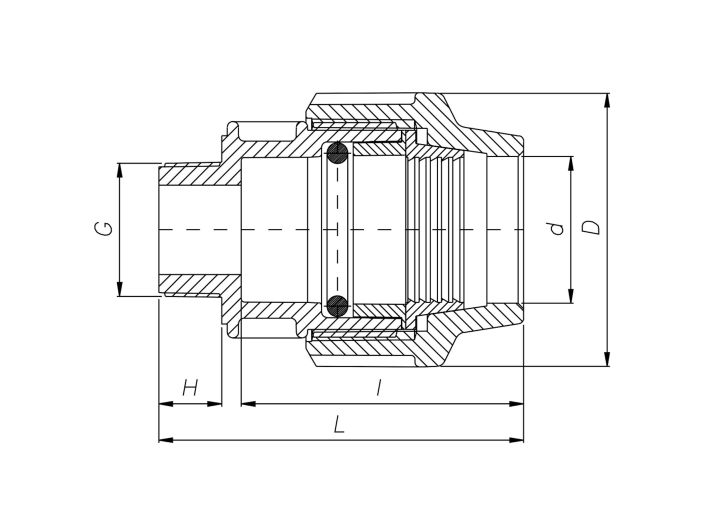
Диаметр1: 40мм
Диаметр2: 1 " наружная резьба
Максимальное давление: 16 бар
Подробнее о товаре
- Производитель
- UNIDELTA
- Диаметр
- DN 40 (1 1/2")
- Вид
- переходник





