Описание
Основное назначение компрессионных фитингов UNIDELTA из полипропилена - обеспечение гидравлической герметизации в системах распределения воды под давлением.
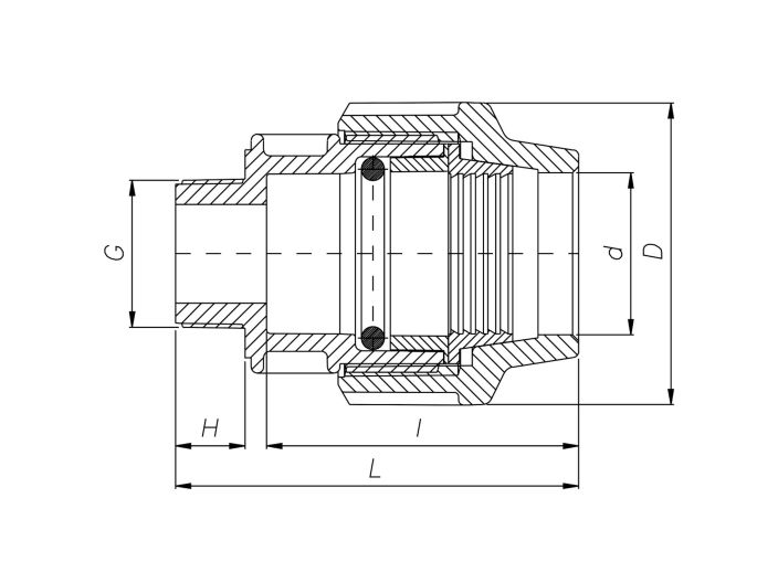
Переходник НР Унидельта (1003) d 32 х 1 1/2" состоит из:
- черного полипропиленового корпуса (ПП)
- круглой прокладки из нитриловой резины(HP)
- белого зажимного кольца из полиацеталя (ПОМ)
- голубой гайки из полипропилена (ПП)
Компрессионные фитинги UNIDELTA можно купить в интернет магазине Насосвдом. Цены низкие. Быстрая доставка по всей Украине.
Полное соответствие всем нормативным требованиям для транспортировки питьевой воды и пищевых жидкостей.
Диаметр1 (d) = 32 мм
Диаметр2 (G) = 1 1/2" наружная резьба
Максимальное давление: 16 бар
Подробнее о товаре
- Производитель
- UNIDELTA
- Диаметр
- DN 32 (1 1/4")
- Вид
- переходник
4261





