Описание
Компрессионные фитинги Unidelta - специальные изделия для соединения труб из полиэтилена, полипропилена и ПВХ с внешним диаметром от 16 до 110 мм. Полная совместимость с трубами из полиэтилена. Компрессионные фитинги Unidelta применяются в трубопроводах из ПЭ, ПП, ПВХ, в водоснабжении, промышленности.
Основные преимущества, которыми обладают компрессионные фитинги Unidelta:
- Герметическое соединение, благодаря системе уплотнения
- Максимальное рабочее давление 16 бар
- Легкий и быстрый монтаж без предварительной подготовки
- Длительный срок службы
- Долговечность
Компрессионные фитинги Unidelta имеют высокую сопротивляемость к различным химическим веществам и устойчивы к ультрафиолетовым лучам УФ.
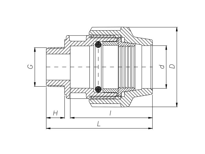
Диаметр1 (d) = 20 мм
Диаметр2 (G) = 1/2" наружная резьба
Максимальное давление: 16 бар
Подробнее о товаре
- Производитель
- UNIDELTA
- Диаметр
- DN 20 (3/4")
- Вид
- переходник





