Описание
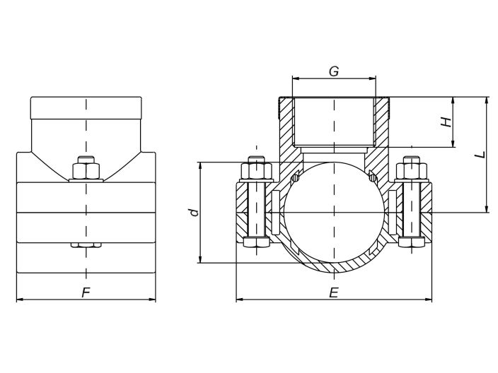
Хомут для полиэтиленовых труб ø 63х1 " применяется совместно с полиэтиленовыми пластиковыми трубами. Хомут для врезки необходимо покупать для соединения ПЭ труб. Хомут для полиэтиленовых труб используется для отвода от основной магистрали водоснабжения. При монтаже разрез трубы не требуется. Насосвдом предлагает широкий ассортимент одинарных и двойных обжимных хомутов для труб диаметром от 25 до 200 мм.
Монтаж прост и не требует специальных знаний и инструмента. Выдерживают номинальное давление от 10 до 16 атмосфер. Устойчивость к ультрафиолетовым лучам. Хомут для полиэтиленовых труб Unidelta ø63 с резьбой армированный. Внутренняя резьба 1". Конец резьбы усилен кольцом из нержавеющей стали
Технические характеристики
- Диаметр 63 мм
- Внутренняя резьба 1"
- Максимальное давление 16 бар
- Артикул 1026
Подробнее о товаре
- Производитель
- UNIDELTA
- Диаметр
- DN 63
- Вид
- хомут





