Описание
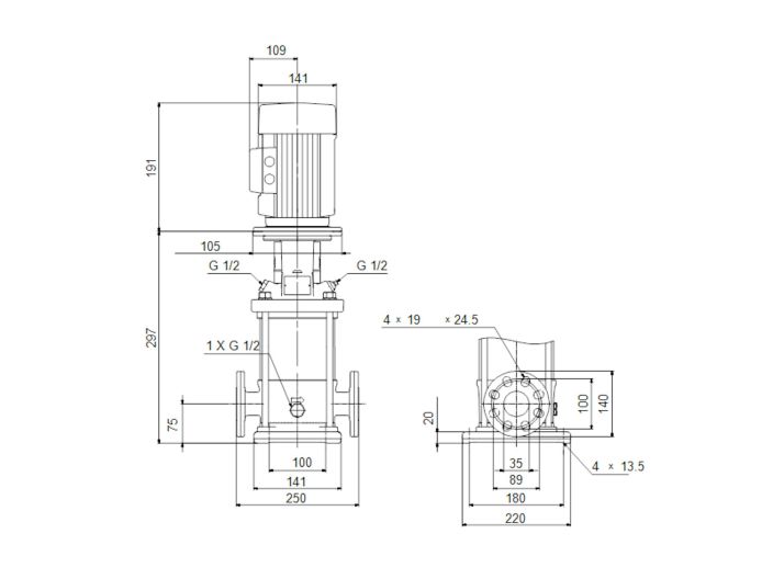
Вертикальный многоступенчатый центробежный насос CR 1-4 A-FGJ-A-E-HQQE с напорным и всасывающим патрубками, расположенными на одном уровне ("ин-лайн"), что обеспечивает возможность установки в горизонтальной однотрубной системе. Головная часть и основание насоса изготовлены из чугуна - все остальные, контактирующие с перекачиваемой жидкостью детали, из нержавеющей стали. Конструкция насоса, благодаря картриджному уплотнению вала обеспечивает высокую надежность, безопасное использование и легкий доступ для обслуживания. Вращение передается через разъемную муфту. Соединение трубопровода выполняется с помощью комбинированных фланцев стандартов DIN-ANSI-JIS. Насос оснащен асинхронным 3-фазным электродвигателем на лапах, с воздушным охлаждением.
Особенности и преимущества насоса GRUNDFOS CR
- Надежность;
- Энергоэффективность;
- Удобство технического обслуживания;
- Компактность;
- Пригоден для слабо агрессивных жидкостей;
- Высокая коррозионная устойчивость;
- Возможность создания высокого давления посредством только одного насоса.
Условия эксплуатации
Максимальная температура окружающей среды: 40 °C
Максимальное рабочее давление: 25 бар
Диапазон температур жидкости: -20 .. 120 °C
Технические характеристики

Скорость насоса, при которой рассчитаны его характеристики: 2856 об/м
Размер всасывающего патрубка DN 25/32
Размер напорного патрубка DN 25/32
Расположение насоса при монтаже: вертикальное
Тип установки уплотнения: одинарное
Код торцевого уплотнения вала: HQQE
Вес: 23.5 кг
Материалы
Основание и головная часть чугун
Основание и головная часть EN 1561 EN-GJL-200
Основание и головная часть ASTM A48-25B
Рабочее колесо нержавеющая сталь
Рабочее колесо EN 1.4301
Рабочее колесо AISI 304

Подробнее о товаре
- Производитель
- GRUNDFOS
- Мощность, Вт
- 370
- Производительность, max м3/ч
- 2.4
- Напор, мах м
- 25.4
- Диаметр
- DN 25 (1")
DN 32 (1 1/4")





