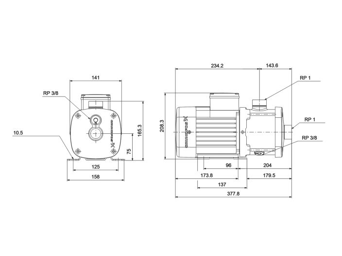
P2 500 Вт, U 230, I 3,3 А, Qmax 6 м³/ч, Нmax 26 м, давление 6/10 бар, T от 0 до 60 °С, G 1", габариты 378х158х209 мм, вес 13,8 кг
Самовсасывающий центробежный модульный насос с высотой всасывания до 8 метров
CM5-3 O-R-I-E-AVBE C1-A-A-N
Артикул 92889678
Гарантия 2 года
Описание
CM5-3 Grundfos 92889578 - компактный, надёжный, горизонтальный, самовсасывающий центробежный насос с торцевым всасыванием, осевым всасывающим и радиальным нагнетательным патрубками. Насос является самовсасывающим и может создавать высоту всасывания до 8 метров. Материалы насоса, контактирующие с жидкостью, изготовлены из нержавеющей стали. Механическое уплотнение вала AVBE - специально разработанное несбалансированное кольцевое уплотнение
CM5-3 Grundfos - модульный насос и состоит из двух основных компонентов: двигателя и насосного агрегата. Двигатель представляет собой IEC низковольтный мотор Grundfos, разработанный в соответствии со стандартами EN. Это однофазный асинхронный электродвигатель двигателем с вентиляторным охлаждением, монтируемый на лапах
Самовсасывающий насос CM5-3 оснащён оптимизированной гидравликой и предлагает различные типы соединений. Соединение с трубопроводами осуществляется через внутреннюю трубную резьбу Whitworth, Rp (ISO 7/1)
Сферы применения
- Водоочистка: фертигация, химигация и дозирование
- Контроль и цифровое управление подземными водами
- Капельное орошение, микрораспыление и полив из шланга
Технические характеристики насоса Grundfos CM5-3 92889678
- Модель CM5-3 O-R-I-E-AVBE C1-A-A-N
- Артикул 92889678
- Производитель Grundfos
- Страна-производитель Венгрия
- Назначение водоснабжение
- Высота всасывания до 8 м
- Максимальный напор 26 м
- Максимальная производительность 6 м³/ч
- Номинальный напор 20 м
- Номинальная производительность 4,6 м³/ч
- Рабочая жидкость вода температурой от 0 до 60°C
- Максимальное рабочее давление 10 бар
- Давление при температуре воды 60°C 6 бар
- Входной патрубок 1"
- Выходной патрубок 1"
- Номинальное напряжение 1х230 В, 50 Гц
- Электродвигатель MG71 асинхронный низкого напряжения IEC, тип рамы 71B
- Класс эффективности IE2
- Номинальная мощность P2 500 Вт
- Номинальный ток 3,30-3,15 А
- Пусковой ток 340-370%
- Номинальная скорость 2750-2780 об/мин
- Класс защиты IP55
- Класс изоляции F (155°С)
- Встроенная защита двигателя PTO (биметаллические выключатели, расположенные в обмотке статора двигателя)
- Уровень шума до 70 дБ
- Материал корпуса нержавеющая сталь AISI 304
- Материал рабочего колеса нержавеющая сталь AISI 304
- Уплотнение вала AVBE
- Габариты 378х158х209 мм
- Вес нетто 13,8 кг
- Вес брутто 16,3 кг
- Гарантия 2 года
Подробнее о товаре
- Производитель
- GRUNDFOS
- Мощность, Вт
- 500
- Производительность, max м3/ч
- 6
- Напор, мах м
- 26
- Напряжение питания, В
- 230
- Диаметр
- DN 25 (1")
- Материал корпуса
- нержавеющая сталь
- Ток max, А
- 3.3
- Материал рабочих колес
- нержавеющая сталь








