Сопутствующие товары
Описание
CM3-3 A-R-A-E-AQQE C1-A-A-N Grundfos 92889471 - компактный, надёжный, горизонтальный, многоступенчатый центробежный насос с торцевым всасыванием, осевым всасывающим и радиальным нагнетательным патрубками. Материалы насоса, контактирующие с жидкостью, изготовлены из нержавеющей стали. Механическое уплотнение вала AQQE - специально разработанное несбалансированное кольцевое уплотнение
CM3-3 Grundfos - модульный насос и состоит из двух основных компонентов: двигателя и насосного агрегата. Двигатель представляет собой IEC низковольтный мотор Grundfos, разработанный в соответствии со стандартами EN. Это однофазный асинхронный электродвигатель двигателем с вентиляторным охлаждением, монтируемый на лапах
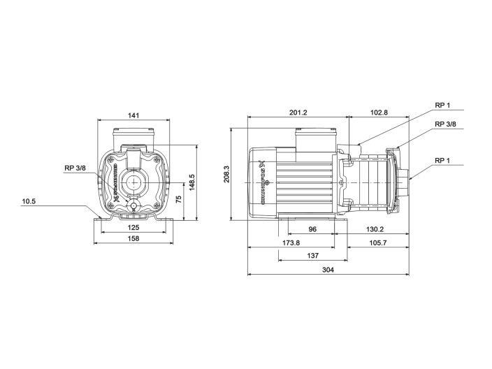
Самовсасывающий насос CM3-3 оснащён оптимизированной гидравликой и предлагает различные типы соединений. Соединение с трубопроводами осуществляется через внутреннюю трубную резьбу Whitworth, Rp (ISO 7/1)
Сферы применения
- Водоочистка: фертигация, химигация и дозирование
- Контроль и цифровое управление подземными водами
- Капельное орошение, микрораспыление и полив из шланга
Технические характеристики насоса Grundfos CM3-3 92889471
- Модель CM3-3 A-R-A-E-AQQE C1-A-A-N
- Артикул 92889471
- Производитель Grundfos
- Страна-производитель Венгрия
- Назначение водоснабжение
- Максимальный напор 26 м
- Максимальная производительность 4 м³/ч
- Номинальный напор 20 м
- Номинальная производительность 3 м³/ч
- Рабочая жидкость вода температурой от -20 до 90 °С
- Максимальное рабочее давление 10 бар
- Входной патрубок 1"
- Выходной патрубок 1"
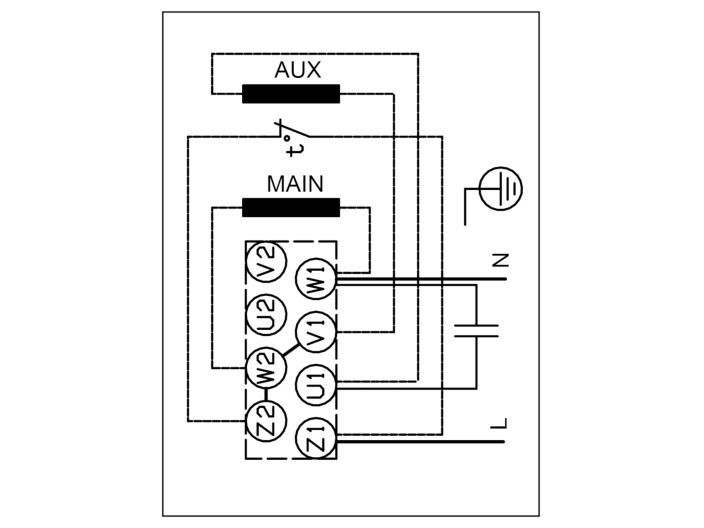
- Номинальное напряжение 1х230 В, 50 Гц
- Электродвигатель MG71 асинхронный низкого напряжения IEC, тип рамы 71B
- Класс эффективности IE2
- Номинальная мощность P2 500 Вт
- Номинальный ток 3,30-3,15 А
- Пусковой ток 340-370%
- Номинальная скорость 2750-2780 об/мин
- Класс защиты IP55
- Класс изоляции F (155 °С)
- Встроенная защита двигателя PTO (биметаллические выключатели, расположенные в обмотке статора двигателя)
- Уровень шума до 70 дБ
- Материал корпуса чугун
- Материал рабочего колеса нержавеющая сталь AISI 304
- Уплотнение вала AQQE
- Габариты 304х158х209 мм
- Вес нетто 12 кг
- Вес брутто 14,5 кг
- Гарантия 2 года
Подробнее о товаре
- Производитель
- GRUNDFOS
- Мощность, Вт
- 500
- Производительность, max м3/ч
- 4
- Напор, мах м
- 26
- Напряжение питания, В
- 230
- Диаметр
- DN 25 (1")
- Материал корпуса
- чугун
- Ток max, А
- 3.3
- Материал рабочих колес
- нержавеющая сталь








