400 В, P1 2,2 кВт, P2 1,5 кВт, I 3,8 А, Q max 70 м³/ч, Н max 17 м, кабель 10 м без вилки
Несамовсасывающий одноступенчатый центробежный насос для сточных вод
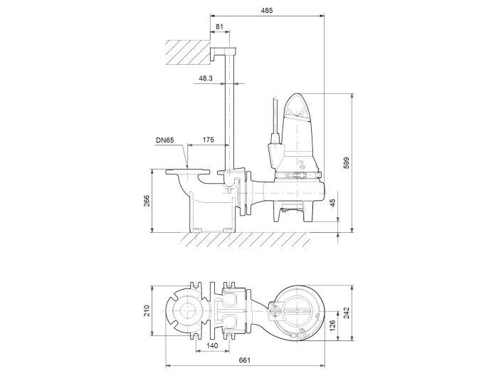
Рабочее колесо S-tube® чугун, корпус чугун, фланец DN65
Поплавковый выключатель, пульт управления Grundfos CU 100
Артикул 96104122
Гарантия 2 года
Сопутствующие товары
Описание
Grundfos SL1.50.65.15.A.2.50B (96104122) - насос для отведения канализационных, технологических и неочищенных сточных вод. Это несамовсасывающий одноступенчатый центробежный насос с корпусом и рабочим колесом из чугуна. Рабочее колесо одноканальное уникальной технологии S-tube® обеспечивает свободный сферический проход твёрдых частиц размером до 50 мм. Насос подходит для перекачивания для сточных вод с содержанием сухого вещества до 3%. Устанавливать насос возможно как свободно, так и на автоматической трубной муфте (96090992)
Применение насоса SL1.50.65.15.A.2.50B Grundfos
- отведение дренажных и поверхностных вод в большом объёме
- отведение стоков от частных домов (включая канализацию)
- отведение сточных вод от зданий и сооружений (кроме стоков из туалетов)
- отведение грязевых стоков промышленных предприятий
- производственные процессы
Насос для грязной воды SL1.50.65.15.A.2.50B Грундфос с погружным двигателем может работать в непрерывном и прерывистом режимах при погружной установке. При частично погружённом электродвигателе должен соблюдаться режим повторно-кратковременных включений. Продолжительность рабочего цикла не более 40%, максимальное число пусков/остановов - 30 в час
Преимущества насоса SL1.50.65.15.A.2.50B Grundfos
- Шкаф управления и поплавковый выключатель в комплекте
- Герметичное кабельное соединение при помощи стального разъёма с полиуретановым сердечником
- Одноканальное рабочее колесо работает без засорений с высокой производительностью
- Непрерывная работа в погружённом состоянии
- Картриджевое уплотнение вала сокращает время на обслуживание насоса
- Надёжные шарикоподшипники
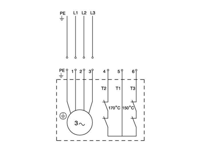
- Электродвигатель защищён от перегрева встроенным датчиком температуры
Технические характеристики Grundfos SL1.50.65.15.A.2.50B
- Модель: SL1.50.65.15.A.2.50B
- Артикул: 96104122
- Назначение: перекачивание загрязнённых дренажных, сточных и технологических вод
- Напор максимальный: 17 м
- Производительность максимальная: 70,2 м3/ч (19,5 л/с)
- Напор номинальный: 7,86 м
- Производительность номинальная: 34,74 м³/ч (9,65 л/с)
- Температура рабочей жидкости до 40°С, кратковременно не более 1 минуты до 60°С
- Рабочая жидкость: вода с уровнем pH 4-10 с твёрдыми включениями до 50 мм
- Максимальная глубина погружения 7 м
- Патрубок фланцевый: DN65
- Максимальное рабочее давление 6 бар
- Номинальное давление для подключения 10 бар
- Монтаж: свободная установка, на автомуфте (96090992)
Электрооборудование и дополнительная информация
- Электродвигатель: асинхронный
- Потребляемая мощность: P1 2200 Вт
- Номинальная мощность: P2 1500 Вт
- Частота сети: 50 Гц
- Номинальное напряжение: 3 х 400-415 В
- Максимальное количество запусков в час: 30
- Номинальный ток: 3,8 А
- Номинальный ток при нагрузке 3/4: 3,0 А
- Номинальный ток при нагрузке 1/2: 2,4 А
- Пусковой ток: 21 А
- Номинальный ток без нагрузки: 1,9 А
- Cos phi коэффициент мощности: 0,88
- Cos phi при нагрузке 3/4: 0,81
- Cos phi при нагрузке 1/2: 0,71
- Номинальная скорость: 2720 об/мин
- КПД двигателя при полной нагрузке: 67%
- КПД двигателя при нагрузке 3/4: 68%
- КПД двигателя при нагрузке 1/2: 63%
- Пуск двигателя прямой (DOL)
- Класс защиты: IP68
- Класс изоляции (IEC 85): F (155 °С)
- AutoAdapt: нет
- Взрывобезопасность: нет
- Блок управления: пульт управления Grundfos CU 100 с поплавковым выключателем
- Датчик влажности: нет
- Датчик воды в масле: нет
- Встроенная защита двигателя: термовыключатель
- Кабель питания: H07RN-F без вилки, 10 м
- Вес нетто: 55,7 кг
- Вес брутто: 63,3 кг
Материалы насоса Grundfos SL1.50.65.15.A.2.50B (96104122)
- Корпус насоса: чугун EN-GJL-250
- Эпоксидное покрытие: цвет NSC 8005 R80B, глянец 35
- Рабочее колесо: чугун EN-GJL-500-7
- Основание: чугун EN-GJL-250
- Корпус статора: чугун EN-JL-1030
- Защитная решётка: нержавеющая сталь
- Вал, ротор: сталь, нержавеющая сталь AISI 304
- Хомут: нержавеющая сталь AISI 304
- Ручка: нержавеющая сталь
- Кабель: H07RN-F водозащищённый
- Болты: нержавеющая сталь
- Механическое уплотнение вала: карбид кремния/карбид кремния, NBR резина, нержавеющая сталь
- Уплотнительные кольца: резина NBR
- Масляная камера: чугун
- Масло: Olinda 917
Подробнее о товаре
- Производитель
- GRUNDFOS
- Мощность, Вт
- 1500
- Производительность, max м3/ч
- 70
- Напор, мах м
- 17
- Тип исполнения
- с поплавковым выключателем
- Напряжение питания, В
- 400
- Диаметр
- DN 65 (2 1/2")
- Материал корпуса
- чугун
- Материал рабочих колес
- чугун
- Диаметр твердых частиц
- 50
- Модель насоса
- Grundfos SL
6474
96104122








