400 В, P1 3,8 кВт, P2 3,0 кВт, I 6,6 А, Q max 69,84 м³/ч, Н max 21,6 м, кабель 10 м без вилки
Несамовсасывающий одноступенчатый центробежный насос с охлаждающим кожухом для сточных вод
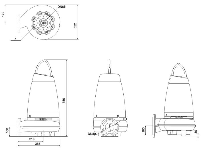
Рабочее колесо S-tube® чугун, корпус чугун, входной патрубок фланец DN65, выходной патрубок фланец DN80
Артикул 96047989
Гарантия 2 года
Сопутствующие товары
Описание
Grundfos SE1.50.80.30.2.50D.B (96047989) - насос с охлаждающим кожухом для отведения канализационных, технологических и неочищенных сточных вод. Это несамовсасывающий одноступенчатый центробежный насос с корпусом и рабочим колесом из чугуна. Рабочее колесо одноканальное уникальной технологии S-tube® обеспечивает свободный сферический проход твёрдых частиц размером до 50 мм. Насос подходит для перекачивания для сточных вод с содержанием сухого вещества до 3%. Возможны разные варианты установки насоса: погружной свободный монтаж, погружной стационарный монтаж на автоматической трубной муфте (96090993), сухой вертикальный на основании или сухой горизонтальный монтаж с опорами.
Для автоматической работы Grundfos SE нужен шкаф управления LC для одного насоса, LCD для двух насосов
Применение насоса SE1.50.80.30.2.50D.B Grundfos
- перекачивание бытовых и промышленных сточных вод
- отведение канализационных стоков
- отведение ливневых, промышленных стоков
- системы очистки сточных вод
Насос для грязной воды SE1.50.80.30.2.50D.B Грундфос с погружным двигателем может работать в непрерывном и прерывистом режимах при погружной установке. При частично погружённом электродвигателе должен соблюдаться режим повторно-кратковременных включений. Продолжительность рабочего цикла не более 40%, максимальное число пусков/остановов - 20 в час
Преимущества насоса SE1.50.80.30.2.50D.B Grundfos
- Герметичное кабельное соединение при помощи стального разъёма с полиуретановым сердечником
- Охлаждающий кожух из нержавеющей стали защищает корпус двигателя от ударов и легко очищается от загрязнений
- Одноканальное рабочее колесо работает без засорений с высокой производительностью
- Непрерывная работа в погружённом состоянии
- Картриджевое уплотнение вала сокращает время на обслуживание насоса
- Надёжные шарикоподшипники
- Встроенная тепловая защита электродвигателя (два термодатчика встроены в обмотку двигателя)
- Насос не нуждается в дополнительном охлаждении даже при сухом монтаже
Технические характеристики Grundfos SE1.50.80.30.2.50D.B
- Модель: SSE1.50.80.30.2.50D.B
- Артикул: 996047989
- Назначение: перекачивание загрязнённых дренажных, сточных и технологических вод
- Напор максимальный: 21,6 м
- Производительность максимальная: 69,84 м3/ч (19,4 л/с)
- Напор номинальный: 11,51 м
- Производительность номинальная: 61,56 м³/ч (17,1 л/с)
- Температура рабочей жидкости до 40°С
- Рабочая жидкость: вода с уровнем pH 4-10 с твёрдыми включениями до 50 мм
- Максимальная глубина погружения 7 м
- Патрубок входной фланцевый: DN65
- Патрубок выходной фланцевый: DN80
- Максимальное рабочее давление 6 бар
- Номинальное давление для подключения 10 бар
- Монтаж: свободная установка, на автомуфте (96090993)
Электрооборудование и дополнительная информация
- Электродвигатель: асинхронный
- Потребляемая мощность: P1 3800 Вт
- Номинальная мощность: P2 3000 Вт
- Частота сети: 50 Гц
- Номинальное напряжение: 3 х 380-415 В
- Максимальное количество запусков в час: 20
- Номинальный ток: 6,6 А
- Номинальный ток при нагрузке 3/4: 5 А
- Номинальный ток при нагрузке 1/2: 3,9 А
- Номинальный ток без нагрузки: 2,5 А
- Пусковой ток: 51 А
- Cos phi коэффициент мощности: 0,87
- Cos phi при нагрузке 3/4: 0,83
- Cos phi при нагрузке 1/2: 0,74
- Cos phi без нагрузки 1/2: 0,22
- Номинальная скорость: 2910 об/мин
- Крутящий момент заблокированного ротора: 23 Нм
- Крутящий момент пробоя: 33 Нм
- КПД двигателя при полной нагрузке: 79,6%
- КПД двигателя при нагрузке 3/4: 78,5%
- КПД двигателя при нагрузке 1/2: 75,1%
- Количество полюсов: 2
- Пуск двигателя прямой (DOL)
- Класс защиты: IP68
- Класс изоляции (IEC 85): F (155°С)
- AutoAdapt: нет
- Взрывобезопасность: нет
- Блок управления: нет
- Датчик влажности: нет
- Датчик воды в масле: нет
- Встроенная защита двигателя: PTO (биметаллические выключатели в обмотках статора)
- Кабель питания: Lyniflex без вилки, 10 м
- Вес нетто: 106 кг
- Вес брутто: 116 кг
Материалы насоса Grundfos SE1.50.80.30.2.50D.B (96047989)
- Корпус насоса: чугун
- Эпоксидное покрытие: цвет NSC 8005 R80B
- Рабочее колесо: чугун
- Корпус статора: алюминий
- Кожух электродвигателя: нержавеющая сталь
- Вал, ротор: сталь, нержавеющая сталь
- Хомут, болты, кабельный ввод, ручка: нержавеющая сталь
- Кожух подшипников, промежуточный фланец: чугун
- Механическое уплотнение вала: карбид кремния/карбид кремния, графит/керамика
- Уплотнительные кольца: резина NBR
- Кабель: Lyniflex водозащищённый
- Масляная камера: чугун
- Масло: Olinda 917
Подробнее о товаре
- Производитель
- GRUNDFOS
- Мощность, Вт
- 3000
- Производительность, max м3/ч
- 70
- Напор, мах м
- 21
- Напряжение питания, В
- 400
- Диаметр
- DN 65 (2 1/2")
DN 80 (3") - Материал корпуса
- чугун
- Материал рабочих колес
- чугун
- Диаметр твердых частиц
- 50
- Модель насоса
- Grundfos SE








