Насос для дренажа Pedrollo VX 55/65 48SGV970MA
P1 1600 Вт, P2 1100 Вт, U 230 В, I 7,4 А, Qmax 43,2 м³/ч, Нmax 19,3 м, кабель 10 м с вилкой
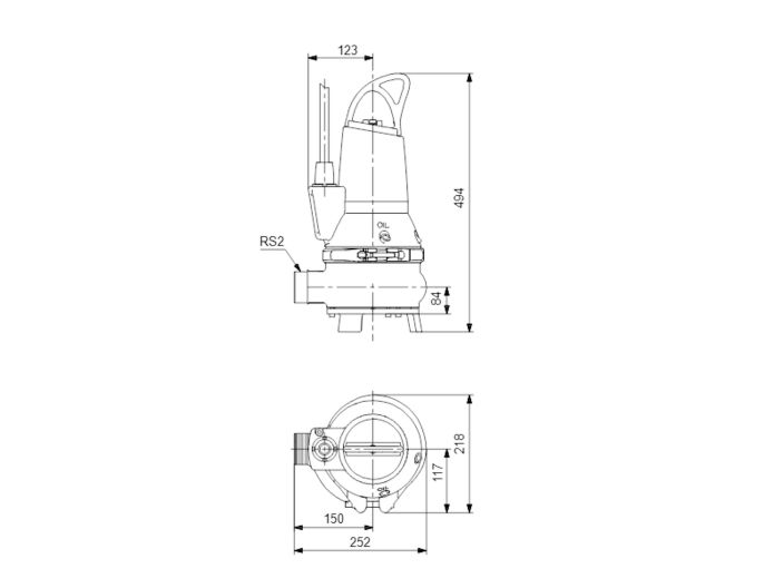
Диаметр патрубка R 2"
Диаметр твёрдых частиц 30 мм
Поплавковый выключатель, пульт управления Grundfos CU 100
Артикул: 96106556
Страна-изготовитель: Дания
Гарантия: 2 года
Описание
EF30.50.11.A.2.1.502 96106556 Grundfos - переносной дренажный насос для бытового и промышленного применения. Это погружной насос из чугуна со встроенным однофазным двигателем класса изоляции F, предназначенным для погружения в рабочую жидкость. Для дополнительной защиты в двигатель встроен датчик температуры. Рабочее колесо насоса одноканальное полуоткрытого типа со свободным проходом 30 мм
Насос для грязной воды EF30.50.11.A.2.1.502 Грундфос комплектуется пультом управления Grundfos CU 100 и поплавковым выключателем
Насос для сточных вод Grundfos EF30.50.11.A.2.1.502 используется для перекачивания и дренажа поверхностных вод с небольшими примесями, сточных вод с волокнами, например, из прачечных, сточных вод без сброса из туалетов. Насос можно устанавливать на постоянной основе или временно. Промежуточная масляная камера предварительно заполнена нетоксичным специальным маслом. Герметичная кабельная заглушка, закрытая полиуретаном, предотвращает попадание воды через кабель в двигатель. Между корпусом насоса и двигателем предусмотрен металлический зажим, который обеспечивает легкий и безопасный демонтаж и сборку. Осмотр насоса возможен в полевых условиях без специальных инструментов. На насосе Grundfos EF есть ручка для переноски
Уплотнение вала насоса Grundfos EF30.50.11.A.2.1.502 картриджной конструкции легко заменяется и предупреждает риск неправильной установки насоса. Электродвигатель оснащён долговечными шарикоподшипниками с глубокими канавками и смазкой на весь срок службы. Выпускное отверстие насоса диаметром R 2", глубина погружения до 7 м. Насос EF 30.50 предназначен для свободной установки и на автоматической трубной муфте
Технические характеристики Grundfos EF30.50.11.A.2.1.502
- Наименование: EF30.50.11.A.2.1.502
- Артикул: 96106556
- Предназначение: дренаж грунтовых, поверхностных и технических вод с волокнами
- Напор максимальный: 19,3 м
- Производительность максимальная: 43,2 м³/ч (12 л/с)
- Напор номинальный: 10,32 м
- Производительность номинальная: 18,72 м³/ч (5,2 л/с)
- Температура рабочей жидкости до 40°С, кратковременно (до 15 минут) до 60°С
- Рабочая жидкость: загрязнённая вода с уровнем pH 4-10 без волокнистых включений, твёрдые частицы до 30 мм
- Максимальное рабочее давление: 6 бар
- Номинальное давление для подключения: 10 бар
- Максимальная глубина погружения 7 м
- Диаметр патрубка: R 2" (наружная резьба)
Электрооборудование и дополнительная информация
- Электродвигатель: погружной асинхронный
- Потребляемая мощность: P1 1600 Вт
- Номинальная мощность: P2 1100 Вт
- Частота сети: 50 Гц
- Номинальное напряжение: 1 х 230 В
- Номинальный ток: 7,4 А
- Номинальный ток при нагрузке 3/4: 5,8 А
- Номинальный ток при нагрузке 1/2: 4,5 А
- Пусковой ток: 38 А
- Номинальный ток без нагрузки: 2,6 А
- Cos phi коэффициент мощности: 0,97
- Cos phi нагрузке 3/4: 0,96
- Cos phi при нагрузке 1/2: 0,89
- Номинальная скорость: 2830 об/мин
- Крутящий момент заблокированного ротора: 6,5 Нм
- Крутящий момент пробоя: 7 Нм
- Момент инерции: 0,0037 кг м²
- КПД двигателя при полной нагрузке: 67 %
- КПД двигателя при нагрузке 3/4: 66 %
- КПД двигателя при нагрузке 1/2: 50%
- Конденсатор: 30 мкФ
- Количество полюсов: 2
- Пуск двигателя прямой (DOL)
- Режим работы: непрерывный в полностью погружённом состоянии (при частично погружённом двигателе режим повторно-кратковременных включений с рабочим циклом не более 40%)
- Максимальное количество пусков/остановов в час: 30
- Класс защиты: IP68
- Класс изоляции (IEC 85): F
- Взрывобезопасность: нет
- AUTOADAPT: нет
- Дополнительный ввод/вывод: внешний
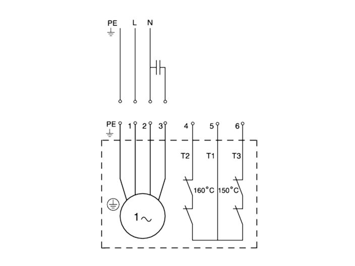
- Блок управления: Grundfos CU 100 с поплавковым выключателем
- Датчик влажности: нет
- Датчик воды в масле: нет
- Встроенная защита двигателя: термовыключатель
- Тепловая защита: встроенная
- Кабель питания: H07RN-F, с вилкой Shucko, 10 м
- Габаритные размеры упаковки: 40х30х60 см
- Вес нетто: 40,4 кг
- Вес брутто: 45,8 кг
Материалы насоса Grundfos EF30.50.11.A.2.1.502 (96106556)
- Корпус насоса: чугун EN-GJL-250
- Покрытие корпуса: эпоксидное, цвет NSC 8005 R80B, глянец 35
- Рабочее колесо: чугун EN-GJL-500-7
- Корпус статора: чугун EN-JL-1030
- Основание: чугун EN-GJL-250
- Масляная камера: чугун
- Масло: Shell Olinda 917
- Вал: сталь
- Ротор: нержавеющая сталь AISI 304
- Хомут: нержавеющая сталь AISI 304
- Ручка: нержавеющая сталь CF-8
- Кабельній ввод: нержавеющая сталь CF-8
- Болты: нержавеющая сталь
- Уплотнение вала первичное: картриджное SIC/SIC
- Уплотнение вала вторичное: щелевое уплотнение, резина NBR
- Уплотнительное кольцо: резина NBR
Подробнее о товаре
- Производитель
- GRUNDFOS
- Мощность, Вт
- 1100
- Производительность, max м3/ч
- 43
- Напор, мах м
- 19
- Тип исполнения
- с поплавковым выключателем
- Напряжение питания, В
- 230
- Диаметр
- DN 50 (2")
- Материал корпуса
- чугун
- Материал рабочих колес
- чугун
- Диаметр твердых частиц
- 30
- Модель насоса
- Grundfos EF







