Описание
DP10.65.26.Ex.2.50B 96106543 Grundfos - портативный дренажный насос для бытового и промышленного применения. Это погружной насос из чугуна со встроенным трёхфазным двигателем класса изоляции F, предназначенным для погружения в рабочую жидкость. Рабочее колесо насоса полуоткрытого типа со свободным проходом 10 мм. На всасывающем патрубке установлена решётка для защиты насоса от попадания в него частиц больше диаметром 10 мм. Эту сетку можно снять для промывания и проверки технического состояния насоса
Насос для сточных вод DP10.65.26.Ex.2.50B Грундфос взрывобезопасный, стандарт взрывозащиты EN50014/EN50018, класс EEx d IIB T4
Насос для грязной воды Grundfos DP 10.65.26.Ex.2.50B используется для перекачивания и дренажа грунтовых и поверхностных вод, технической воды без твёрдых частиц и волокон. Компактная конструкция делает насос пригодным как для временной, так и для постоянной установки. Промежуточная масляная камера предварительно заполнена нетоксичным специальным маслом. Герметичная кабельная заглушка, закрытая полиуретаном, предотвращает попадание воды через кабель в двигатель. Между корпусом насоса и двигателем предусмотрен металлический зажим, который обеспечивает легкий и безопасный демонтаж и сборку. Осмотр насоса возможен в полевых условиях без специальных инструментов. На насосе Grundfos DP есть ручка для переноски
Уплотнение вала насоса Grundfos DP10.65.26.Ex.2.50B картриджной конструкции легко заменяется и предупреждает риск неправильной установки насоса. Электродвигатель оснащён долговечными шарикоподшипниками с глубокими канавками и смазкой на весь срок службы. Выпускное отверстие насоса диаметром R 2", глубина погружения до 7 м. Насос DP 10.50 предназначен для свободной установки и на автоматической трубной муфте
Технические характеристики Grundfos DP10.65.26.Ex.2.50B
- Наименование: DP10.65.26.Ex.2.50B
- Артикул: 96106543
- Предназначение: дренаж грунтовых, поверхностных и технических вод
- Напор максимальный: 25,1 м
- Производительность максимальная: 46,08 м³/ч (12,8 л/с)
- Напор номинальный: 17,96 м
- Производительность номинальная: 29,124 м³/ч (8,09 л/с)
- Температура рабочей жидкости до 40 °С, кратковременно (до 1 часа) до 60 °С
- Рабочая жидкость: загрязнённая вода с уровнем pH 4-10 без волокнистых включений, твёрдые частицы до 10 мм
- Максимальное рабочее давление: 6 бар
- Номинальное давление для подключения: 10 бар
- Максимальная глубина погружения 7 м
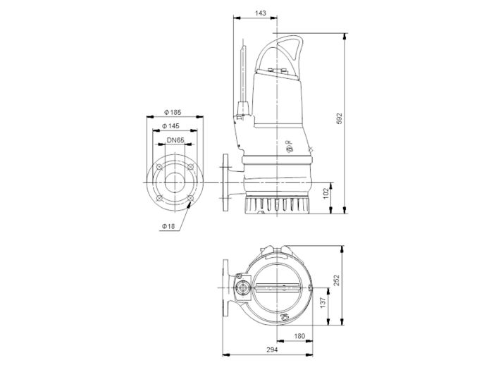
- Патрубок фланцевый DN65
Электрооборудование и дополнительная информация
- Электродвигатель: погружной асинхронный
- Потребляемая мощность: P1 3500 Вт
- Номинальная мощность: P2 2600 Вт
- Частота сети: 50 Гц
- Номинальное напряжение: 3 х 400-415 В
- Номинальный ток: 5,8 А
- Номинальный ток при нагрузке 3/4: 4,5 А
- Номинальный ток при нагрузке 1/2: 3,5 А
- Пусковой ток: 33 А
- Номинальный ток без нагрузки: 2,8 А
- Cos phi коэффициент мощности: 0,87
- Cos phi без нагрузки: 0,81
- Cos phi нагрузке 3/4: 0,68
- Cos phi при нагрузке 1/2: 0,68
- Номинальная скорость: 2870 об/мин
- Крутящий момент заблокированного ротора: 19 Нм
- Крутящий момент пробоя: 24 Нм
- Момент инерции: 0,007 кг м²
- КПД двигателя при полной нагрузке: 74 %
- КПД двигателя при нагрузке 3/4: 75 %
- КПД двигателя при нагрузке 1/2: 74 %
- Количество полюсов: 2
- Пуск двигателя прямой (DOL)
- Режим работы: непрерывный в полностью погружённом состоянии (при частично погружённом двигателе режим повторно-кратковременных включений с рабочим циклом не более 40%)
- Максимальное количество пусков/остановов в час: 30
- Класс защиты: IP68
- Класс изоляции (IEC 85): F
- Взрывобезопасность: да, стандарт взрывозащиты EN50014/EN50018, class EEx d IIB T4
- AUTOADAPT: нет
- Дополнительный ввод/вывод: внешний
- Блок управления: нет
- Датчик влажности: нет
- Датчик воды в масле: нет
- Встроенная защита двигателя: термовыключатель
- Тепловая защита: встроенная
- Кабель питания: H07RN-F, без вилки, 10 м
- Габаритные размеры упаковки: 50х50х90 см
- Вес нетто: 72,9 кг
- Вес брутто: 80,4 кг
Материалы насоса Grundfos DP10.65.26.Ex.2.50B 96106543
- Корпус насоса: чугун EN-GJL-250
- Покрытие корпуса: эпоксидное, цвет NSC 8005 R80B, глянец 35
- Рабочее колесо: чугун EN-GJS-500-7
- Корпус статора: чугун EN-JL-1030
- Основание: чугун EN-GJL-250
- Масляная камера: чугун
- Масло: Shell Olinda 907
- Вал: сталь
- Ротор: нержавеющая сталь AISI 304
- Защитная решётка: нержавеющая сталь
- Хомут: нержавеющая сталь AISI 304
- Ручка: нержавеющая сталь
- Кабельній ввод: нержавеющая сталь
- Болты: нержавеющая сталь
- Уплотнение вала первичное: картриджное SIC/SIC
- Уплотнение вала вторичное: графит/оксид алюминия, резина NBR
- Уплотнительное кольцо: резина NBR
Подробнее о товаре
- Производитель
- GRUNDFOS
- Мощность, Вт
- 2600
- Производительность, max м3/ч
- 46
- Напор, мах м
- 25
- Напряжение питания, В
- 400
- Диаметр
- DN 65 (2 1/2")
- Материал корпуса
- чугун
- Материал рабочих колес
- чугун
- Диаметр твердых частиц
- 10
- Модель насоса
- Grundfos DP






