Описание
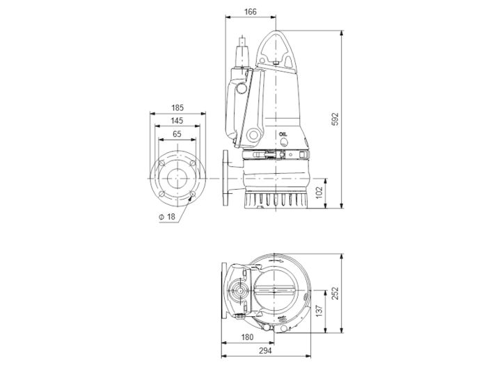
DP10.65.26.E.Ex.2.50B AutoAdapt 96877507 Grundfos - портативный дренажный насос для бытового и промышленного применения. Это погружной насос из чугуна со встроенным трёхфазным двигателем класса изоляции F, предназначенным для погружения в рабочую жидкость. Рабочее колесо насоса полуоткрытого типа со свободным проходом 10 мм. На всасывающем патрубке установлена решётка для защиты насоса от попадания в него частиц больше диаметром 10 мм. Эту сетку можно снять для промывания и проверки технического состояния насоса
Насос для сточных вод DP10.65.26.E.Ex.2.50B Грундфос взрывобезопасный, стандарт взрывозащиты EN50014/EN50018, класс EEx d IIB T4
Насос для грязной воды Grundfos DP 10.65.26.E.Ex.2.50B используется для перекачивания и дренажа грунтовых и поверхностных вод, технической воды без твёрдых частиц и волокон. Компактная конструкция делает насос пригодным как для временной, так и для постоянной установки. Промежуточная масляная камера предварительно заполнена нетоксичным специальным маслом. Герметичная кабельная заглушка, закрытая полиуретаном, предотвращает попадание воды через кабель в двигатель. Между корпусом насоса и двигателем предусмотрен металлический зажим, который обеспечивает легкий и безопасный демонтаж и сборку. Осмотр насоса возможен в полевых условиях без специальных инструментов. На насосе Grundfos DP есть ручка для переноски
Уплотнение вала насоса Grundfos DP10.65.26.E.Ex.2.50B картриджной конструкции легко заменяется и предупреждает риск неправильной установки насоса. Электродвигатель оснащён долговечными шарикоподшипниками с глубокими канавками и смазкой на весь срок службы. Выпускное отверстие насоса диаметром R 2", глубина погружения до 7 м. Насос DP 10.65 предназначен для свободной установки и на автоматической трубной муфте
Насос для сточных вод Grundfos DP10.65.26.E.Ex.2.50B с функцией AUTOADAPT оснащен контроллером, датчиками и защитой двигателя. Их нужно только подключить к электросети. Насос имеет выход реле сигнализации. Происходит самокалибровка после каждого цикла работы. Противозадирная система запускает насос через запрограммированные интервалы времени, чтобы предотвратить заклинивание рабочего колеса. Функция AUTOADAPT управляет током двигателя во время запуска
Технические характеристики Grundfos DP10.65.26.E.Ex.2.50B
- Наименование: DP10.65.26.E.Ex.2.50B
- Артикул: 96877507
- Предназначение: дренаж грунтовых, поверхностных и технических вод
- Напор максимальный: 25,1 м
- Производительность максимальная: 46,08 м³/ч (12,8 л/с)
- Напор номинальный: 17,96 м
- Производительность номинальная: 29,124 м³/ч (8,09 л/с)
- Температура рабочей жидкости до 40 °С, кратковременно (до 1 часа) до 60 °С
- Рабочая жидкость: загрязнённая вода с уровнем pH 4-10 без волокнистых включений, твёрдые частицы до 10 мм
- Максимальное рабочее давление: 6 бар
- Номинальное давление для подключения: 10 бар
- Максимальная глубина погружения 7 м
- Патрубок фланцевый DN65
Электрооборудование и дополнительная информация
- Электродвигатель: погружной асинхронный
- Потребляемая мощность: P1 3500 Вт
- Номинальная мощность: P2 2600 Вт
- Частота сети: 50 Гц
- Номинальное напряжение: 3 х 400-415 В
- Номинальный ток: 5,8 А
- Номинальный ток при нагрузке 3/4: 4,5 А
- Номинальный ток при нагрузке 1/2: 3,5 А
- Пусковой ток: 33 А
- Номинальный ток без нагрузки: 2,8 А
- Cos phi коэффициент мощности: 0,87
- Cos phi без нагрузки: 0,81
- Cos phi нагрузке 3/4: 0,68
- Cos phi при нагрузке 1/2: 0,68
- Номинальная скорость: 2870 об/мин
- Крутящий момент заблокированного ротора: 19 Нм
- Крутящий момент пробоя: 24 Нм
- Момент инерции: 0,007 кг м²
- КПД двигателя при полной нагрузке: 74 %
- КПД двигателя при нагрузке 3/4: 75 %
- КПД двигателя при нагрузке 1/2: 74 %
- Количество полюсов: 2
- Пуск двигателя прямой (DOL)
- Режим работы: непрерывный в полностью погружённом состоянии (при частично погружённом двигателе режим повторно-кратковременных включений с рабочим циклом не более 40%)
- Максимальное количество пусков/остановов в час: 30
- Класс защиты: IP68
- Класс изоляции (IEC 85): F
- Взрывобезопасность: да, стандарт взрывозащиты EN50014/EN50018, class EEx d IIB T4
- AUTOADAPT: да
- Дополнительный ввод/вывод: внешний
- Блок управления: нет
- Датчик влажности: нет
- Датчик воды в масле: нет
- Встроенная защита двигателя: термовыключатель
- Тепловая защита: встроенная
- Кабель питания: LYNIFLEX, без вилки, 10 м
- Габаритные размеры упаковки: 50х50х90 см
- Вес нетто: 66,8 кг
- Вес брутто: 74,3 кг
Материалы насоса Grundfos DP10.65.26.E.Ex.2.50B 96877507
- Корпус насоса: чугун EN-GJL-250
- Покрытие корпуса: эпоксидное, цвет NSC 8005 R80B, глянец 35
- Рабочее колесо: чугун EN-GJS-500-7
- Корпус статора: чугун EN-JL-1030
- Основание: чугун EN-GJL-250
- Масляная камера: чугун
- Масло: Shell Olinda 907
- Вал: сталь
- Ротор: нержавеющая сталь AISI 304
- Защитная решётка: нержавеющая сталь
- Хомут: нержавеющая сталь AISI 304
- Ручка: нержавеющая сталь
- Кабельній ввод: нержавеющая сталь
- Болты: нержавеющая сталь
- Уплотнение вала первичное: картриджное SIC/SIC
- Уплотнение вала вторичное: графит/оксид алюминия, резина NBR
- Уплотнительное кольцо: резина NBR
Подробнее о товаре
- Производитель
- GRUNDFOS
- Мощность, Вт
- 2600
- Производительность, max м3/ч
- 46
- Напор, мах м
- 25
- Напряжение питания, В
- 400
- Диаметр
- DN 65 (2 1/2")
- Материал корпуса
- чугун
- Материал рабочих колес
- чугун
- Диаметр твердых частиц
- 10
- Модель насоса
- Grundfos DP






