Корпус нержавеющая сталь, P=8-175 Вт, U=220 В, L=180 мм, фланцы DN 32, Qmax=10м³/ч, Нmax=10 м, Qnom=5,6м³/ч, Нnom=6,8м, t=-10°С...+110°С, PN10
Циркуляционный насос с частотным преобразователем для замены Grundfos UPS
Артикул 99221257
Гарантия 2 года
Сопутствующие товары
Описание
Grundfos MAGNA1 32-100 F N 220 99221257 - циркуляционный насос со встроенным частотным преобразователем. Он применятся для циркуляции жидкости в системах отопления, кондиционирования воздуха. Этот инновационный насос может устанавливаться в новых системах или на замену стандартных циркуляционных насосов Grundfos UPS. Насос Магна1 может работать в широком температурном диапазоне, при этом температура жидкости не зависит от температуры окружающей среды/ Корпус из нержавеющей стали позволяет использовать этот насос для систем горячего водоснабжения (ГВС)
Насос Magna1 32-100 F N 220 обладает синхронным электродвигателем с постоянными магнитами. Для такого двигателя характерен повышенный КПД, к тому же ему не нужна внешняя защита. Встроенный преобразователь частоты вращения обеспечивает плавную работу, адаптацию под потребности системы и минимальное потребление электроэнергии. Охлаждение и очистка мотора происходит за счёт омывания его рабочей жидкостью, поэтому насос работает очень тихо и не нуждается в частом техническом обслуживании.
Циркуляционный насос MAGNA1 Grundfos управляется электронным контроллером. Настройка и управление достаточно просты, на лицевой панели расположены световые индикаторы, отображающие выбранный режим работы и информацию о текущем состоянии насоса. Выбрать нужную настройку можно при помощи кнопки. Насос Магна1 поставляется с теплоизоляционным кожухом, который существенно снижает тепловые потери. Корпус изготовлен из нержавеющей стали, что придаёт максимальную устойчивость к коррозии и перепадам температур. Типоразмер насоса выбирается, принимая во внимание максимальный требуемый расход в гидросистеме и максимальные потери давления.
Режимы работы Grundfos MAGNA1 32-100 F N 220 99221257
- Три фиксированные скорости
- Три режима пропорционального регулирования (низкий, средний и высокий напор)
- Три режима постоянного давления (низкий, средний, высокий напор)
В комплекте поставляется:
- насос циркуляционный фланцевый MAGNA1 32-100 F N 220 99221257 Grundfos
- съёмный теплоизоляционный кожух охлаждения
- комплект шайб для монтажа
- инструкция по эксплуатации
Характеристики Grundfos MAGNA1 32-100 F N 220
- Наименование MAGNA1 32-100 F N
- Артикул 99221257
- Номинальная подача 5,6 м³/ч
- Номинальный напор 6,8 м
- Максимальная подача 10,0 м³/ч
- Максимальный напор 10м
Материалы
- Корпус насоса нержавеющая сталь
- Крыльчатка (рабочее колесо) технополимер PES 30% GF
Монтажные характеристики
- Диапазон температуры окружающей среды 0 .. 40°С
- Максимальное рабочее давление 10 бар
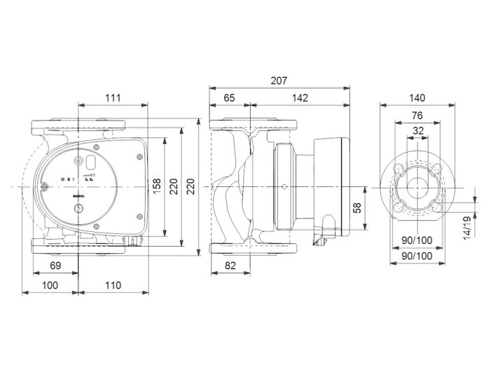
- Соединение труб Ду 32 фланцевое
- Номинальное давление PN 10
- Длина монтажная 220 мм
Жидкость
- Перекачиваемая жидкость вода
- Диапазон температур жидкости -10 .. 110°С
- Температура жидкости 60 ° С
- Плотность >983,2 кг/м³
Электрические данные
- Потребляемая мощность (P1) 8-185 Вт
- Частота сети 50/60 Гц
- Номинальное напряжение 1 х 230 В
- Максимальное потребление тока 0,08-1,41 А
- Класс защиты (IEC 34-5) X4D
- Класс изоляции (IEC 85)F
Другие
- Класс энергопотребления (EEI) 0,20
- Вес нетто 7,83 кг
- Вес брутто 8,44 кг
- Объем поставки 0,016 м³
- Гарантия 2 года
Подробнее о товаре
- Производитель
- GRUNDFOS
- Мощность, Вт
- 176
- Производительность, max м3/ч
- 10
- Напор, мах м
- 10
- Напряжение питания, В
- 230
- Диаметр
- DN 32 (1 1/4")
- Материал корпуса
- нержавеющая сталь
- Соединение
- фланцевое
- Монтажное исполнение
- 220 мм
- Управление
- частотное регулирование
- Модель насоса
- Grundfos Magna1
6220
99221257
zn3/7232








