Корпус нержавеющая сталь, P=9-128 Вт, U=220 В, L=180 мм, G 1 1/2", DN 25, Qmax=8 м³/ч, Нmax=8 м, Qnom=5 м³/ч, Нnom=5,1 м, t=-10℃…+110℃, PN 10
Циркуляционный насос с частотным преобразователем для замены Grundfos UPS
Артикул 99221225
Гарантия 2 года
Сопутствующие товары
Описание
Grundfos MAGNA1 25-80 N 180 99221225 - циркуляционный насос со встроенным частотным преобразователем. Он применятся для циркуляции жидкости в системах отопления, горячего водоснабжения и кондиционирования воздуха. Этот инновационный насос может устанавливаться в новых системах или на замену стандартных циркуляционных насосов Grundfos UPS. Насос Магна1 может работать в широком температурном диапазоне, при этом температура жидкости не зависит от температуры окружающей среды/
Насос Magna1 25-80 N обладает синхронным электродвигателем с постоянными магнитами. Для такого двигателя характерен повышенный КПД, к тому же ему не нужна внешняя защита. Встроенный преобразователь частоты вращения обеспечивает плавную работу, адаптацию под потребности системы и минимальное потребление электроэнергии. Охлаждение и очистка мотора происходит за счёт омывания его рабочей жидкостью, поэтому насос работает очень тихо и не нуждается в частом техническом обслуживании.
Циркуляционный насос MAGNA1 Grundfos управляется электронным контроллером. Настройка и управление достаточно просты, на лицевой панели расположены световые индикаторы, отображающие выбранный режим работы и информацию о текущем состоянии насоса. Выбрать нужную настройку можно при помощи кнопки. Насос Магна1 поставляется с теплоизоляционным кожухом, который существенно снижает тепловые потери. Корпус изготовлен из нержавеющей стали, что придаёт максимальную устойчивость к коррозии и перепадам температур. Типоразмер насоса выбирается, принимая во внимание максимальный требуемый расход в гидросистеме и максимальные потери давления.
Режимы работы Grundfos MAGNA1 25-80 N 180 99221225
- Три фиксированные скорости
- Три режима пропорционального регулирования (низкий, средний и высокий напор)
- Три режима постоянного давления (низкий, средний, высокий напор)
В комплекте поставляется:
- насос циркуляционный муфтовый MAGNA1 25-80 N 180 99221225 Grundfos
- съёмный теплоизоляционный кожух охлаждения
- комплект шайб для монтажа
- инструкция по эксплуатации
Характеристики Grundfos MAGNA1 25-80 N
- Наименование MAGNA1 25-80 N
- Артикул 99221225
- Номинальный расход 5 м³/ч
- Номинальный напор 5.1 м
- Максимальный расход 8 м³/ч
- Максимальный напор 8 м
- Модель C
Материалы
- Корпус насоса нержавеющая сталь
- Рабочее колесо PES 30%GF
Монтаж
- Температура окружающей среды 0 ... 40 °C
- Макс. рабочее давление 16 бар
- Соединение труб G 1 1/2" (Ду 25) наружная резьба
- Допустимое давление PN 10
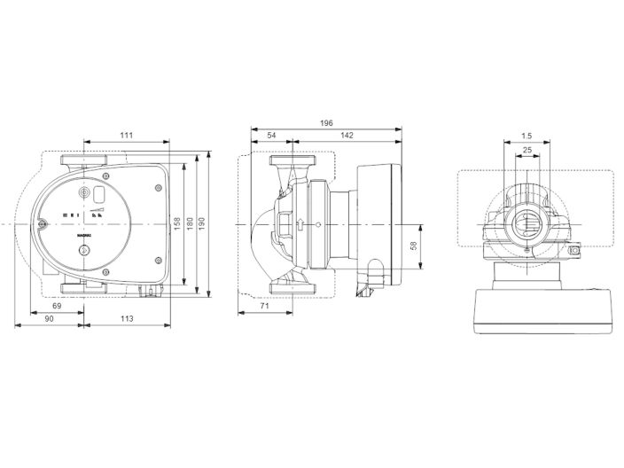
- Монтажная длина 180 мм
Жидкость
- Рабочая жидкость вода
- Температура жидкости -10 ... 110 °C
- Температура перекачиваемой жидкости 60 °C
- Плотность 983,2 кг/м³
Данные электрооборудования
- Потребляемая мощность (P1) 9 ... 128 Вт
- Частота питающей сети 50/60 Hz
- Номинальное напряжение 1 x 230 В
- Максимальное потребление тока 0,09 .. 1.03 A
- Степень защиты (IEC 34-5) X4D
- Класс изоляции (IEC 85) F
Другое
Подробнее о товаре
- Производитель
- GRUNDFOS
- Мощность, Вт
- 128
- Производительность, max м3/ч
- 8
- Напор, мах м
- 8
- Напряжение питания, В
- 230
- Диаметр
- DN 25 (1")
- Материал корпуса
- нержавеющая сталь
- Соединение
- муфтовое
- Монтажное исполнение
- 180 мм
- Управление
- частотное регулирование
- Модель насоса
- Grundfos Magna1
6194
99221225
zn3/7869








