Описание
CMBE5-62 I-U-C-D-D-B Grundfos 98374696- компактная установка повышения давления для применения в комунально-хозяйственном секторе и в быту
Интегрированный регулятор скорости позволяет установке CMBE 5-62 поддерживать постоянное давление в трубопроводной сети. Датчик давления, отслеживающий изменения в объемах расхода воды, подает сигнал на регулятор скорости, чтобы изменить частоту вращения электродвигателя и адаптировать уровень производительности к новому состоянию.
Установка повышения давления Grundfos CMBE 5-62 не требует особых усилий при установке. После монтажа Вам достаточно подключить Grundfos CMBE к источнику питания (сетевой кабель без вилки 1,5 м) и система начнет работать
Насосы повышения давления CMBE не требуют никакой внешней защиты двигателя. Двигатель включает термическую защиту от медленных перегрузок и блокировки
Комплектация станции Grundfos CMBE 5-62
- насос CMBE со встроенным преобразователем частоты
- 5-ходовой клапан
- расширительный бак на 2 литра
- датчик давления
- манометр
Преимущества насосной станции GRUNDFOS CMBE 5-62
- постоянное давление
- встроенный контроль скорости
- компактность
- жесткая конструкция
- нержавеющая сталь
- простая и быстрая установка
- защита от сухого хода
Технические характеристики станции водоснабжения Грундфос CMBE 5-62
- Модель CMBE5-62 I-U-C-D-D-B
- Артикул Grundfos 98374696
- Назначение водоснабжение, поддержание постоянного давления
- Высота всасывания 1 м (несамовсасывающий)
- Максимальная продуктивность 7,5 м³/ч
- Максимальный напор 66 м
- Номинальная производительность 6 м³/ч
- Номинальный напор 48 м
- Напряжение питания 1x200-240 В
- Номинальная мощность P2 1500 Вт 50 Гц
- Потребление тока 9,10-7,60 А
- Номинальная скорость вращения двигателя 360-4000 об/мин
- Управление встроенный частотный преобразователь
- Коннектор Type E/F (CEE7/7)
- Класс защиты (IEC 34-5) IP55
- Класс изоляции (IEC 85) F
- Сетевой кабель 1,5 м без вилки
- Перекачиваемая жидкость вода
- Температура жидкости от 0 до 60°С
- Плотность 998,2 кг/м³
- Максимальное давление 10 бар
- Корпус насоса нержавеющая сталь AISI 304
- Рабочее колесо нержавеющая сталь AISI 304
- Уплотнение EPDM
- Уплотнение вала AVBE
- Обратный клапан есть
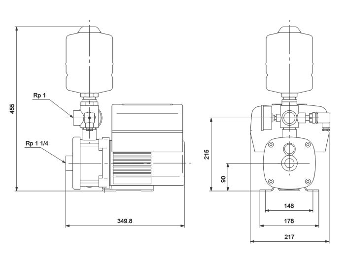
- Патрубок входной 1 1/4"
- Патрубок выходной 1"
- Бак напорный 2 л
- Габариты 350х217х455 мм
- Вес нетто 19,3 кг
- Вес брутто 29,8 кг
- Гарантия 2 года
Подробнее о товаре
- Производитель
- GRUNDFOS
- Мощность, Вт
- 1500
- Производительность, max м3/ч
- 7.5
- Напор, мах м
- 65
- Объём, л
- 2
- Материал корпуса
- нержавеющая сталь
- Управление
- электронный контроллер
- Материал рабочих колес
- нержавеющая сталь






