Описание
CMBE 3-62 I-U-C-C-D-A 3-62 Grundfos 98374717- компактная установка повышения давления для применения в комунально-хозяйственном секторе и в быту
Интегрированный регулятор скорости позволяет установке CMBE 3-62 поддерживать постоянное давление в трубопроводной сети. Датчик давления, отслеживающий изменения в объемах расхода воды, подает сигнал на регулятор скорости, чтобы изменить частоту вращения электродвигателя и адаптировать уровень производительности к новому состоянию.
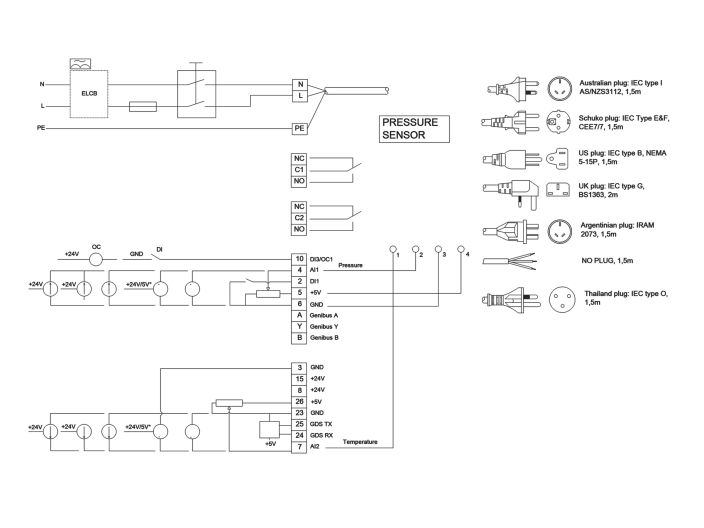
Установка повышения давления Grundfos CMBE 3-62 не требует особых усилий при установке. После монтажа Вам достаточно подключить Grundfos CMBE к сетевой розетке (тип кабельной вилки: английская вилка, сетевой кабель: 1,5 м) и система начнет работать
Насосы повышения давления CMBE не требуют никакой внешней защиты двигателя. Двигатель включает термическую защиту от медленных перегрузок и блокировки
Комплектация станции Grundfos CMBE 3-62
- насос CMBE со встроенным преобразователем частоты
- 5-ходовой клапан
- расширительный бак на 2 литра
- датчик давления
- манометр
Преимущества насосной станции GRUNDFOS CMBE 3-62
- постоянное давление
- встроенный контроль скорости
- компактность
- жесткая конструкция
- нержавеющая сталь
- простая и быстрая установка
- защита от сухого хода
Технические характеристики станции водоснабжения Грундфос CMBE 3-62
- Модель CMBE 3-62 I-U-C-C-D-A
- Артикул Grundfos 98374717
- Назначение водоснабжение, поддержание постоянного давления
- Высота всасывания 1 м (несамовсасывающий)
- Максимальная продуктивность 5,5 м³/ч
- Максимальный напор 63 м
- Номинальная производительность 4,2 м³/ч
- Номинальный напор 45 м
- Напряжение питания 1x200-240 В
- Номинальная мощность P2 1100 Вт 50 Гц
- Потребление тока 6,7-5,6 А
- Номинальная скорость вращения двигателя 360-4000 об/мин
- Управление встроенный частотный преобразователь
- Класс защиты (IEC 34-5) IP55
- Класс изоляции (IEC 85) F
- Сетевой кабель 1,5 м с штекером английская вилка G (BS1363)
- Перекачиваемая жидкость вода
- Температура жидкости от 0 до 60°С
- Плотность 998,2 кг/м³
- Максимальное давление 10 бар
- Корпус насоса нержавеющая сталь AISI 304
- Рабочее колесо нержавеющая сталь AISI 304
- Уплотнение EPDM
- Уплотнение вала AVBE
- Обратный клапан есть
- Патрубок входной 1"
- Патрубок выходной 1"
- Бак напорный 2 л
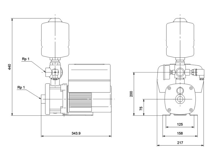
- Габариты 344х217х440 мм
- Вес нетто 17 кг
- Вес брутто 27,4 кг
- Гарантия 2 года
Подробнее о товаре
- Производитель
- GRUNDFOS
- Мощность, Вт
- 1100
- Производительность, max м3/ч
- 5.5
- Напор, мах м
- 63
- Объём, л
- 2
- Материал корпуса
- нержавеющая сталь
- Управление
- электронный контроллер
- Материал рабочих колес
- нержавеющая сталь







