Р1/Р2 5200/4000 Вт, U 400, V 93 л, H max 45,7 м, Q max 16,812 м³/ч (4,67 л/с)
Диаметр частиц 50 мм, T° до 40°C
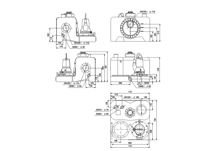
Насосная станция для водоотведения, насос с режущим механизмом, пульт управления Grundfos LC231
Артикул 97901134
Гарантия 2 года
Сопутствующие товары
Описание
MOG.40.3.2 Multilift Grundfos 97901134 - канализационная насосная станция для сбора и перекачивания сточных вод в центральную канализацию в случае, если нет возможности свободного протока стоков
Насосная станция Grundfos MOG Multilift состоит из полностью интегрированного сборного резервуара с насосом-измельчителем и погружным двигателем, установленным на сборном резервуаре, а также предварительно смонтированного контроллера, включая датчик уровня (обратные клапаны и сливные трубы нужно приобретать дополнительно)
Станция MOG Multilift оборудована одним насосом с режущим механизмом для измельчения твёрдых частиц и рабочим колесом Vortex
Установка Grundfos Multilift MOG.40.3.2 поставляется с контроллером уровня LC 231 для управления и контроля насоса. Контроллер осуществляет контроль уровня, мониторинг и защиту насосной станции. Настройку контроллера можно выполнить с помощью приложения Grundfos GO. Он легко интегрируется в линейку коммуникационных модулей Grundfos, обеспечивая легкое встраивание в любую систему управления, например SCADA или Grundfos CLOUD
Насос для канализации MOG.40.3.2 Multilift разработан в соответствии со стандартом EN12050-1, одобрен и контролируется внешним институтом LGA. Дополнительные сертификаты: VDE, GHOST, CB, EMV
Насосные станции Multilift MOG.40.3.2 могут перекачивать такие жидкости
- бытовые сточные воды
- загрязненные сточные воды с фекалиями
- загрязненные сточные воды с фекалиями и стоки с унитаза
- вода с содержанием ила
Характеристики насосной станции Grundfos Multilift MOG.40.3.2
- Модель Multilift MOG.40.3.2
- Артикул 97901134
- Бренд Grundfos
- Назначение сбор и отвод бытовых сточных вод
- Особенность конструкции режущий механизм
- Номинальный расход 3,2 м³/ч (0,889 л/с)
- Номинальный напор 43,7 м
- Максимальный поток 16,812 м³/ч (4,67 л/с)
- Максимальный напор 45,7 м
- Диаметр частиц до 50 мм
- Корпус насоса чугун
- Торцевое уплотнение SIC/SIC
- Бак пластик, LDPE
- Диапазон температуры окружающей среды 0 .. 40 °С
- Размер выходного соединения DN 32
- Номинальное давление для подключения PN 6
- Диапазон температур жидкости 0 .. 40 °С
- Плотность 998,2 кг/м³
- Электродвигатель погружной с вихревым рабочим колесом Vortex
- Входная мощность P1 5,2 кВт
- Номинальная мощность P2 4,0 кВт
- Частота сети 50 Гц
- Номинальное напряжение 3х400 В +10/-10 %
- Режим работы повторно-кратковременный S3-35%, 1 минута
- Количество запусков час 60
- Номинальный ток 8 А
- Cos phi коэффициент мощности 0,92
- КПД двигателя при полной нагрузке 82 %
- Количество полюсов 2
- Класс защиты IP68
- Класс изоляции F
- Встроенная защита двигателя биметаллический термовыключатель
- Длина кабеля 1,5 м
- Кабель двигателя 10 м
- Тип кабеля H07RN-F
- Разъем питания CEE 3P+N+E
- Сетевой кабель H05VV-F
- Тип блока управления LC231
- Общий объем резервуара 93 л
- Общий эффективный объем сборного резервуара при входе 180 мм 23 л
- Общий эффективный объем сборного резервуара при входе 250 мм 37 л
- Общий эффективный объем сборного резервуара при входе 315 мм 50 л
- Габариты 712х726х551 мм
- Вес нетто 96,7 кг
- Вес брутто 120 кг
Подробнее о товаре
- Производитель
- GRUNDFOS
- Мощность, Вт
- 4000
- Производительность, max м3/ч
- 17
- Напор, мах м
- 45.7
- Объём, л
- 93
- Напряжение питания, В
- 400
- Диаметр
- DN 32 (1 1/4")
- Применение
- с измельчительным насосом
- Модель насоса
- Grundfos Multilift MOG
6604
97901134







