Р1/Р2 12600/11000 Вт, U 400, V 450 л, H max 43,5 м, Q max 90 м³/ч (25 л/с)
Диаметр частиц 80 мм, до 40°C
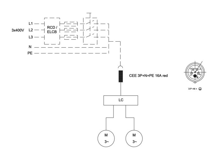
Насосная станция для водоотвода, два насоса Grundfos SLV, пульт управления Grundfos LC231
Артикул 97577855
Гарантия 2 года
Сопутствующие товары
Описание
MDV.80.80.110.2.51D /450.SL Multilift Grundfos 97577855 - канализационная насосная станция для сбора и перекачки сточных вод в центральную канализацию в случае, если нет возможности свободного протока стоков. Как правило, станцию устанавливают ниже уровня канализации в подвалах и цокольных этажах зданий
Насосная станция Grundfos MDV Multilift состоит из полностью интегрированного сборного резервуара объемом 450 л с двумя горизонтальными погружными насосами SLV с рабочим колесом SuperVortex, контроллером, включая аналоговый датчик уровня и аксессуары для подключения
Герметичный, запахонепроницаемый бак установки изготовлен из прочного полиэтилена и имеет все необходимые отверстия для подключения впускных, выпускных, вентиляционных труб и ручного мембранного насоса 96003721 (приобретается отдельно). Внутри бака два патрубка для насосов подключены к колено всасывающей трубы, что позволяет осуществлять отсос со дна. В результате остаточный объем снижается до минимума
Канализационная установка Grundfos MDV.80.80.110.2.51D /450.SL поставляется с контроллером уровня LC 231 для управления и контроля насоса. Контроллер осуществляет контроль уровня, мониторинг и защиту насосной станции. Настройку контроллера можно выполнить с помощью Grundfos GO. Он легко интегрируется в линейку коммуникационных модулей Grundfos, обеспечивая легкое встраивание в любую систему управления, например SCADA или Grundfos CLOUD
Насос для канализации MDV.80.80.110.2.51D /450.SL Multilift разработан в соответствии со стандартом EN12050-1, одобрен и контролируется внешним институтом LGA. Дополнительные сертификаты: VDE, GHOST, CB, EMV
Насосные станции Multilift MDV.80.80.110.2.51D /450.SL могут перекачивать такие жидкости
- бытовые сточные воды
- загрязненные сточные воды с фекалиями и стоки из туалетов
- вода, содержащая ил
Преимущества насосной станции Grundfos Multilift MDV.80.80.110.2.51D /450.SL
- свободный проход до 80 мм для надежной и без-засорной работы
- уникальная система зажимов позволяет демонтировать гидравлику и двигатель за несколько минут
- Крышка инспекции позволяет осматривать бак во время работы
- водонепроницаемая вилка кабеля из нержавеющей стали для простоты обслуживания и ремонта
- картридж с двойным уплотнением вала для простоты обслуживания и ремонта
- двигатель с термовыключателями внутри обмотки
- запатентованная система охлаждения для непрерывной работы в насосах
- двигатель с термо-выключателями внутри обмотки
Характеристики насосной станции Grundfos Multilift MDV.80.80.110.2.51D /450.SL
- Модель Multilift MDV.80.80.110.2.51D /450.SL
- Артикул 97577855
- Бренд Grundfos
- Назначение сбора и отвода бытовых сточных вод
- Количество насосов 2
- Номинальный расход 19,8 м³/ч (5,5 л/с)
- Номинальный напор 40,9 м
- Максимальный поток 90 м³/ч (25 л/с)
- Максимальный напор 43,5 м
- Диаметр частиц до 80 мм
- Насос SLV.80.80.110.2.51D
- Корпус насоса чугун
- Рабочее колесо SuperVortex
- Уплотнение вала SIC/SIC
- Максимальный гидравлический КПД 39%
- Бак пластик, LDPE
- Диапазон температуры окружающей среды 0..40 °С
- Размер исходного соединения DN 80
- Номинальное давление для подключения PN 10
- Максимальная глубина монтажа 2 м
- Диапазон температуры жидкости 0..40 °С
- Плотность 998,2 кг/м³
- Электродвигатель погружной с вихревым рабочим колесом Vortex
- Входная мощность P1 12,6 кВт
- Номинальная мощность P2 11 кВт
- Частота сети 50 Гц
- Номинальное напряжение 3х380-415 В +6/-10%
- Режим работы повторно-кратковременный S3-50%, 1 минута
- Пуск звезда-треугольник (SD)
- Количество запусков час 60
- Номинальный ток 21,7 А
- Номинальный ток при погрузке 3/4 16,2 А
- Номинальный ток при погрузке 1/2 12,30 А
- Пусковой ток 162 А
- Номинальный ток без нагрузки 7,2 А
- Cos phi коэффициент мощности 0,88
- Cos phi без погрузки 0,15
- Cos phi при погрузке 3/4 0,84
- Cos phi при погрузке 1/2 0,75
- Крутящий момент заблокированного ротора 85 Нм
- Крутящий момент пробоя 118 Нм
- КПД двигателя при полной нагрузке 87,7%
- КПД двигателя при нагрузке 3/4 88,1%
- КПД двигателя при нагрузке 1/2 86,4%
- Количество полюсов 2
- Класс защиты IP68
- Класс изоляции F
- Встроенная защита термовыключатель
- Кабель H07RN-F 10 м
- Общий объем резервуара 450 л
- Общий эффективный объем сборного резервуара на входе 180 мм 120 л
- Общий эффективный объем сборного резервуара на входе 250 мм 240 л
- Вес нетто 442 кг
- Вес брутто 539 кг
Подробнее о товаре
- Производитель
- GRUNDFOS
- Мощность, Вт
- 11000
- Производительность, max м3/ч
- 90
- Напор, мах м
- 43.5
- Объём, л
- 450
- Напряжение питания, В
- 400
- Диаметр
- DN 80 (3")
- Применение
- загрязнённые сточные воды
- Модель насоса
- Grundfos Multilift MD
6625
97577855







