Сопутствующие товары
Описание
M.12.3.4 Multilift Grundfos 97901065 - канализационная насосная станция для сбора и перекачивания сточных вод в центральную канализацию в случае, если нет возможности свободного протока стоков
Насосная станция Grundfos Multilift состоит из полностью интегрированного сборного резервуара с насосом и погружным двигателем, обратного клапана, выпускного адаптера с гибким соединительным элементом DN100, установленного на сборном резервуаре, и предварительно подключенного контроллера, включая датчик уровня.
Станция Grundfos Multilift M.12.3.4 поставляется с контроллером уровня LC 231 для управления и контроля насоса. Контроллер осуществляет контроль уровня, мониторинг и защиту насосной станции. Настройку контроллера можно выполнить с помощью приложения Grundfos GO. Он легко интегрируется в линейку коммуникационных модулей Grundfos, обеспечивая легкое встраивание в любую систему управления, например SCADA или Grundfos CLOUD
Насос для канализации M.12.3.4 Multilift разработан в соответствии со стандартом EN12050-1, одобрен и контролируется внешним институтом LGA. Дополнительные сертификаты: VDE, GHOST, CB, EMV.
Насосные станции Multilift M.12.3.4 могут перекачивать такие жидкости
- бытовые сточные воды
- загрязненные сточные воды без фекалий
- загрязненные сточные воды с фекалиями и стоки с унитаза
- вода с содержанием ила
Канализационные насосные станции Grundfos Multilift M способны перекачивать жидкость, содержащую волокна, текстиль и фекалии, которая находится ниже уровня центральной канализации.
Не допускайте стока таких жидкостей:
- твердые вещества, смолы, с высоким содержанием песка
- сточные воды с санитарных установок
- сточные воды, що содержат большое количество жирных сточных вод
Характеристики насосной станции Grundfos Multilift M.12.3.4
- Модель Multilift M.12.3.4
- Артикул 97901065
- Бренд Grundfos
- Назначение сбор и отвод бытовых сточных вод
- Номинальный расход 19,8 м³/ч (5,5 л/с)
- Номинальный напор 6,2 м
- Максимальный поток 50 м³/ч (13,9 л/с)
- Максимальный напор 8 м
- Диаметр частиц до 50 мм
- Тип обратного клапана откидной клапан
- Корпус насоса композитный
- Рабочее колесо технополимер Luranil
- Бак пластик, ПВД
- Прокладка NBR
- Диапазон температуры окружающей среды 0 .. 40 °С
- Размер выходного соединения DN 80
- Номинальное давление для подключения PN 6
- Диапазон температур жидкости 0 .. 40 °С
- Плотность 998,2 кг/м³
- Электродвигатель погружной с вихревым рабочим колесом Vortex
- Входная мощность P1 1,8 кВт
- Номинальная мощность P2 1,5 кВт
- Частота сети 50 Гц
- Номинальное напряжение 1х400 В +10/-6 %
- Режим работы повторно-кратковременный S3-50%, 1 минута
- Номинальный ток 2 х 3,6 А
- Cos phi коэффициент мощности 0,75
- КПД двигателя при полной нагрузке 82,1 %
- Количество полюсов 4
- Класс защиты IP68
- Класс изоляции F
- Встроенная защита двигателя биметаллический термовыключатель
- Длина кабеля 1,5 м
- Кабель двигателя 4 м
- Тип кабеля H07RN-F
- Разъем питания CEE 3P+N+E
- Сетевой кабель H05VV-F
- Тип блока управления LC231
- Общий объем резервуара 92 л
- Общий эффективный объем сборного резервуара при входе 180 мм 34 л
- Общий эффективный объем сборного резервуара при входе 250 мм 49 л
- Общий эффективный объем сборного резервуара при входе 315 мм 62 л
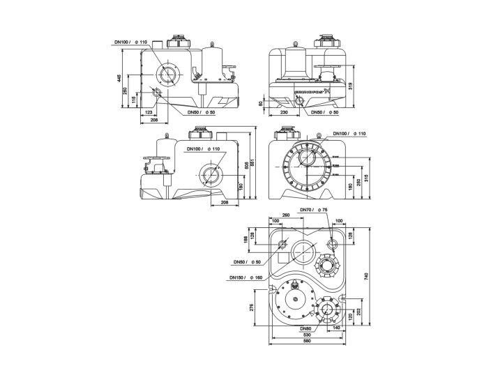
- Габариты 740х580х551 мм
- Вес нетто 65,2 кг
- Вес брутто 88,5 кг
Подробнее о товаре
- Производитель
- GRUNDFOS
- Мощность, Вт
- 1500
- Производительность, max м3/ч
- 50
- Напор, мах м
- 8
- Объём, л
- 92
- Напряжение питания, В
- 400
- Диаметр
- DN 80 (3")
- Применение
- загрязнённые сточные воды
- Модель насоса
- Grundfos Multilift M
6579
97901065






